2008 Dodge Charger horn

Tiny
RAYRAY2008
  • MEMBER
  • 2008 DODGE CHARGER
  • 2.5L
  • V8
  • 2WD
  • AUTOMATIC
  • 104,000 MILES
My car was towed, now the horn sounds sick. What can I do to make it sound normal again
Monday, April 13th, 2015 AT 3:54 PM

4 Replies

Tiny
JACOBANDNICKOLAS
  • MECHANIC
  • 110,194 POSTS
Towing it shouldn't have affected the horn unless the horn was hit under the vehicle. Have you spoken to the tow company?
Was this
answer
helpful?
Yes
No
Monday, April 13th, 2015 AT 6:11 PM
Tiny
CJ MEDEVAC
  • MECHANIC
  • 11,005 POSTS
DID YOU LOOK INSIDE OF IT FOR DIRT/ MUD/ DEBRIS?

CHECK THE CONNECTIONS/ CLEAN IF NECESSARY

SOME HORNS ('SPECIALLY OLDER ONES) HAVE AN ADJUSTMENT SCREW, IT'S PROBABLY PRETTY CLOSE TO TO OPTIMUM SOUND

IF I WERE TO MESS WITH IT, I'D MARK THE LOCATION WITH A SCRATCH/ OTHER, AND WOULD NOT TURN IT NO MORE THAN A 1/4 TURN IN EITHER DIRECTION WHILE YOU PAL HOLDS THE HORN BUTTON DOWN. YOU WILL JUST BE "TWEAKING" THE SCREW TO GET THE BEST SOUND.

IF THAT DON'T WORK, YOU MIGHT LOOK INTO A NEW ONE, AUTO PARTS STORES HAVE 'EM

I RECOMMEND A "REAL HORN", A REAL CAR STOPPER (EVEN IF YOU WERE IN THE WRONG), A TRAIN HORN

THE MEDIC
Was this
answer
helpful?
Yes
No
Monday, April 13th, 2015 AT 6:56 PM
Tiny
RAYRAY2008
  • MEMBER
  • 2 POSTS
I spoke to the tow company they said they did nothing to it, of course.
The alarm must have gone off which includes the horn blowing. Could it have just burnt out.
Was this
answer
helpful?
Yes
No
Tuesday, April 14th, 2015 AT 4:50 PM
Tiny
CJ MEDEVAC
  • MECHANIC
  • 11,005 POSTS
ANYTHINGS POSSIBLE

NOT ONLY WAS THE HORN BLOWIN', BUT THE RELAY WAS TURNING OFF AND ON TOO

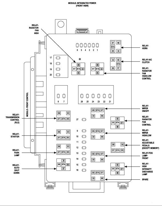
BELOW- I HAVE A FUSE/ RELAY BOX-IT MAY BE FOR A 2006 (IF NOT, CONSULT YOUR OWNER'S MANUAL OR THE COVER ON THE BOX)

TOP RIGHT IS THE HORN RELAY

THE RELAY BELOW IT IS FOR THE A/C CLUTCH

FROM WHAT I CAN TELL, THEY ARE IDENTICAL TWINS, JUST PLUGGED IN, IN A DIFFERENT CLOCK POSITION

(ALWAYS SUBSTITUTE ONE THAT WILL NOT AFFECT THE ENGINE OR DRIVE-TRAIN)

IF THEY LOOK THE SAME, STICK THE A/C CLUTCH RELAY IN THE HORN RELAY'S POSITION

DOES THE HORN IMPROVE?

IF SO, PUT THE A/C CLUTCH RELAY BACK AND BUY THE HORN RELAY

IF NOTHINGS WORKING OUT, GO WITH THE NEW HORN OPTION

THE MEDIC
Was this
answer
helpful?
Yes
No
-1
Tuesday, April 14th, 2015 AT 7:15 PM

Please login or register to post a reply.