How do I install a sliding door glass window

Tiny
JLPJERRY
  • MEMBER
  • 2008 DODGE CARAVAN
  • 720,000 MILES
How do I install a sliding door glass window on my van
Saturday, June 9th, 2012 AT 10:53 PM

1 Reply

Tiny
ASEMASTER6371
  • MECHANIC
  • 52,796 POSTS
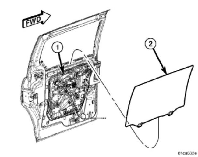
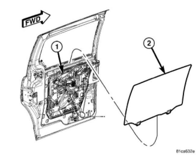
FIXED GLASS

NOTE: Left side door shown in illustrations. Right side door similar.

1. With the door glass in the appropriate position, remove the door trim panel and inner belt molding. See: Sliding Door Interior Trim Panel > Removal and Replacement > Removal.
2. Remove appliques. See: Sliding Door Moulding / Trim > Removal and Replacement > Removal.
3. Remove the fixed glass mounting fasteners (5) and drop glass to full down position.
4. Remove lower glass channel attach bolts and rotate channel out of position.
5. Remove sliding door glass from the opening.
6. Remove the glass (2) from the mounting bracket (6).

WARNING: Use care when removing the door glass to prevent breakage. Do not force the glass out of the door. Failure to follow this warning may result in serious injury.

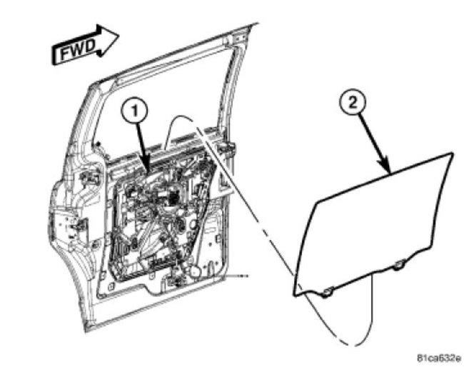
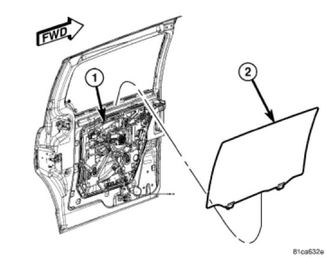
MOVABLE GLASS

NOTE: Left side door shown in illustrations. Right side door similar.

NOTE: If the door glass will not move in the door, remove the regulator motor and manually position the window regulator and glass to the appropriate position.

1. With the door glass in the full down position, remove the door trim panel. See: Sliding Door Interior Trim Panel > Removal and Replacement > Removal.
2. Remove appliques. See: Sliding Door Moulding / Trim > Removal and Replacement > Removal.
3. Remove the close-out plugs from the door module assembly.

NOTE: Illustration shown with carrier plate removed for clarity.

4. Working through the close-out plugs in the door module assembly, carefully back off attach nuts from the glass brackets to disengage from liftplates on the window regulator.
WARNING: Use care when removing the door glass to prevent breakage. Do not force the glass out of the door. Failure to follow this warning may result in serious injury.

5. Remove lower glass channel attach bolts and rotate glass channel rearward.
6. Remove the sliding door glass from the window opening. Tip the top edge of glass outward and then lift the glass out of the opening.

Diagrams are attached below that go with the written instructions
Was this
answer
helpful?
Yes
No
+1
Saturday, June 9th, 2012 AT 11:14 PM

Please login or register to post a reply.