Monday, September 24th, 2012 AT 6:03 PM
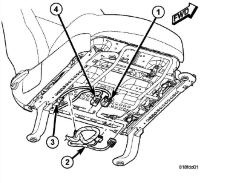
The flip the release lever up on the top seat release doesn't work (Top of seat left(driver side)of the head rest)on our convertable, the lower flip release lever works fine. The upper lever pulls up but doesn't make the seat go farward to let someone in the back seat, the lower lever works fine.











