Wednesday, July 11th, 2018 AT 11:07 AM
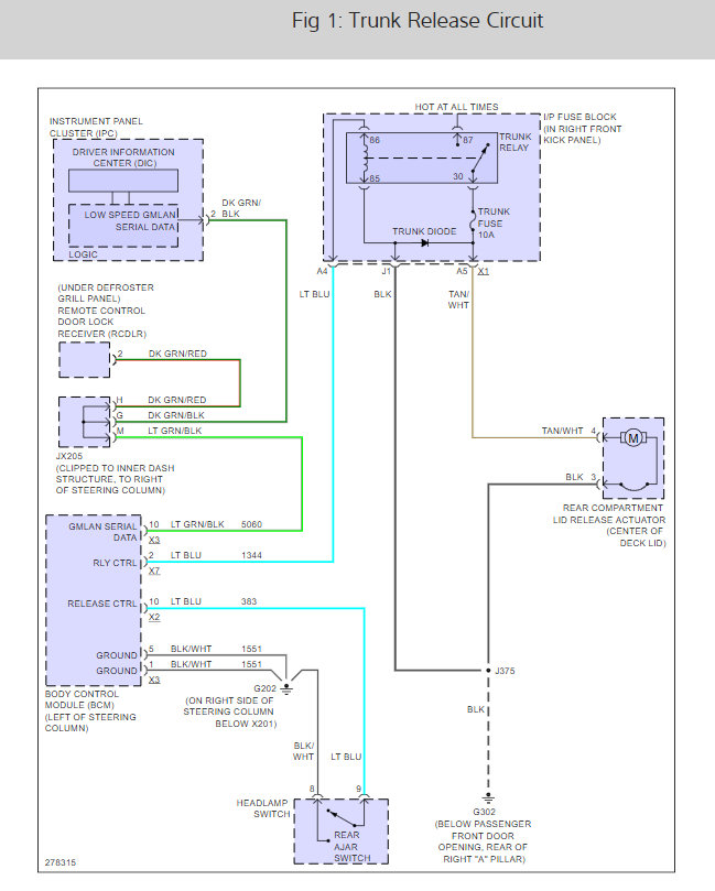
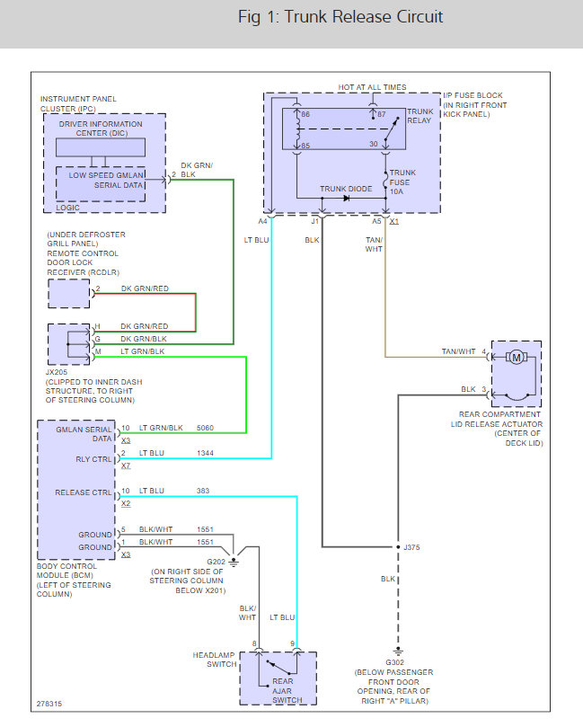
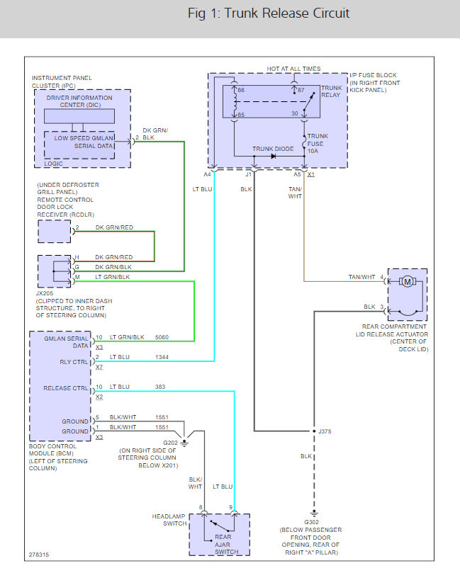
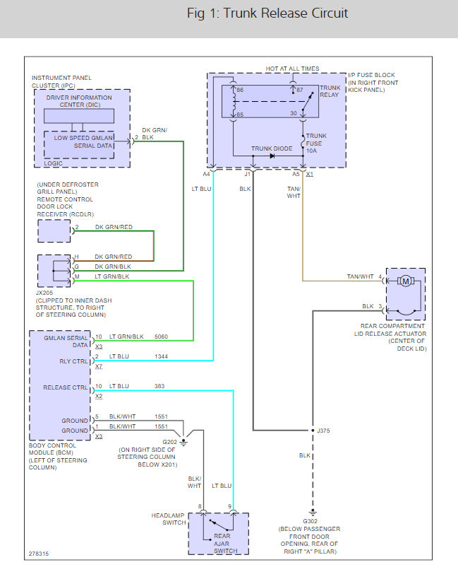
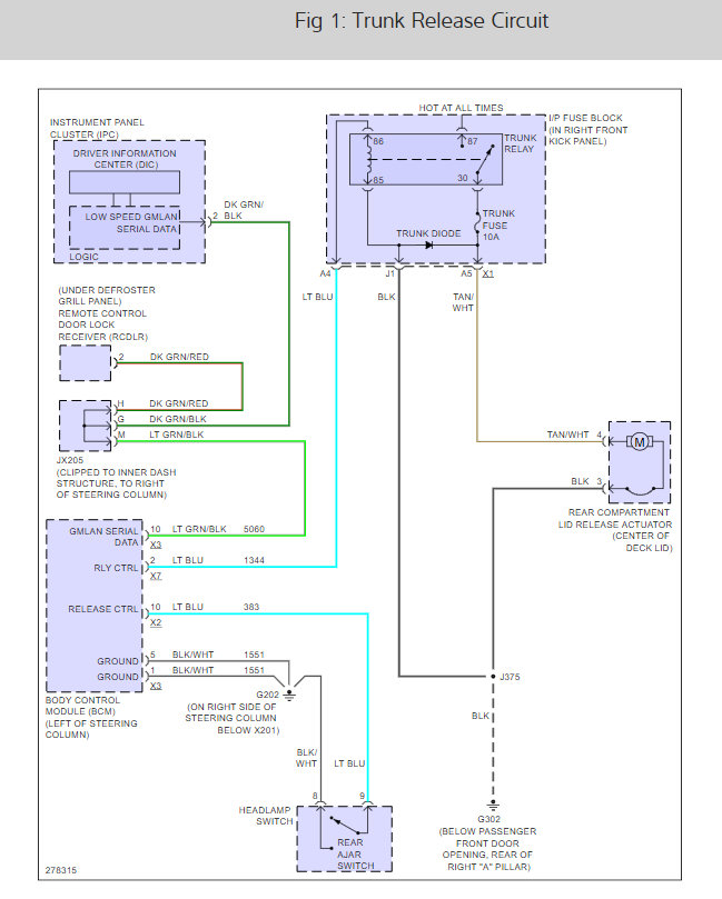
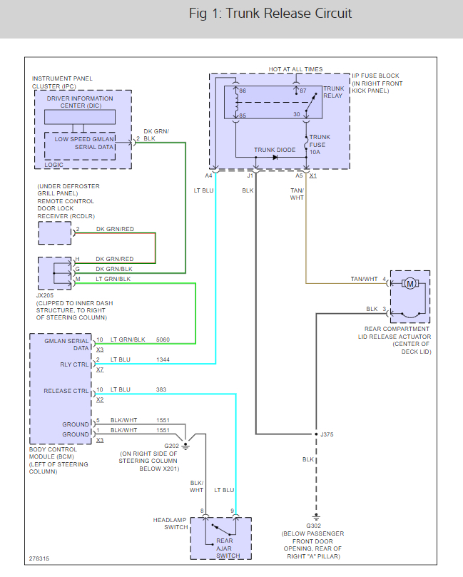
My car's trunk keeps opening on its own. I park it in the evening and next morning I find it as opened. If it is not opened, then as soon as I open drive-side door, trunk pops-up. It also opens after ten to fifteen seconds after locking my car. My key fob is also not working, so I have to open my car with key manually. This happened couple of times earlier as well but did not stay long. This time, it keeps going for more than a week. Dealer thinks that there is a ghost in my car and I am not sure how to fix this problem.





