Monday, January 28th, 2013 AT 3:31 PM
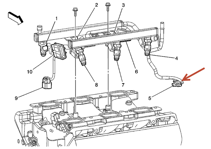
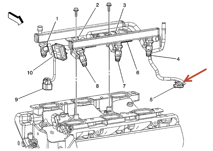
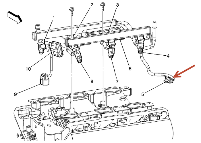
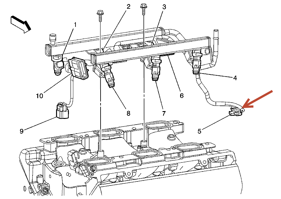
Now I consider myself pretty handy when it comes to this stuff, but I need some expert advice. My wife's van has the cooling fan running continuously, you start it up and about 10 sec the fan starts up high speed. Sounds like Im running a 75mm garret turbo at 65 boost. Lol, along with a blower motor that works intermittently, but that just need a thump to get going.(Will replace that later) I disconnected a/c pressure switch with no change. Is it possible a relay could be stuck on? My a/c does not work, hard to tell though cause its -20c here in Canada, it was working in the summer. I have a charging unit and suction pump and 20lbs of r134, I did a check and the hp side has green dye leaking so I know that's the problem. Now the temp switch. Is there a temp switch on the rad or is it a sensor in the block that signals the ECM to start the fan. I don't even know witch fan does engine cooling and witch does the a/c. I guess I'll switch the relays around see if that's it?


