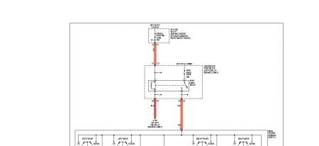
Monday, March 4th, 2013 AT 2:01 AM
Drivers window doesnt work, regulator good, power to up motor terminal no power to down motor terminal, window goes down when buzzed with external source. Buzzed up terminal but motor did not work. Brown wire is down and blue wire is up.










