Brake booster Bolt removal

Tiny
CTRZOS
  • MEMBER
  • 2008 BUICK LUCERNE
  • 100,000 MILES
Any tips to get the brake booster bolt off that is behind the steering wheel column? We have a 15mm ratcheting wrench but cannot get behind the column to get the bottom left bolt off. Can we move the column or cut into it somehow? Please help!
Tuesday, August 13th, 2019 AT 5:24 PM

1 Reply

Tiny
JACOBANDNICKOLAS
  • MECHANIC
  • 110,192 POSTS
Welcome to 2CarPros.

You have to remove the steering column. I will provide all of the directions including column removal. It will be second. All attached pics correlate with the directions. Note: If you have a V8 engine, directions are different. Let me know.

______________________________________

2008 Buick Lucerne V6-3.8L
Power Vacuum Brake Booster Replacement (3.8L)
Vehicle Brakes and Traction Control Power Brake Assist Vacuum Brake Booster Service and Repair Removal and Replacement Power Vacuum Brake Booster Replacement (3.8L)
POWER VACUUM BRAKE BOOSTER REPLACEMENT (3.8L)
Power Vacuum Brake Booster Replacement (3.8L)

Removal Procedure

pic 1

1. Remove the fuel injector sight shield. Refer to Intake Manifold Cover Replacement (See: Intake Manifold > Removal and Replacement).
2. Disconnect the electrical connector from the exhaust gas recirculation (EGR) valve (1).
3. Disconnect the engine harness clips (3).
4. Position the harness to the side.

Pic 2

5. Disconnect the brake fluid level sensor (1).

Pic 3

6. Remove the master cylinder mounting bolts.
7. Remove the master cylinder. Position the master cylinder to the side and support with heavy mechanics wire or equivalent.

Pic 4

8. Disconnect the vacuum brake booster check valve and hose (2).
9. Remove the left knee bolster. Refer to Driver Knee Bolster Replacement (See: Dashboard / Instrument Panel > Removal and Replacement).
10. Remove the steering column support mounting bolts. Refer to Steering Column Replacement (See: Steering Column > Removal and Replacement > Steering Column Replacement).
11. Lower the steering column and support with heavy mechanics wire.
12. Disconnect the brake pedal position sensor electrical connector.

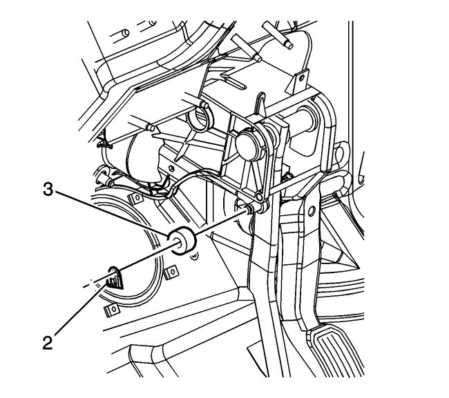
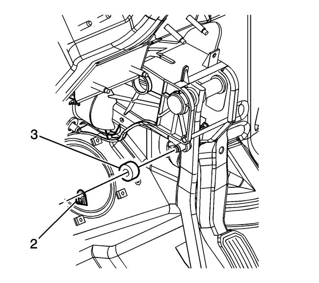
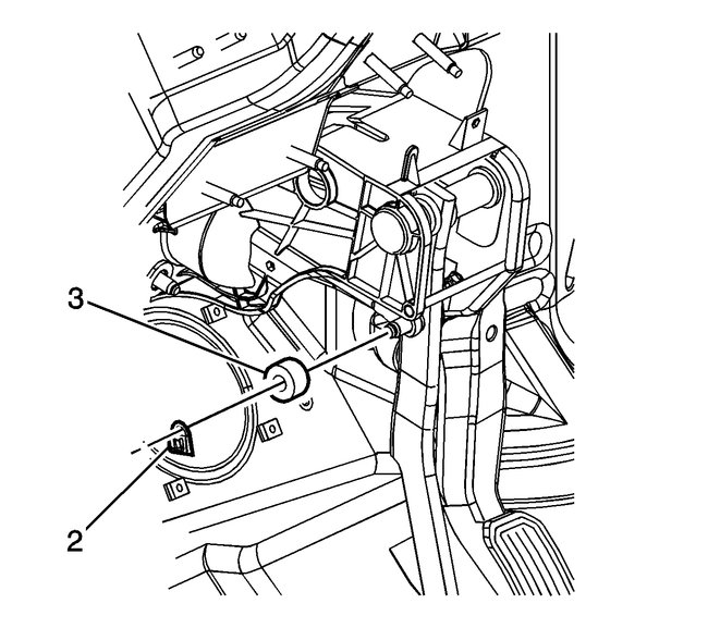
Pic 5

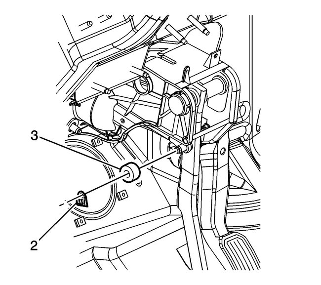
13. Remove the vacuum brake booster pushrod retainer clip (2).
14. Remove the vacuum brake booster pushrod spacer (3).

Pic 6

15. Remove the mounting nuts (1) for the steering column.

Pic 7

16. Remove the vacuum brake booster.

Important: If damaged, DO NOT reuse the vacuum brake booster gasket. Replace the gasket with new.

17. Remove the vacuum brake booster gasket.

Installation Procedure

pic 8

1. Install the vacuum brake booster gasket.
2. Install the vacuum brake booster.

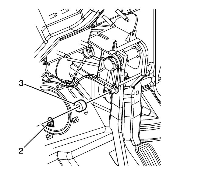
Pic 9

3. Install the pushrod to the brake pedal.
4. Install the spacer (3).
5. Install the retaining clip (2).

Pic 10

Notice: Refer to Fastener Notice (See: Vehicle > Vehicle Damage Warnings > Fastener Notice).

6. Install the mounting nuts (1).

Tighten the nuts to 30 N.M (22 lb ft).

7. Connect the brake pedal position sensor electrical connector.

Pic 11

8. Install the master cylinder. Refer to Master Cylinder Replacement (See: Brake Master Cylinder > Removal and Replacement > Master Cylinder Replacement).
9. Position the steering column.
10. Install the steering column. Refer to Steering Column Replacement (See: Steering Column > Removal and Replacement > Steering Column Replacement).
11. Install the knee bolster panel. Refer to Driver Knee Bolster Replacement (See: Dashboard / Instrument Panel > Removal and Replacement).

Pic 12

12. Install the vacuum brake booster check valve and hose (2).

Pic 13

13. Install the brake fluid level sensor electrical connector (1).

Pic 14

14. Position the engine wiring harness (2).
15. Connect the electrical connector for the EGR valve (1).
16. Connect the engine harness clips (3).
17. Install the fuel injector sight shield. Refer to Intake Manifold Cover Replacement (See: Intake Manifold > Removal and Replacement).
18. Calibrate the brake pedal position sensor. Refer to Brake Pedal Position Sensor Calibration (See: Vehicle > Programming and Relearning).

______________________________________

Here are the steering column directions. You don't have to physically remove it. There are 4 nuts that hold it in place. Remove them. See the last two pictures. Note: Any time you are working with the steering column, you really should have the battery disconnected for at least 30 minutes before you start. That way, power is not available to deploy the airbag.

Let me know if this helps. Once the column is loose, you should be able to access the bolt to remove the booster. Great design. LOL

Take care,
Joe
Was this
answer
helpful?
Yes
No
+1
Tuesday, August 13th, 2019 AT 8:51 PM

Please login or register to post a reply.