How can I check if cooling fan is working

Tiny
ADRIELREDDY
  • MEMBER
  • 2007 TOYOTA SIENNA
  • 145,000 MILES
How do I check if the cooling fan ECU (attached to radiator) is working? Everything else seems to be working, but I want to be sure before I replace this part.
Wednesday, April 3rd, 2013 AT 2:31 AM

3 Replies

Tiny
JACOBANDNICKOLAS
  • MECHANIC
  • 110,192 POSTS
Are you referring to the temperature sending unit? You need to check it for resistance.
Was this
answer
helpful?
Yes
No
+2
Wednesday, April 3rd, 2013 AT 2:39 AM
Tiny
ADRIELREDDY
  • MEMBER
  • 2 POSTS
No, I am referring to a black computer attached to the radiator. The two fans are wired to it.
Was this
answer
helpful?
Yes
No
+2
Wednesday, April 3rd, 2013 AT 2:41 AM
Tiny
KHLOW2008
  • MECHANIC
  • 41,814 POSTS
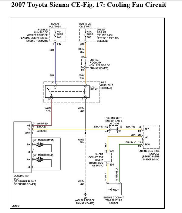
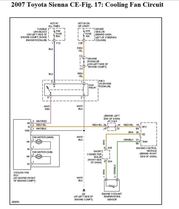
1. Inspect cooling fan ECU.

A. Inspect the input voltage.

1. Disconnect the cooling fan ECU connector.

2. Turn the ignition switch to the "on" position. Check the voltage of the +B terminal of the disconnected wire harness side connector.
Standard voltage:
9 to 14 V

If the result is not as specified, inspect the power source system (fusible link, fuse, wire harness and relay).

B. Inspect the cooling fan motor (See On-vehicle inspection).

C. Measure the resistance between terminals RFC (ECM) and SI (cooling fan ECU) of the wire harness side connectors.

Hint:
If the fan does not operate, there may be a short circuit.
If the fan remains operating, there may be an open circuit.

D. Inspect the ECM power source circuit and ground circuit.
Was this
answer
helpful?
Yes
No
+24
Wednesday, April 3rd, 2013 AT 5:54 AM

Please login or register to post a reply.

Related Cooling Fan Replace/Remove Content