Monday, August 17th, 2015 AT 6:46 PM
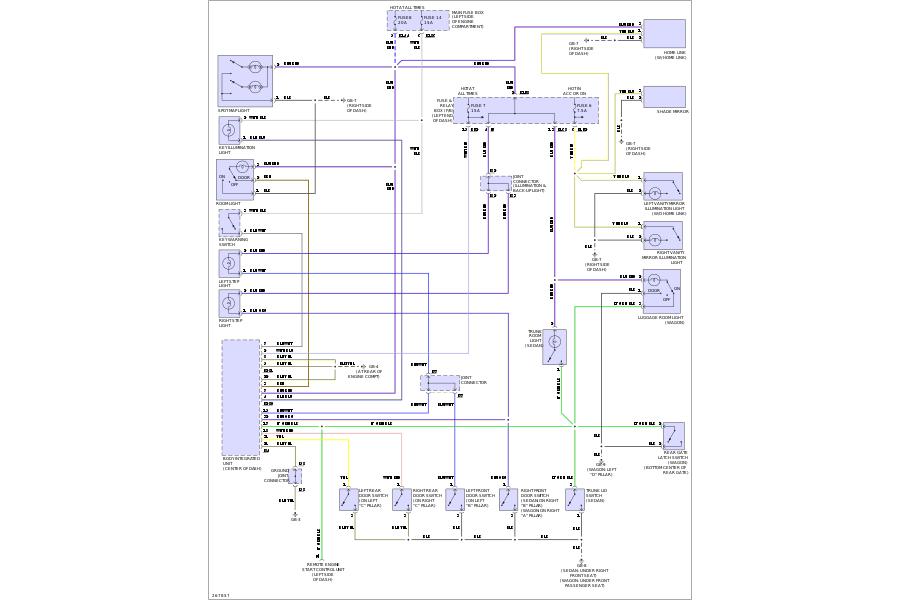
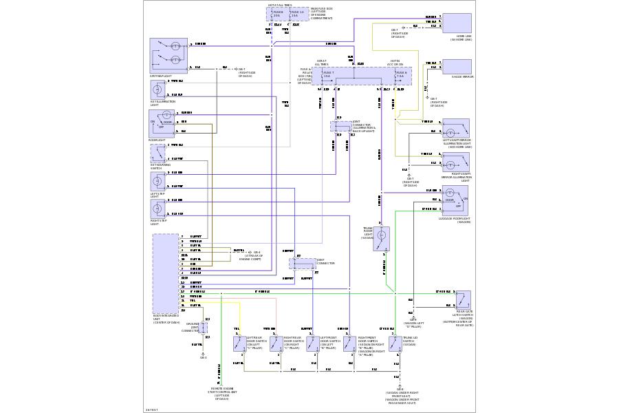
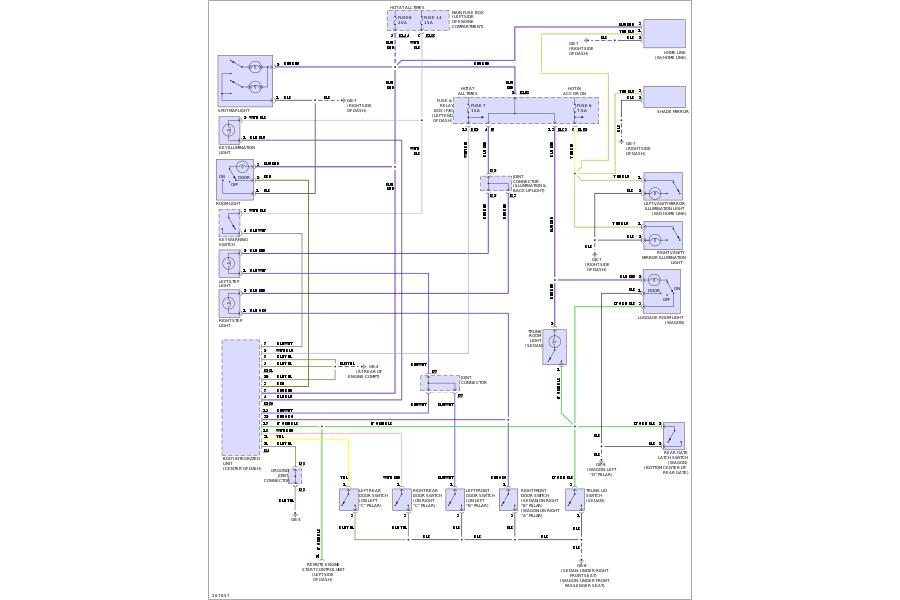
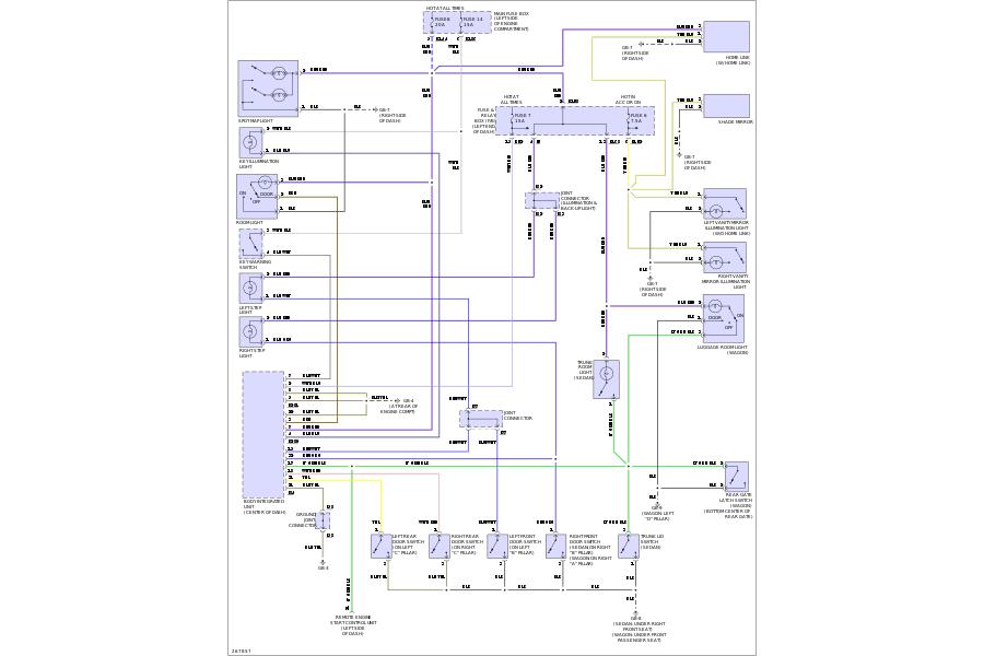
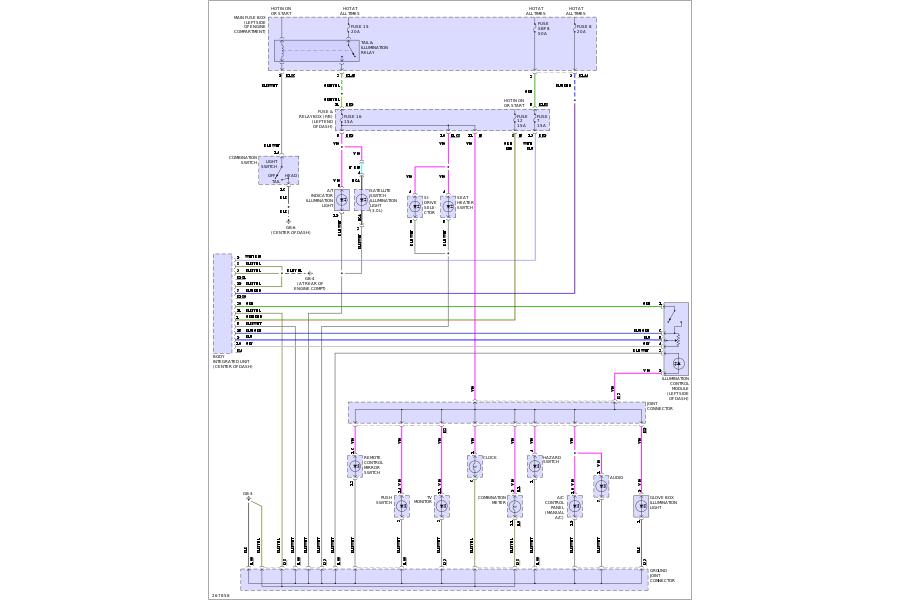
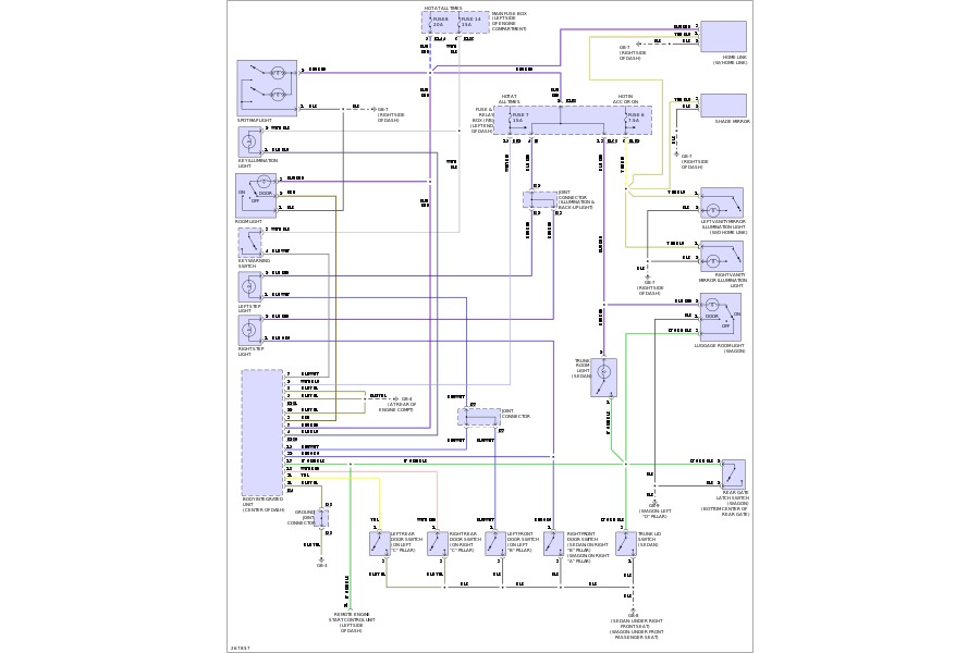
2007 subaru outback. Would like a diagram of the interior light wiring. Trying to hook up led under dash to come on when doors are opened. Center light has a 3 way switch that comes on when a door is opened, off and just on. Like to tap into that wiring to hook up led lights to do the same thing.

