Monday, September 29th, 2014 AT 5:20 PM
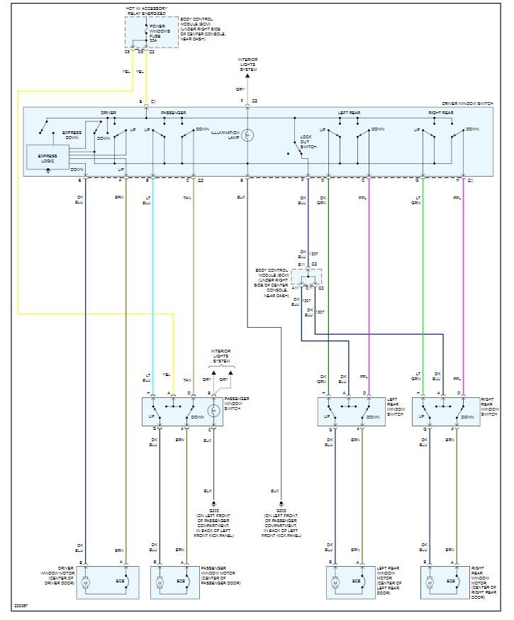
First, I noticed the power windows would not work, but after a day or so, they would start again. Then ultimately they quit totally. I first checked the fuse under the dash, which showed to be good so I purchased and installed a new Master switch for the drivers side and this worked for approximately six weeks but came to an abrupt halt again. I tried replacing the master switch and the fuse, but it still does not work at all now. Each time it has quit working all four windows go out at the same time, even the individual switches on each door will not work, but when the master switch does work, they will all work! Any ideas on where I should go from here to diagnose and repair the windows once and for all?

