Battery light is on

Tiny
BOB CAIVANO
  • MEMBER
  • 2007 LINCOLN TOWN CAR
  • 77,000 MILES
2007 lincoln towncar battery light is on, replaced alternator and battery checked out as good. With 12.75v 594 cca. Rated650cca. Car lights went out alternator replaced battery checked and ok battery light on dash still on
Saturday, January 14th, 2012 AT 7:40 PM

32 Replies

Tiny
HMAC300
  • MECHANIC
  • 48,601 POSTS
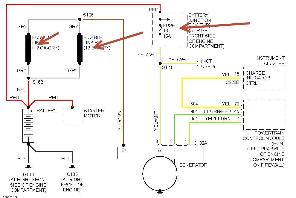
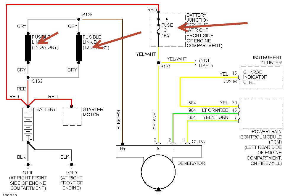
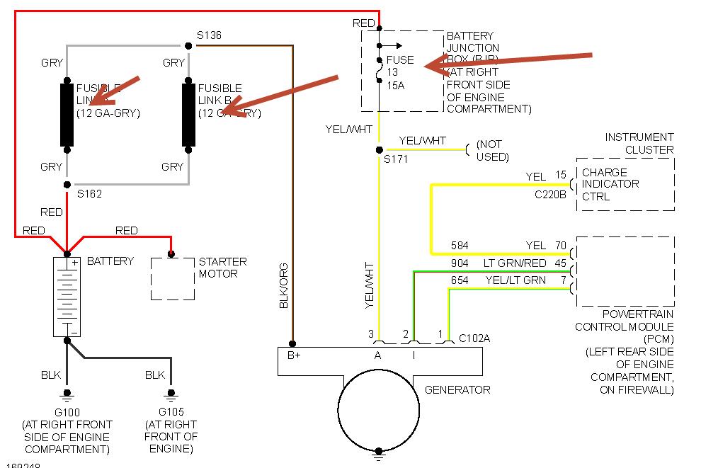
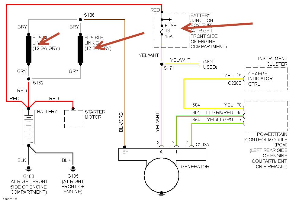
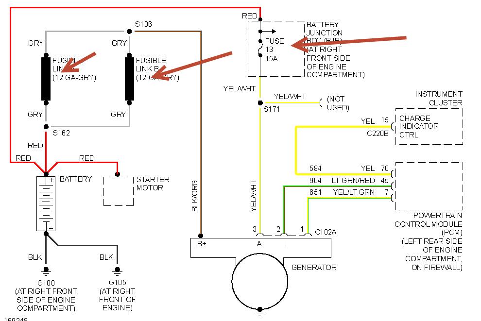
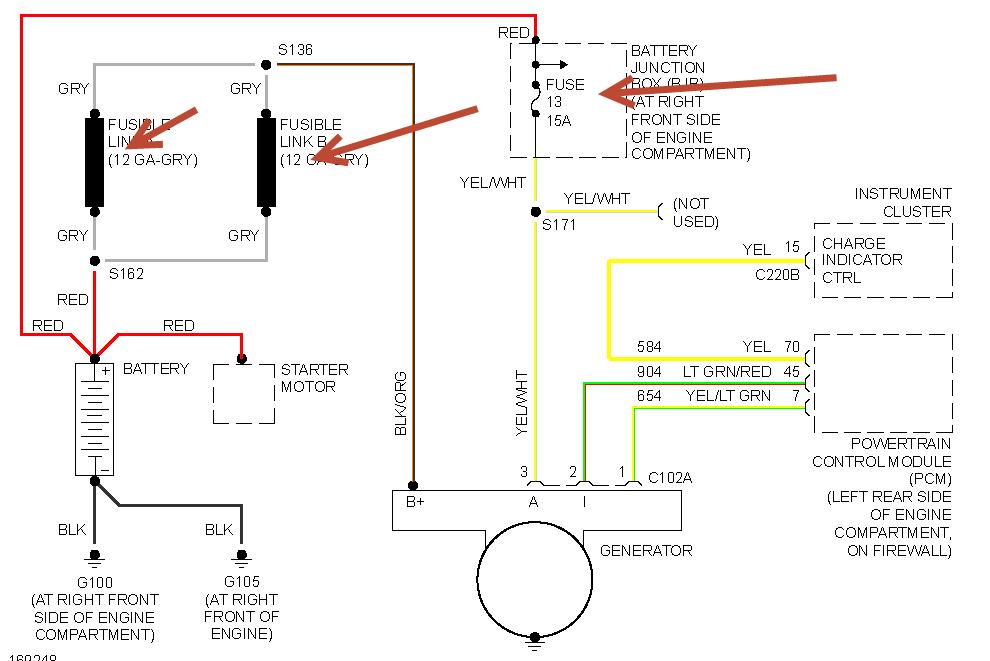
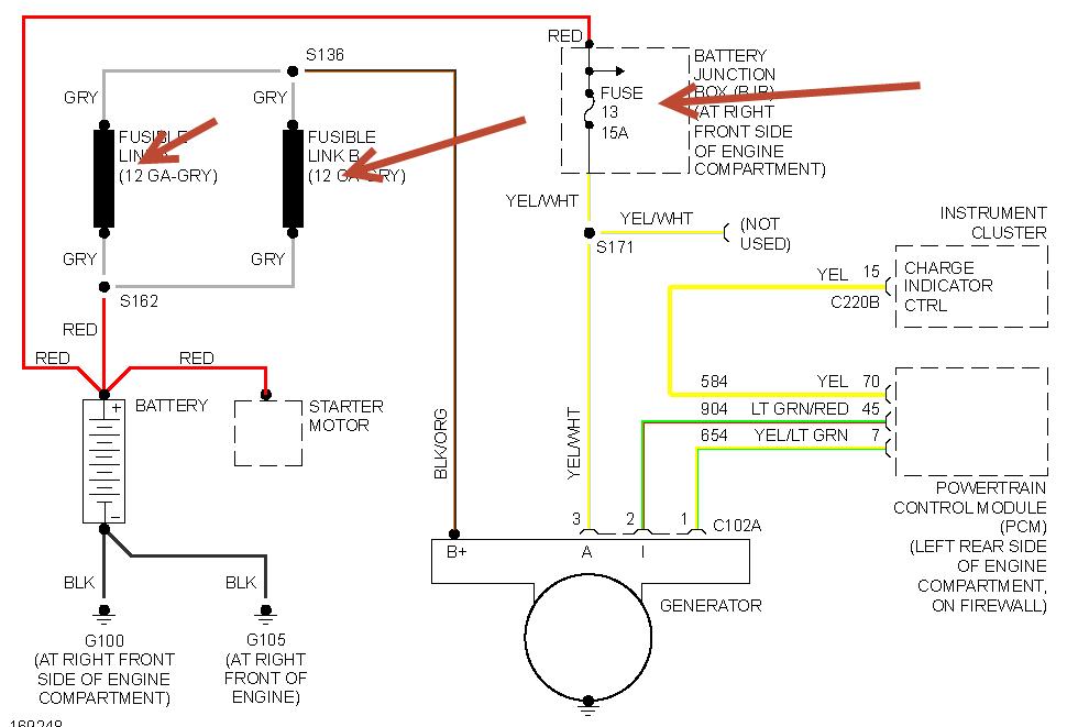
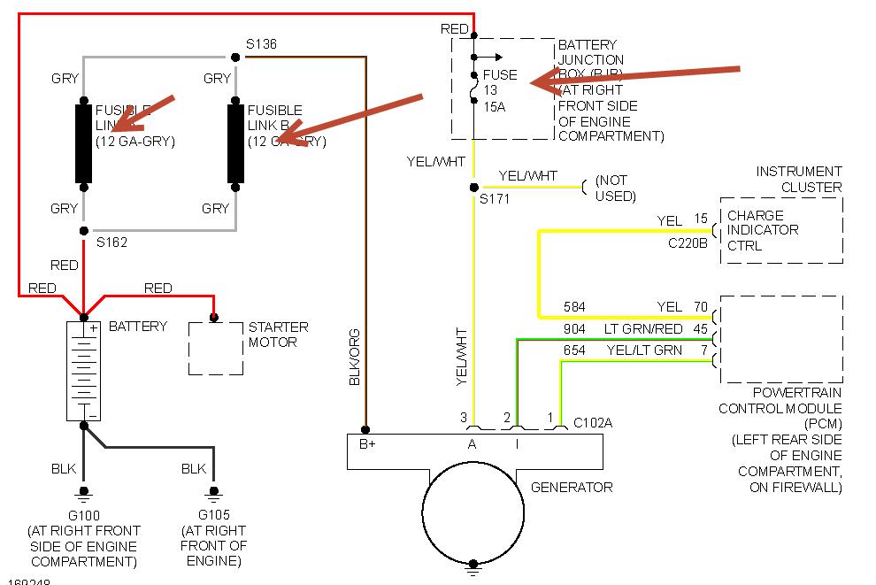
Check fuse 3&6 in the underhood fuse box. there is also a fusible link that runs from the battery to the alternator. it goes form red wire to blk/white wire. it is in the blk/white wire.

This guide can help us

https://www.2carpros.com/articles/how-to-check-a-car-alternator

Please run down this guide and report back.
Was this
answer
helpful?
Yes
No
+1
Saturday, January 14th, 2012 AT 9:41 PM
Tiny
CICERO
  • MEMBER
  • 3 POSTS
  • 2006 LINCOLN TOWN CAR
  • 86,000 MILES
Three months ago, battery light began to appeared and stay when driving about 2 hours. Next day, okay. Short trip oksy, replaced alternator as a guess (ovhl of existing). Now battery light on almost all time. And instrument cluster lights drop out, and blower motor drops out, etc. Left lo beam out.
Was this
answer
helpful?
Yes
No
+1
Monday, August 3rd, 2020 AT 3:53 PM (Merged)
Tiny
KASEKENNY
  • MECHANIC
  • 18,907 POSTS
Okay. We need to do a couple things. First check for codes. I am going to assume there are none.

Next we need to test the alternator and not just replace it or rebuild it. We need to see what it is producing so we can take the correct path. Then we need to make sure there are no draws on the battery.

https://www.2carpros.com/articles/how-to-check-a-car-alternator

Just so you are aware this vehicle has what is called a PCM control regulator. Meaning the voltage regulator is in the PCM and not in the Alternator. This means the alternator only puts out the amount of voltage it is told to by the PCM.

If we can prove out that the alternator and battery are good on their own with these tests then I would suggest replacing the PCM as the regulator has most likely failed.

Let me know if you have questions and what you find. Thanks
Was this
answer
helpful?
Yes
No
+2
Monday, August 3rd, 2020 AT 3:53 PM (Merged)
Tiny
CICERO
  • MEMBER
  • 3 POSTS
Lewis Bishop, asked about 2006 Town car battery warning light intermittent. Since it was my sister's car, we had two people trying to work on this. We replaced the alternator, which was premature per your answer. I'll post you again if the problem continues.
Was this
answer
helpful?
Yes
No
+1
Monday, August 3rd, 2020 AT 3:53 PM (Merged)
Tiny
KASEKENNY
  • MECHANIC
  • 18,907 POSTS
Okay. Thanks for the update.
Was this
answer
helpful?
Yes
No
Monday, August 3rd, 2020 AT 3:53 PM (Merged)
Tiny
CICERO
  • MEMBER
  • 3 POSTS
We removed the "rebuilt" alternator after about a week's run with symptoms getting worse, and we put an exchange alternator on this car. Her Oklahoma mechanic had diagnosed as good alternator--maybe bad PCM. This second alternator job was pursuant to a mechanic's diagnose here in Gilmer, Texas where my sister is visiting me and is afraid to try driving back home until we establish clear performance. It has stayed clear for a few short trips. We will test with a volt meter and report that, plus we will soon get a long trip and report that also. The Oklahoma mechanic also reported seeing an engine code for spark failure on number three cylinder. I tried removal, but I pulled very hard on the breaker bar and gave up on plug removal. Since the car doesn't sound like any misfires, and it is not turning on the check engine light, I didn't want to risk galling the threads in the head. Question: If I use a torque wrench on the spark plug removal, do you know of anybody's guess as to how much torque a spark plug can take before some kind of ruination happens?
Was this
answer
helpful?
Yes
No
Monday, August 3rd, 2020 AT 3:53 PM (Merged)
Tiny
88FAN
  • MEMBER
  • 1 POST
  • 2003 LINCOLN TOWN CAR
  • 351 MILES
I have a 2003 lincoln town car with a 4.6 I chang the battery and the alternator and the ignition and the battery light is still on and also when I am driving or sitting still the starter is engaging by itself
Was this
answer
helpful?
Yes
No
Monday, August 3rd, 2020 AT 3:53 PM (Merged)
Tiny
HMAC300
  • MECHANIC
  • 48,601 POSTS
Check to see if the starter relay is stuck by switching with a like relay. It may have abad solenoid on the starter however. Check the things in the pic I've pointed out.
Was this
answer
helpful?
Yes
No
+1
Monday, August 3rd, 2020 AT 3:53 PM (Merged)
Tiny
KASEKENNY
  • MECHANIC
  • 18,907 POSTS
This is impossible to know. If you can't remove the plug with little to moderate pressure, I would not mess with it until you are prepared to get it out at all cost. Worst case you may have to remove the head and drill it out. However, this would be after soaking it over night with penetrating oil and then a large breaker bar. You will probably break the porcelain first but again, this won't matter if you are going to get it out. If not, just leave it alone.
Was this
answer
helpful?
Yes
No
Monday, August 3rd, 2020 AT 3:53 PM (Merged)
Tiny
LARON
  • MEMBER
  • 2 POSTS
  • 1998 LINCOLN TOWN CAR
Ok hello I have a 98 town car witrh 125,000 miles the batt. Light come's on when the car warms up and go's off and on as I drive. But if I turn the A/C on witch I have to do with this AZ weather the light go's out and stays out. Now I went to autozone and they tested it on the car they said the batt. Is good but the alternator is not putting out like it should. But why when the A/C on the light go's out? Is it the voltage regulator? Or the hole alternator? Or something else??

Oh yeah witch is cheaper buying a new alternator or having it repaired?

Az
Was this
answer
helpful?
Yes
No
+1
Monday, August 3rd, 2020 AT 3:54 PM (Merged)
Tiny
LARON
  • MEMBER
  • 2 POSTS
YOU KNOW I NEVER THOUGHT OF THAT DUMM ME NOT THINKING OR THINKING TO MUCH : bUT I THANK YOU YOUR A GREAT HELP TO US. AND I WILL LET YOU KNOW HOW IT TURNS OUT.
Was this
answer
helpful?
Yes
No
+1
Monday, August 3rd, 2020 AT 3:54 PM (Merged)
Tiny
BIGGGPOPPA
  • MEMBER
  • 1 POST
  • 1998 LINCOLN TOWN CAR
  • 4.6L
  • V8
  • RWD
  • AUTOMATIC
  • 103,000 MILES
What caused interior light fuse blew? I replaced fuse 3 times. I put fuse in it blew. Repeated 3 times. I know I follow the right 15a fuse for it as it suppose to be. What caused that?

And other issue is that I noticed on my dash that battery light come on and off on and off? I just bought the battery. Still issued. Tested the alternator said it passed. Im still planning on purchase high output alternator for more power. But before I do that, I wanted to know what else that really caused it to turn on and off often? I checked and cleaned the battery connection terminal. Well please help me out here. Thanks.

I will dontate if it meet mu satisfaction with this. Thanks
Was this
answer
helpful?
Yes
No
Monday, August 3rd, 2020 AT 3:54 PM (Merged)
Tiny
HMAC300
  • MECHANIC
  • 48,601 POSTS
If the fuse keeps blowing then you have to check for the short in the system as far a alternator goes check your belt and tensioner recommended replacement is 60k the belt may be slipping
Was this
answer
helpful?
Yes
No
+1
Monday, August 3rd, 2020 AT 3:54 PM (Merged)
Tiny
CHUDSON2390
  • MEMBER
  • 1 POST
  • 1994 LINCOLN TOWN CAR
How can I get my battery light to turn off on my 1994 lincon town car if I have already replaced the battery and alternator?
Was this
answer
helpful?
Yes
No
Monday, August 3rd, 2020 AT 3:54 PM (Merged)
Tiny
BLUELIGHTNIN6
  • MECHANIC
  • 16,542 POSTS
Make sure the alternator belt is in good condition and tensioned properly. Also ensure battery cable ends are clean and tight at all connections including starter, alternator and battery.
Was this
answer
helpful?
Yes
No
Monday, August 3rd, 2020 AT 3:54 PM (Merged)
Tiny
LINCOLNTOWNCARON22INCH'S
  • MEMBER
  • 2 POSTS
  • 1992 LINCOLN TOWN CAR
I have a 92 towncar exec 4.6 232,000 miles it overheated when the s belt came off it sat for 2 months and I heard its the tensioner but im asking why does the battery light stay on now I put a new belt on while it was hot and that too popped in 2 mins im asking is it just the tensioner because I need my car fixed but dont wanna spend alot of money I dont have
Was this
answer
helpful?
Yes
No
Monday, August 3rd, 2020 AT 3:54 PM (Merged)
Tiny
SERVICE WRITER
  • MECHANIC
  • 9,123 POSTS
Not exactly sure what your sying, but if the tensioner is not stronger engough, it can throw the belt or not keep the belt spinning.
Was this
answer
helpful?
Yes
No
Monday, August 3rd, 2020 AT 3:54 PM (Merged)
Tiny
MERLIN2021
  • MECHANIC
  • 17,250 POSTS
I owned one of these beauties. Yes change the tensioner, the entire setup, the pulley is frozen and must squeal like hell!
Was this
answer
helpful?
Yes
No
Monday, August 3rd, 2020 AT 3:54 PM (Merged)
Tiny
JSWISSMOCHA
  • MEMBER
  • 4 POSTS
  • 1992 LINCOLN TOWN CAR
Computer problem
1992 Lincoln Town Car V8 Two Wheel Drive Automatic 117.23 miles

My check Engine light comes on and sometimes the Air Bag light flashes. At least twice a day while driving the car, I feel the car shake a bit and then the car will cut off. Sometimes I press the accelerator and the car will inch out of trafic then cut off. It will then start after a couple of tries. I sit and let it run and sometimes the car will barely go off and then back on ( the lights dim and the battery light blinks on and off). It will cut off and then I start it and then I can drive the car for miles. And then it happens again. Please Help.
Was this
answer
helpful?
Yes
No
Monday, August 3rd, 2020 AT 3:55 PM (Merged)
Tiny
MERLIN2021
  • MECHANIC
  • 17,250 POSTS
Do this and count the flashes...Count the flashes, a 22 will flash as 2 flashes then a short pause, then 2 flashes, if more than one code is stored, the pause will be longer. The codes will display three times and end with 11 or 111. Write them down and post here. First do this with the ke on engine off, then again with it running.


https://www.2carpros.com/forum/automotive_pictures/62217_Self_Test_Conn_4.jpg



https://www.2carpros.com/forum/automotive_pictures/62217_Test_Connector_Pre96_23.jpg

Was this
answer
helpful?
Yes
No
Monday, August 3rd, 2020 AT 3:55 PM (Merged)

Please login or register to post a reply.