I am facing problem in my fuel gauge

Tiny
BIG FOOT
  • MEMBER
  • 2007 JEEP WRANGLER
  • 85,000 MILES
My fuel gauge is not responding and its always on empty. When this happen suddenly the side break signal showed even when its down.
and I get code P0463 - fuel level sensor circuit high voltage.
can you help me and show me where does this sensor locate exactly.
Thursday, December 1st, 2011 AT 10:27 AM

12 Replies

Tiny
RIVERMIKERAT
  • MECHANIC
  • 6,110 POSTS
It sounds like the fuel level sending unit has shorted, delivering too high a voltage signal to the instrument system. Replace it.
Was this
answer
helpful?
Yes
No
+1
Thursday, December 1st, 2011 AT 7:23 PM
Tiny
BIG FOOT
  • MEMBER
  • 5 POSTS
I already replaced the fuel sending unit (fuel pump) and still the problem is there
Can you help me more by giving me a photo or a digram
Please I am waiting
Was this
answer
helpful?
Yes
No
Thursday, December 1st, 2011 AT 10:22 PM
Tiny
CJ MEDEVAC
  • MECHANIC
  • 11,005 POSTS
I CAN GET DIAGRAMS

THERE ARE SIX DIFFERENT WRANGLER MODELS

DIFFERENT ENGINES

I NEED TO KNOW WHAT YOU GOT!

I'LL POST WHEN YOU SEND INFO

IF YOU HAD A NICE PERTTY CJ, YOU WOULDN'T HAVE ALL OF THESE "CYBER PROBLEMS"!

THANKS

THE MEDIC
Was this
answer
helpful?
Yes
No
Friday, December 2nd, 2011 AT 1:47 AM
Tiny
BIG FOOT
  • MEMBER
  • 5 POSTS
I have a 2 doors 2007 jeep wrangler JK with 3.8 liters 6 cylinders engine
Was this
answer
helpful?
Yes
No
Friday, December 2nd, 2011 AT 9:28 AM
Tiny
CJ MEDEVAC
  • MECHANIC
  • 11,005 POSTS
THESE ARE MY ONLY CHOICES FOR 2007 WRANGLER(JK IS NOT IN THERE):

WRANGLER RUBICON

WRANGLER SAHARA

WRANGLER UNLIMITED RUBICON

WRANGLER UNLIMITED SAHARA

WRANGLER UNLIMITED X

WRANGLER X
Was this
answer
helpful?
Yes
No
Friday, December 2nd, 2011 AT 2:36 PM
Tiny
BIG FOOT
  • MEMBER
  • 5 POSTS
Wrangler Rubicon
Was this
answer
helpful?
Yes
No
Friday, December 2nd, 2011 AT 2:59 PM
Tiny
CJ MEDEVAC
  • MECHANIC
  • 11,005 POSTS
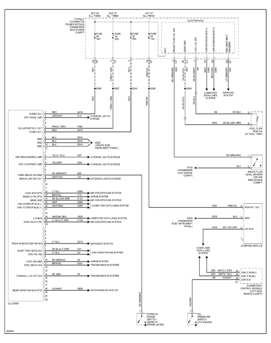
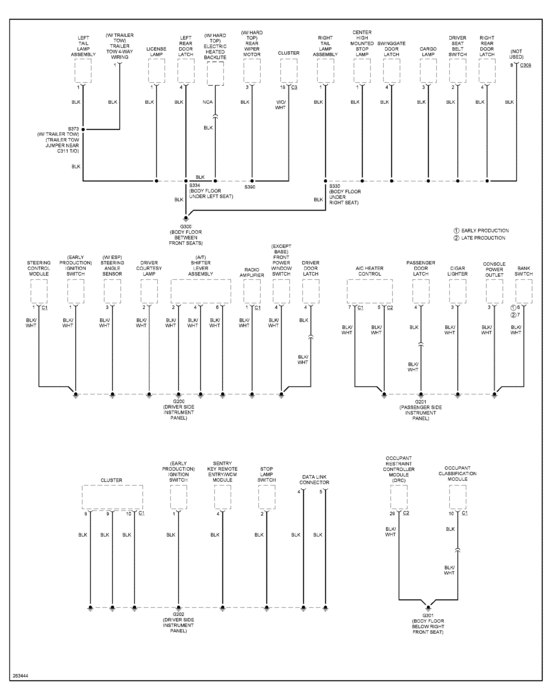
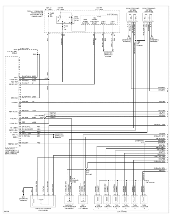
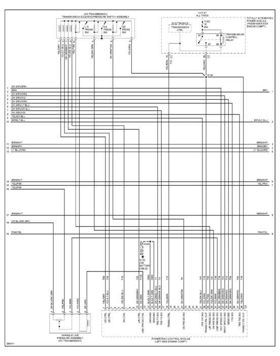
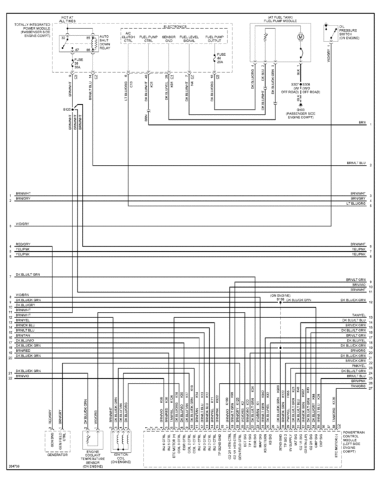
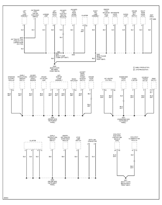
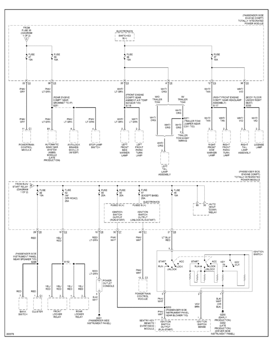
THERE ARE 42 WIRE DIAGRAMS FOR THAT RIG-SHOWN IN HERE----EVERYTHING FROM REAR WIPER CIRCUITCHARGING CIRCUIT

I ONLY GOT THE ONES THAT "I THOUGHT" MIGHT HAVE "FUEL RELATED STUFF" (AS I DO NOT SEE HOW A REAR WIPER, PWR WINDOWS, OR ETC. WOULD HAVE ANY BEARING.

I WILL GET ANY OTHERS YOU DESIRE--IT'S JUST A LITTLE TIME CONSUMING FINDING, DOWNLOADING, NAMING, POSTING. ALL OF THAT COMPUTER CRAP THAT I AM SO SLOW DOING!

OK HERE'S THE DEAL--THESE PUPPIES ARE IN "MY DOWNLOADS"--I CAN READ THEM EZily---I KEEP 'EM ABOUT A WEEK, IN CASE I NEED TO SEE OR DO SOMETHING WITH 'EM

I DO NOT KNOW WHAT THEY LOOK LIKE ON 2CAR TILL THEY SHOW UP

IF YOU CANNOT READ THEM---LET ME KNOW!---I CAN MAYBE ASSIST YOU. DO NOT BLURT OUT PERSONAL INFO IN OPEN FORUM!

OK HERE GOES EVERYTHING I THOUGHT MIGHT HAVE RELEVANCE---'MEMBER I'M A CJ GUY! THIS STUFF IS A WHOLE LOTS DIFFERENT.

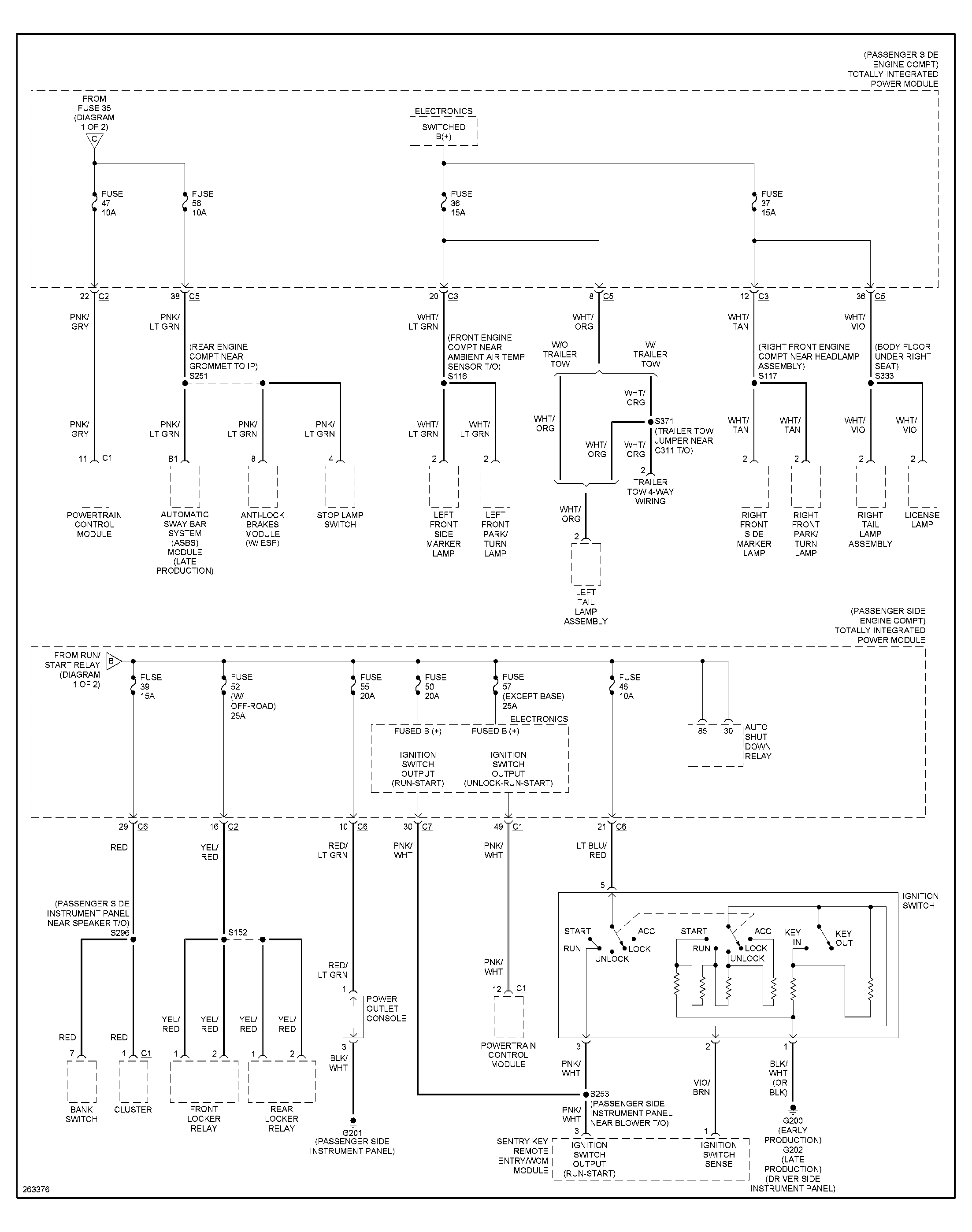
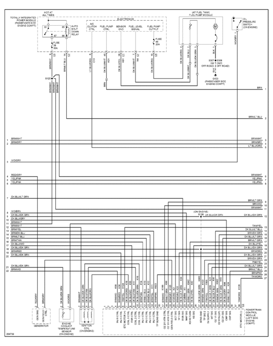
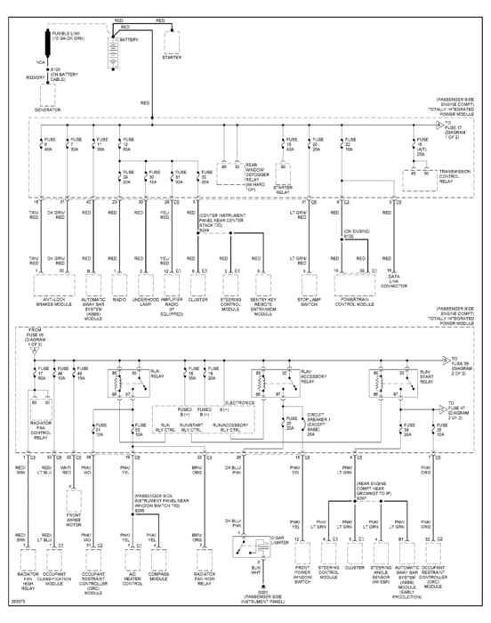
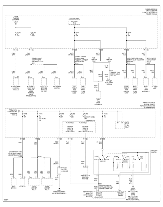
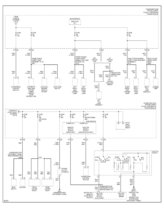
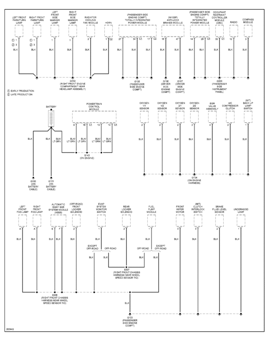
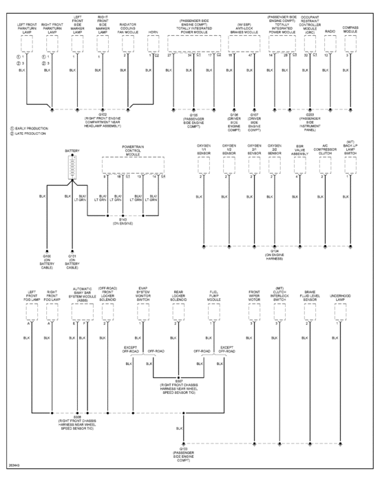
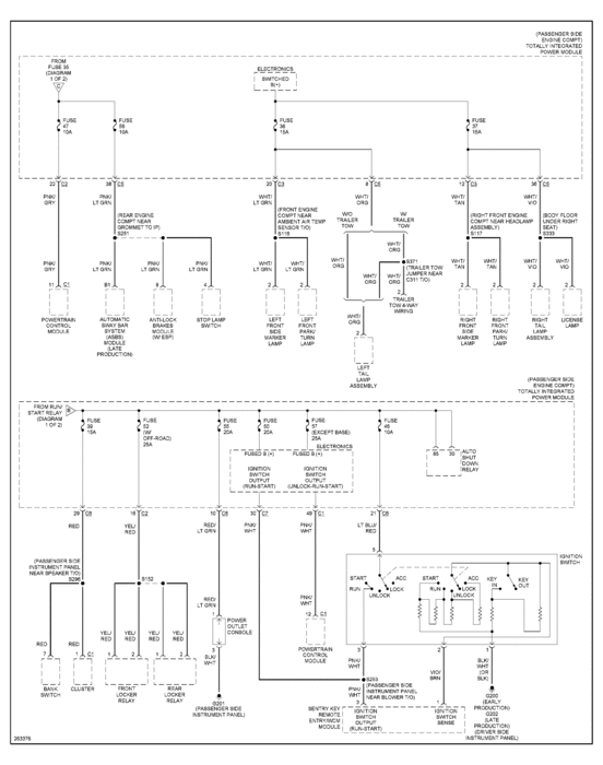
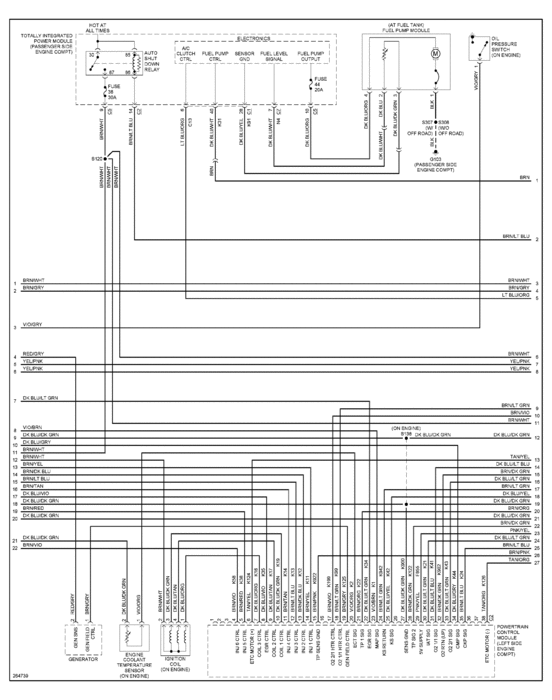
1)GROUND DISTRIBUTION 1

2)GROUND DISTRIBUTION 2

3)POWER DISTRIBUTION 1

4)POWER DISTRIBUTION 2

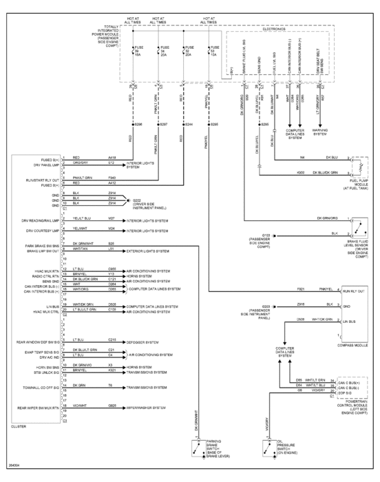
5)BODY CONTROL MODULES 1

6)BODY CONTROL MODULES 2

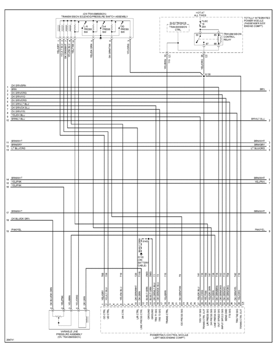
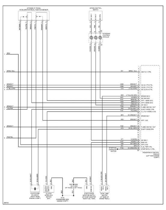
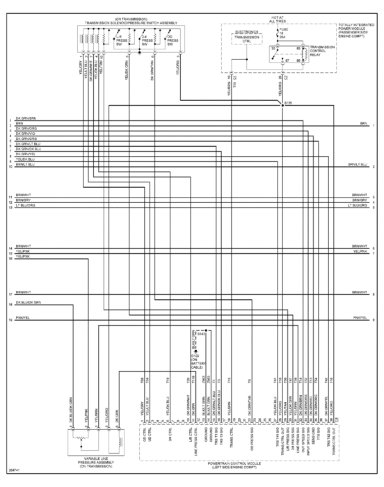
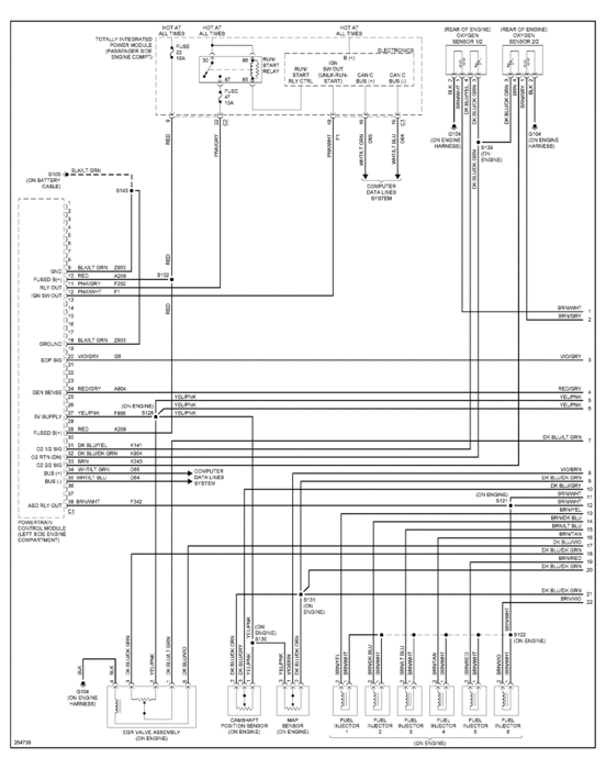
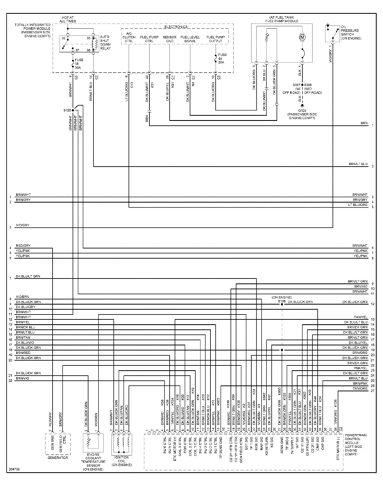
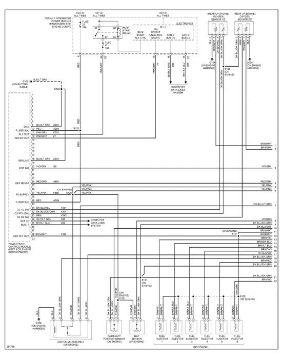
7) ENGINE PERFORMANCE 1

8) ENGINE PERFORMANCE 2

9) ENGINE PERFORMANCE 3

10) ENGINE PERFORMANCE 4

11) ENGINE PERFORMANCE 5
Was this
answer
helpful?
Yes
No
Friday, December 2nd, 2011 AT 3:55 PM
Tiny
BIG FOOT
  • MEMBER
  • 5 POSTS
Wow nice job
Can you provide me with the exact location of all these?
Was this
answer
helpful?
Yes
No
Friday, December 2nd, 2011 AT 4:42 PM
Tiny
CJ MEDEVAC
  • MECHANIC
  • 11,005 POSTS
ALTHOUGH I'M NOT SUPPER SKILLED W/ THESE

LOCATIONS OF COMPONENTS ARE USUALLY LISTED BESIDE THEM (SUCH AS, STUPID EX: CATASTROPHIC RELAY PIC, MIGHT SAY BESIDE IT, "UNDER PASSENGER SIDE OF DASH")

I DID NOT "POUR" OVER THESE---I WILL GO BACK IN AND SEE IF "GAUGES" MIGHT BE LISTED AND I POSSIBLY MISSED THEM

THEN AGAIN--IF YOU SEE IT IN WHAT I'VE SENT LET ME KNOW, AND I WON'T NEED TO CONTINUE LOOKING.

IN THE MEAN TIME, I WILL INITIATE A MESSAGE TO YOU----HOME PAGE---CLICK ON YOUR NAME AND LOOK FOR MESSAGE CENTER ON LEFT SIDE OF PAGE.I KNOW YOU CAN DO IT!

THE MEDIC
Was this
answer
helpful?
Yes
No
Friday, December 2nd, 2011 AT 4:59 PM
Tiny
CJ MEDEVAC
  • MECHANIC
  • 11,005 POSTS
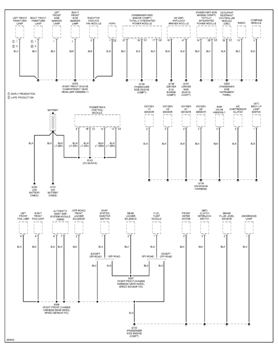
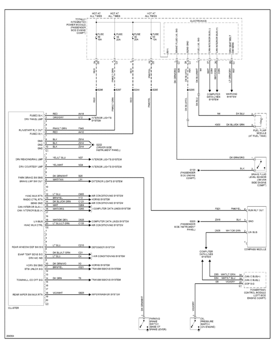
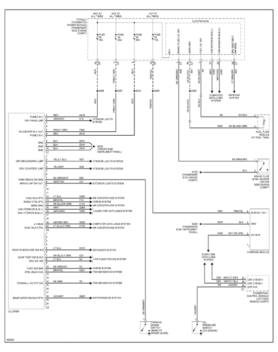
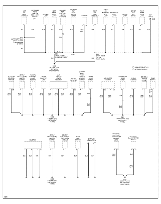
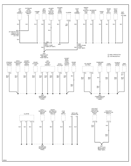
HERE'S THE CLUSTER

THE MEDIC
Was this
answer
helpful?
Yes
No
Friday, December 2nd, 2011 AT 5:12 PM
Tiny
CJ MEDEVAC
  • MECHANIC
  • 11,005 POSTS
I JUST ASKED 2CARPROMIKE TO SEE WHAT'S WRONG WITH MY OUTGOING MESSAGES---LOOKS LIKE THE WHOLE END GET CUT OFF----THE "REPLY PART" IS MAYBE NOT SEEN BY YOU. KEEP TRYIN', LET ME KNOW THE DEAL FROM YOUR END

THE MEDIC
Was this
answer
helpful?
Yes
No
Friday, December 2nd, 2011 AT 5:39 PM
Tiny
RIVERMIKERAT
  • MECHANIC
  • 6,110 POSTS
I was going to say that you should look at the instrument cluster schematics, CJ. Good catch.
Was this
answer
helpful?
Yes
No
Saturday, December 3rd, 2011 AT 1:38 AM

Please login or register to post a reply.