Thursday, August 27th, 2015 AT 2:25 PM
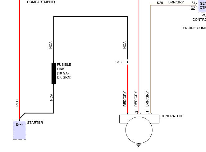
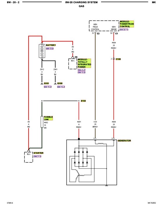
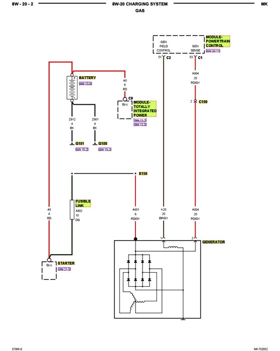
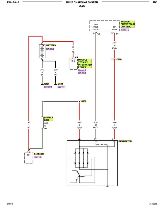
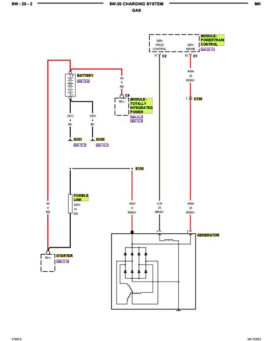
Hello all! Today I was driving in a rainstorm, and suddenly, randomly, the battery light came on. I was worried, but ignored my feelings and continued to drive. All of the sudden, the ABS light came on, followed by the yellow EBS light at the bottom, followed by the swerving car light, followed by the airbag light, and then the red BRAKE light to the right of the dash. That was when the car died, right in the middle of traffic. I had the alternator replaced a year ago, along with all the pulleys, and the belt. The mechanic said I should be good for another 100,000 miles with all those brand new parts. When the tow truck arrived, I had him take me to Advance Autoparts, and they said the battery was dead. I bought a brand new battery, and drove off. Not 2 miles down the road, the battery light came on AGAIN! I am terrified to drive in this car. What else could the problem possibly be? A fuse? Bad connection? I really don't want to take my car in and hear, "alternator" from some dumb idiot trying to take my $$. Please let me know what else to check. Thank you in advance!




