Is there a fuse for the wiper pump?

Tiny
JESSED2011
  • MEMBER
  • 2007 HYUNDAI SONATA
  • V6
  • 2WD
  • AUTOMATIC
  • 231,000 MILES
I replaced the pump, but it still isn't working.
Tuesday, February 21st, 2023 AT 10:38 AM

8 Replies

Tiny
AL514
  • MECHANIC
  • 5,596 POSTS
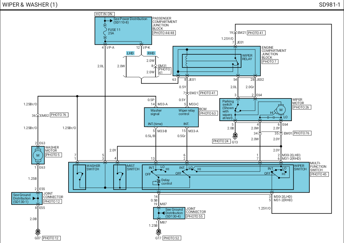
Hello, are your wipers working okay? The wipers and washer motor are run off the same fuse, Ill double check the circuit, but there might be another issue with the washer motor circuit. I'll post the diagrams to check the wiring.
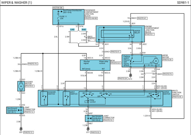
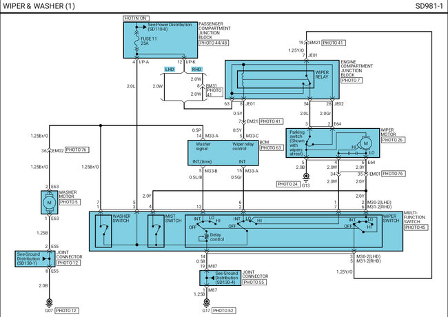
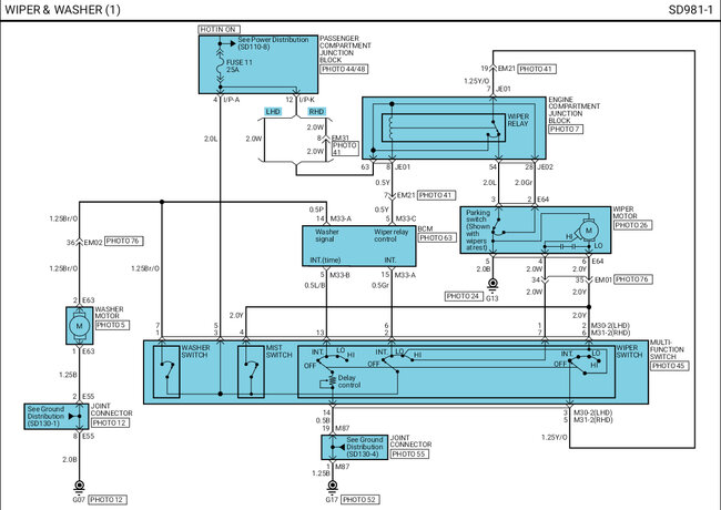
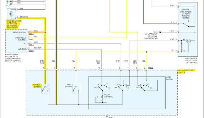
The 1st diagram shows the fuse that feeds the wiper and washer motors, the second is where the circuit splits off for the wiper motor and then to the multifunction switch for the washer motor. The third is the switch, so you may have a switch malfunction or a bad ground connection for the washer motor. The easiest way to check this is to unplug the washer wiring harness plug and use a test light or multimeter to check for 12volt power across the washer motor harness plug while someone pushes the washer switch for you.
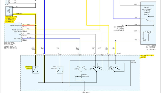
In the last diagram you can see the Ground connection for the washer motor and washer reservoir level sensor. Marked in green G07. It's located in the engine compartment but it's easier to just check using a test light across the two wires on the washer motor plug.
But touching the test light on the two wires as shown in the fifth diagram, the test light should light up brightly when the switch is pushed.
Here are two guides to help with testing. If the test light does not light, try switching the test light clip to the battery negative post and test again. This will tell you if there is bad ground for the washer motor. And then the G07 ground will need to be checked. If you have any questions on testing just ask.

https://www.2carpros.com/articles/how-to-use-a-test-light-circuit-tester

https://www.2carpros.com/articles/how-to-check-wiring
Was this
answer
helpful?
Yes
No
Tuesday, February 21st, 2023 AT 12:14 PM
Tiny
JESSED2011
  • MEMBER
  • 3 POSTS
Yes, the wipers are working, but nothing from the pump.
Was this
answer
helpful?
Yes
No
Tuesday, February 21st, 2023 AT 12:34 PM
Tiny
AL514
  • MECHANIC
  • 5,596 POSTS
Refresh this page and look up what my last post says. It has all testing instructions for the washer pump. You will need a 12v automotive testing light.
Was this
answer
helpful?
Yes
No
+1
Tuesday, February 21st, 2023 AT 12:39 PM
Tiny
AL514
  • MECHANIC
  • 5,596 POSTS
The fuse is okay if the wipers are working.
Was this
answer
helpful?
Yes
No
Tuesday, February 21st, 2023 AT 12:41 PM
Tiny
JESSED2011
  • MEMBER
  • 3 POSTS
Based on the diagram I am looking at from Auto genius, it looks like there is a 20A fuse at spot 14 listed as "H/LP washer", then another one located just below spot 8/9 listed as "wiper".
Was this
answer
helpful?
Yes
No
Tuesday, February 21st, 2023 AT 12:42 PM
Tiny
AL514
  • MECHANIC
  • 5,596 POSTS
We use All Data and unfortunately it just crashed for some reason. I will look at the manufacturer OEM diagrams as soon as its back up and running. I will look in another location in the meantime though.
Was this
answer
helpful?
Yes
No
Tuesday, February 21st, 2023 AT 12:53 PM
Tiny
AL514
  • MECHANIC
  • 5,596 POSTS
This diagram is from another source. It is only showing one Fuse 11 (25amp) for a 2007 Hyundai Sonata V6. You can also look in your owner's manual in the glove box, it will have all the fuses and their locations listed.
Was this
answer
helpful?
Yes
No
+1
Tuesday, February 21st, 2023 AT 1:05 PM
Tiny
AL514
  • MECHANIC
  • 5,596 POSTS
The fuse 14 you're referring to is for the Head light washer circuit, and that is the fuse panel under the hood. You need the Fuse panel in the passenger compartment junction block, this will be inside the vehicle. Fuse 11 is the wiper and washer motor feeds. Is it the Head light washer motor that is not working?
I can see how it can get confusing having washer motors and wipers for the headlights as well.
Okay, we're up and running again, this is the fuse block you're looking for, it might be behind a lower kick panel on the passenger side lower dashboard.
Was this
answer
helpful?
Yes
No
Tuesday, February 21st, 2023 AT 1:21 PM

Please login or register to post a reply.