Engine wiring diagram?

Tiny
MAYOT
  • MEMBER
  • 2007 HONDA JAZZ
Do you have engine wiring diagram?
Monday, November 19th, 2012 AT 5:28 AM

1 Reply

Tiny
DRCRANKNWRENCH
  • MECHANIC
  • 3,380 POSTS
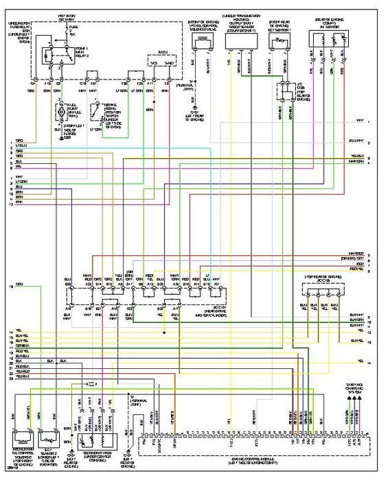
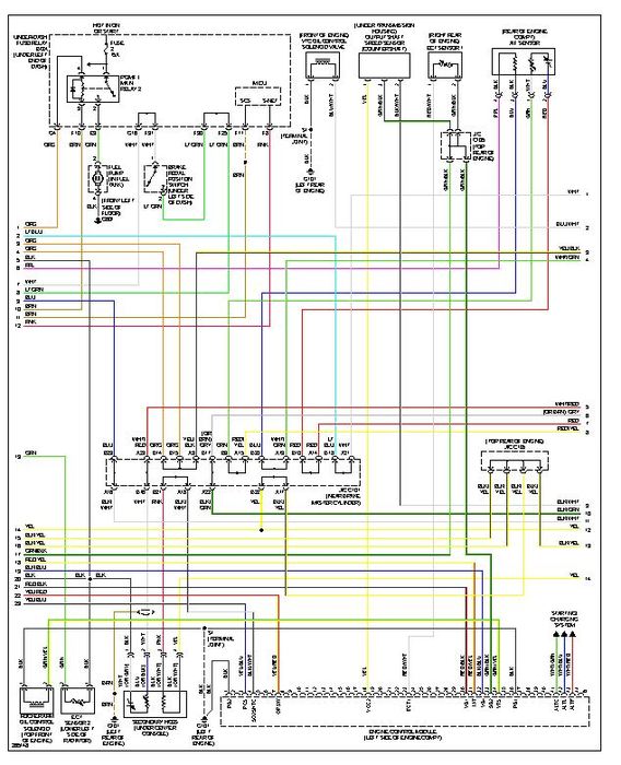
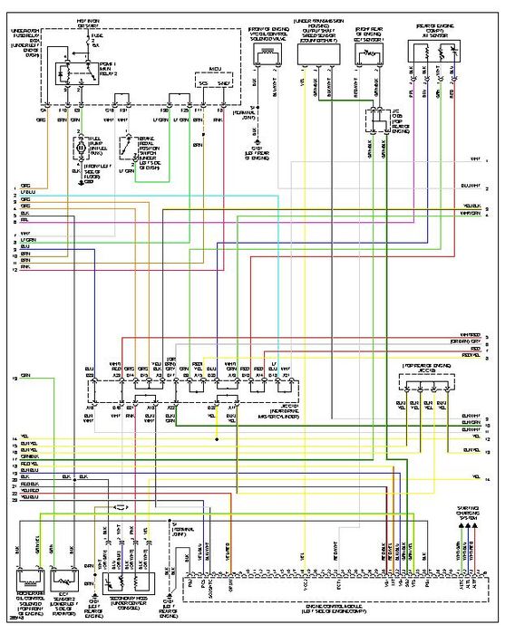
Attached are the engine diagrams for a 2.0L. Let me know if you need ones for a different size motor. There are diagrams for a 1.3L and a 1.8L. Check out the diagrams (Below). Let us know what happens and please upload pictures or videos of the problem.
Was this
answer
helpful?
Yes
No
+1
Monday, November 19th, 2012 AT 5:45 AM

Please login or register to post a reply.