Just replaced the rack n pinion on the Civic si.

Tiny
ALFREDM8702
  • MEMBER
  • 2007 HONDA CIVIC
Just replaced the rack n pinion on the civic si and now its making a really bad grinding noise new rack n pinion was used the reason I replaced it was because Honda said it was bad original issue was no power steering the rack n pinion is electrical any ideas?
Saturday, December 29th, 2012 AT 7:49 PM

7 Replies

Tiny
ASEMASTER6371
  • MECHANIC
  • 52,796 POSTS
Never heard of any issues with the racks on them

is the fluid full?

Why did you replace it

Where is the noise coming from?
Does it occur when you turn the steering with front end lifted up?
Who installed the steering and was everything fitted correctly?

Roy
Was this
answer
helpful?
Yes
No
Saturday, December 29th, 2012 AT 8:14 PM
Tiny
ALFREDM8702
  • MEMBER
  • 109 POSTS
There is no fluid its electrical and I replaced it because there was no power steering and Honda said the rack n pinion was bad. I installed it and yes it occurred while lifted up and when I lowered it and noise still occurred eps light is still on sounds worse then before with original rack n pinion
Was this
answer
helpful?
Yes
No
Saturday, December 29th, 2012 AT 8:30 PM
Tiny
ASEMASTER6371
  • MECHANIC
  • 52,796 POSTS
The DTCs are memorized in the EEPROM (nonvolatile memory) therefore the memorized DTCs cannot be erased by disconnecting the battery.

You would need the appropriate scan tool to clear DTCs.
Roy
Was this
answer
helpful?
Yes
No
Saturday, December 29th, 2012 AT 8:32 PM
Tiny
ASEMASTER6371
  • MECHANIC
  • 52,796 POSTS
How to Troubleshoot DTCs
The troubleshooting procedures assume that the cause of the problem is still present and the EPS indicator is still on, Following the procedure when the EPS indicator does not come on can result in incorrect diagnosis.

Question the customer about the conditions when the problem occurred, and try to reproduce the same conditions for troubleshooting. Find out when the EPS indicator came on, such as during EPS control, after EPS control, when the vehicle was at a certain speed, etc.
When the EPS indicator does not come on during the test-drive, but troubleshooting is done based on the DTC, check for loose connectors, poor terminal contact, etc, in the affected circuit before you start troubleshooting.
After troubleshooting, clear the DTC and test-drive the vehicle. Be sure the EPS indicator does not come on.

Did you have any codes from this system?

If the motor fails, it will cause no assist. Did the motor come with the used rack?

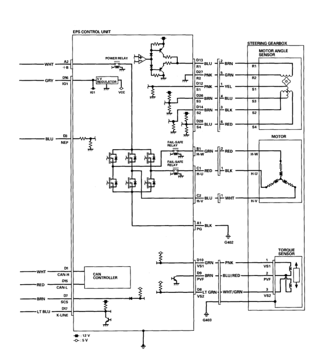
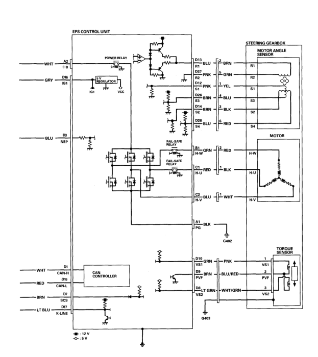
I also attached a wiring diagram as well.

Roy
Was this
answer
helpful?
Yes
No
Saturday, December 29th, 2012 AT 8:38 PM
Tiny
ALFREDM8702
  • MEMBER
  • 109 POSTS
The eps light is on still that's the only code present and the motor was replaced recently and it did not come with the used rack we bought one separate
Was this
answer
helpful?
Yes
No
Saturday, December 29th, 2012 AT 8:43 PM
Tiny
ASEMASTER6371
  • MECHANIC
  • 52,796 POSTS
The problem could be with the rack but first of all you need to get the Indicator light off first. When it is showing, the system is not going to work correctly untill at least a few runs.

Try turning the steering with engine off, does it make any difference?

Roy
Was this
answer
helpful?
Yes
No
Saturday, December 29th, 2012 AT 8:44 PM
Tiny
ALFREDM8702
  • MEMBER
  • 109 POSTS
It doesn't say just the eps light indicator is on we have a snap on scanner but does not read steering codes
Was this
answer
helpful?
Yes
No
Saturday, December 29th, 2012 AT 8:45 PM

Please login or register to post a reply.