2007 Honda Civic A/C fan

Tiny
JOSHB1188
  • MEMBER
  • 2007 HONDA CIVIC
  • 4 CYL
I had my a/c system replaced last year.  After I got it back everything was fine for several months.  Then my a/c compressor fan would constantly run.  The fan eventually began making noise and basically burnt up.  I recently replaced the fan myself and it works great.  The problem is now that the fan continues to run about 99% of the time that the a/c is running.  It will cycle off for a short time but then turn right back on.  I read online that it could be the blower relay so I switched that out which was just a fuse.  The fan continues to run.


I read more online and it sounds like it could be the a/c switch or the a/c accumulator but I don't want to just throw parts at it in the hopes it will get fixed.  With summer right around the corner I am worried that the fan will just burn out again.


Any help would be greatly appreciated.


Thank you,

Josh

Monday, May 5th, 2014 AT 7:19 PM

3 Replies

Tiny
HMAC300
  • MECHANIC
  • 48,601 POSTS
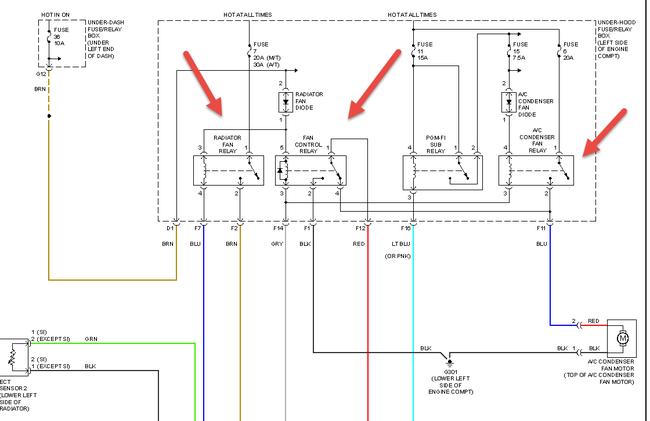
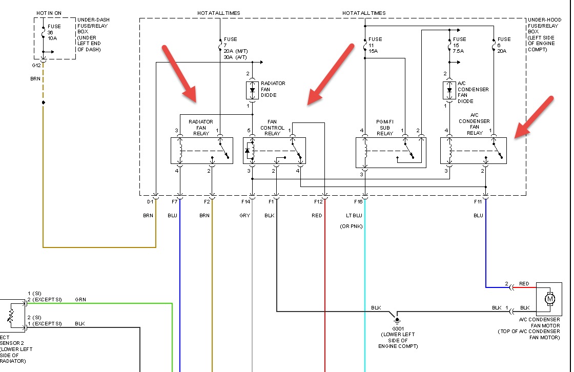
Whenever a/c is on fan will run for a long time to keep condenser cool. There is afan for the condenser and one for the radiator. Check relays to which fan is the problem they are pointed out in pic and are underhood.
Was this
answer
helpful?
Yes
No
Tuesday, May 6th, 2014 AT 6:15 AM
Tiny
JOSHB1188
  • MEMBER
  • 2 POSTS
Ok. I will look into that. But maybe I misspoke in my original email. I replaced the a/c fan relay already which was located in the under hood fuse box and had a picture of a snowflake on it.

I know its the a/c condenser fan running. But in you opinion I should swap out the other relays as well?
Was this
answer
helpful?
Yes
No
Tuesday, May 6th, 2014 AT 8:13 AM
Tiny
HMAC300
  • MECHANIC
  • 48,601 POSTS
Check tosee if they are getting power first it may be a fuse box problem or wiggle them if the fan kicks on then try bending prongs on relay just a tad to see if it will work.
Was this
answer
helpful?
Yes
No
Tuesday, May 6th, 2014 AT 9:25 AM

Please login or register to post a reply.