Monday, March 4th, 2019 AT 6:01 PM
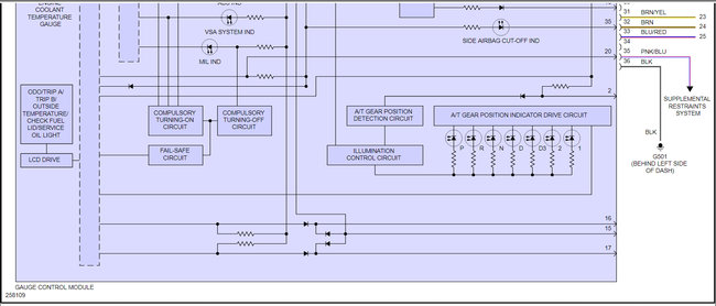
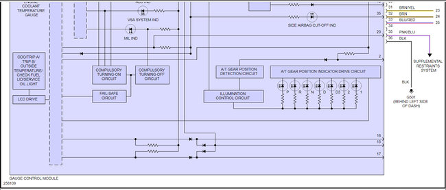
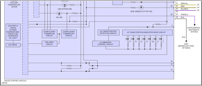
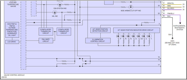
My car was stolen and recovered a week later. The thief messed up the immobilizer and put a different ECU and the car keeps cranking but not starting. So I towed the car to dealer to fix it. Finally, a new immobilizer was installed and the original ECU was reconnected, dealer did some programming so the car can start. However, when I drive the car, I found that the instrument gauges has a problem. Speedometer, RPM, temperature gauges are not working (needle not moving at all), the number on the odometer and trip meter are not changing while driving. The only one working is the fuel gauge. Besides, the lights on the instruments work. The engine light is on. The dealer said it could be the problem of dash harness, but not sure. I am wondering it is related to a fuse or the ECU?
































