Where is the oil pressure sensor located

Tiny
ANONYMOUS
  • MEMBER
  • 2007 GMC YUKON
  • 112,000 MILES
Where is the oil pressure sensor located
Tuesday, December 18th, 2012 AT 3:58 AM

1 Reply

Tiny
ASEMASTER6371
  • MECHANIC
  • 52,796 POSTS
Engine Oil Pressure Sensor and/or Switch Replacement

Tools Required

J 41712 Oil Pressure Switch Socket

Removal Procedure

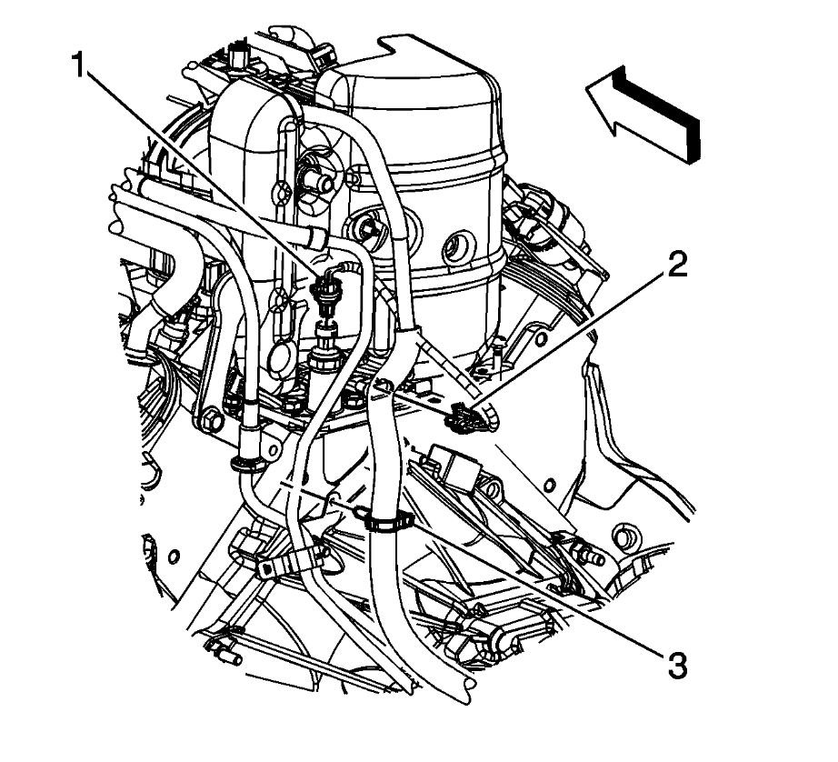
Remove the intake manifold.
Disconnect the engine harness electrical connector (1) from the oil pressure sensor.

If not equipped with active fuel management perform the following step, using J 41712 or equivalent, remove the oil pressure sensor (706) and washer (707).

If equipped with active fuel management perform the following step, using J 41712 or equivalent, remove the oil pressure sensor (706) and washer (707).

Installation Procedure

Apply sealant to the threads of the NEW oil pressure sensor. Refer to Sealers, Adhesives, and Lubricants.

Notice: Refer to Fastener Notice.

If equipped with active fuel management perform the following step, using J 41712 or equivalent. Install the oil pressure sensor (706) and washer (707).

Tighten the sensor to 35 N.M (26 lb ft).

If not equipped with active fuel management, perform the following step, using J 41712 or equivalent. Install the oil pressure sensor (706) and washer (707).

Connect the engine harness electrical connector (1) to the oil pressure sensor.

Tighten the sensor to 35 N.M (26 lb ft).

Install the intake manifold.

There is a picture below of the location
Was this
answer
helpful?
Yes
No
Tuesday, December 18th, 2012 AT 4:00 AM

Please login or register to post a reply.