I recently experienced that when I brake I hear a grinding noise

Tiny
BHUNT30
  • MEMBER
  • 2007 GMC ENVOY
  • 120,000 MILES
Hello, I have '07 Envoy & I recently experienced that when I brake I hear a grinding noise I think I need brakes
Tuesday, September 18th, 2012 AT 1:37 PM

2 Replies

Tiny
ASEMASTER6371
  • MECHANIC
  • 52,796 POSTS
Good afternoon,

I attached the procedure for you below.

https://www.2carpros.com/articles/how-to-replace-front-brake-pads-and-rotors-fwd

Roy

Front Disc Brake Pads Replacement

Caution: Refer to Brake Dust Caution.

Removal Procedure

imageOpen In New TabZoom/Print

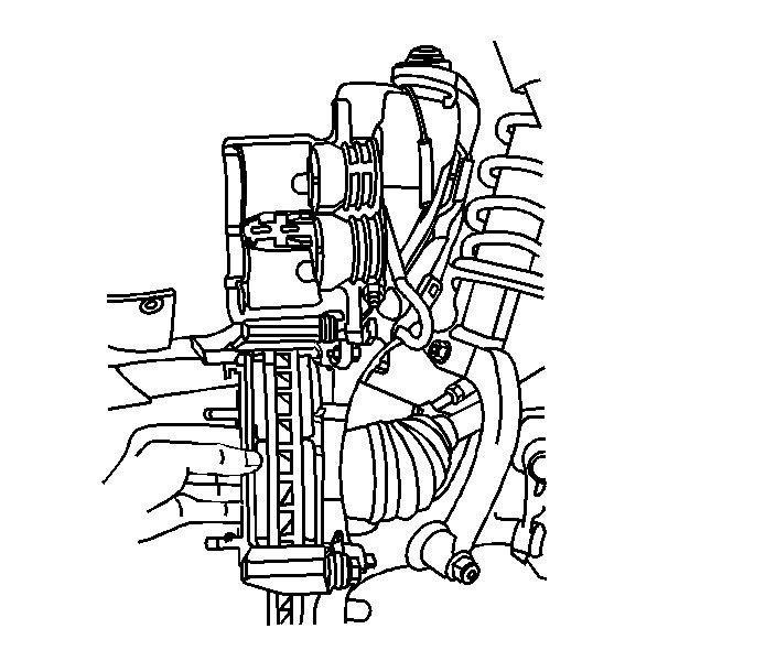
1. Inspect the brake fluid level in the brake master cylinder reservoir.
2. If the brake fluid is midway between the maximum-full point and the minimum allowable level, no brake fluid needs to be removed from the reservoir before proceeding.

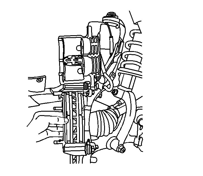
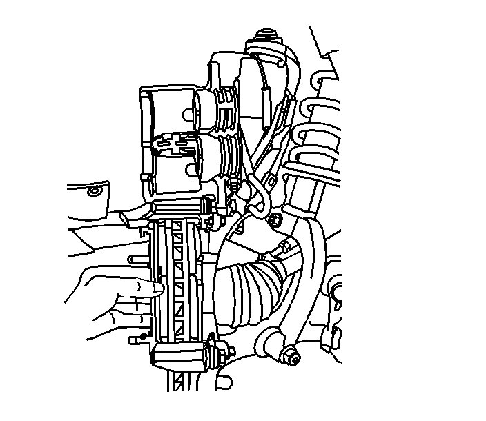
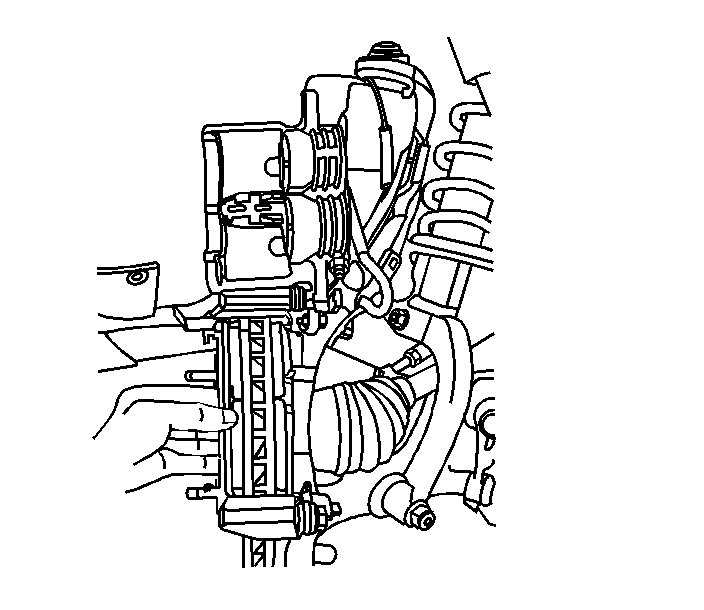
imageOpen In New TabZoom/Print

3. If the brake fluid level is higher than midway between the maximum-full point and the minimum allowable level, remove the brake fluid with appropriate tool to the midway point before proceeding.
4. Raise the vehicle. Refer to Lifting and Jacking the Vehicle.
5. Remove the tire and wheel assembly. Refer to Tire and Wheel Removal and Installation.

imageOpen In New TabZoom/Print

6. Compress the front brake caliper pistons.

1. Install a large C-clamp over the top of the brake caliper housing and against the back of the outboard brake pad.
2. Slowly tighten the C-clamp until the pistons push into the brake caliper enough to slide the brake caliper off the rotor.
3. Remove the C-clamp from the brake caliper.

imageOpen In New TabZoom/Print

7. Remove the lower mounting bolt from the guide pin.

imageOpen In New TabZoom/Print

8. Rotate the brake caliper upward until it stops.

imageOpen In New TabZoom/Print

9. Remove the outboard brake pad.

imageOpen In New TabZoom/Print

10. Remove the inboard brake pad.

imageOpen In New TabZoom/Print

11. Remove the brake pad retaining clips from the brake caliper mounting bracket and discard.
12. Remove all foreign material from the brake caliper using denatured alcohol.
Was this
answer
helpful?
Yes
No
Wednesday, February 10th, 2021 AT 1:59 PM
Tiny
JACOBANDNICKOLAS
  • MECHANIC
  • 110,194 POSTS
Hi,

Replacing front brakes isn't too hard to do. You can expect to get approximately 25,000 miles from a set of pads, but that is based on the driver.

First, here is a link that shows how to replace brakes and rotors in general. You can use this as a guide.

https://www.2carpros.com/articles/how-to-replace-front-brake-pads-and-rotors-fwd
_________________________________

Here are the directions specific to your vehicle. The attached pics correlate with the directions.

________________________________

2007 GMC Truck Envoy 2WD L6-4.2L
Front Disc Brake Pads Replacement
Vehicle Brakes and Traction Control Disc Brake System Brake Pad Service and Repair Removal and Replacement Front Disc Brake Pads Replacement
FRONT DISC BRAKE PADS REPLACEMENT
Front Disc Brake Pads Replacement

Caution: Refer to Brake Dust Caution.

Removal Procedure

pic 1

1. Inspect the brake fluid level in the brake master cylinder reservoir.
2. If the brake fluid is midway between the maximum-full point and the minimum allowable level, no brake fluid needs to be removed from the reservoir before proceeding.

pic 2

3. If the brake fluid level is higher than midway between the maximum-full point and the minimum allowable level, remove the brake fluid with appropriate tool to the midway point before proceeding.
4. Raise the vehicle. Refer to Lifting and Jacking the Vehicle.
5. Remove the tire and wheel assembly. Refer to Tire and Wheel Removal and Installation.

pic 3

6. Compress the front brake caliper pistons.

1. Install a large C-clamp over the top of the brake caliper housing and against the back of the outboard brake pad.
2. Slowly tighten the C-clamp until the pistons push into the brake caliper enough to slide the brake caliper off the rotor.
3. Remove the C-clamp from the brake caliper.

pic 4

7. Remove the lower mounting bolt from the guide pin.

pic 5

8. Rotate the brake caliper upward until it stops.

pic 6

9. Remove the outboard brake pad.

pic 7

10. Remove the inboard brake pad.

pic 8

11. Remove the brake pad retaining clips from the brake caliper mounting bracket and discard.
12. Remove all foreign material from the brake caliper using denatured alcohol.

Installation Procedure

pic 9

Important: When installing new brake pads, DO NOT reuse the old retaining clips for the brake pad. Use only NEW brake pad retaining clips.

1. Install the brake pad retaining clips to the brake caliper mounting bracket.

pic 10

Important: Use care when installing the pad so the spreader springs are not excessively deformed.

2. Install the inboard brake pad.

pic 11

Important: Use care when installing the pad so the spreader springs are not excessively deformed.

3. Install the outboard brake pad.
4. Rotate the brake caliper down into position.

pic 12

Notice: Refer to Fastener Notice.

5. Install the lower brake caliper guide pin bolt.

Tighten the brake caliper guide pin bolt to 64 N.m (47 lb ft).

6. Install the tire and wheel assembly. Refer to Tire and Wheel Removal and Installation.
7. Lower the vehicle. Refer to Lifting and Jacking the Vehicle.
8. Fill the brake master cylinder reservoir. Refer to Master Cylinder Reservoir Filling.

Caution: Refer to Firm Brake Pedal Caution.

9. Pump the brake pedal slowly and firmly to seat the brake pads.
10. Burnish the new brake pads. Refer to Brake Pad and Rotor Burnishing.

______________________________________

Rotors

2007 GMC Truck Envoy 2WD L6-4.2L
Front Brake Rotor Replacement
Vehicle Brakes and Traction Control Disc Brake System Brake Rotor/Disc Service and Repair Removal and Replacement Front Brake Rotor Replacement
FRONT BRAKE ROTOR REPLACEMENT
Front Brake Rotor Replacement

Tools Required

J 42450-A Wheel Hub Cleaning Kit

Caution: Refer to Brake Dust Caution.

Removal Procedure

1. Inspect the brake fluid level in the brake master cylinder reservoir.
2. If the brake fluid is midway between the maximum-full point and the minimum allowable level, no brake fluid needs to be removed from the reservoir before proceeding.

3. If the brake fluid level is higher than midway between the maximum-full point and the minimum allowable level, using a appropriate tool, remove the brake fluid to the midway point before proceeding.
4. Raise the vehicle. Refer to Lifting and Jacking the Vehicle.
5. Remove the tire and wheel assembly. Refer to Tire and Wheel Removal and Installation.

pic 13

6. Compress the front brake caliper piston.

1. Install a large C-clamp over the top of the brake caliper housing and against the back of the outboard brake pad.
2. Slowly tighten the C-clamp until the piston pushes into the brake caliper enough to slide the brake caliper off the rotor.
3. Remove the C-clamp from the brake caliper.

pic 14

7. Remove the mounting bolts from the brake caliper mounting bracket.

pic 15

Important: When performing the following service procedure, the front brake caliper assembly and the front brake caliper mounting bracket can be removed as an assembly.

8. Remove the brake caliper and mounting bracket assembly. Refer to Front Brake Caliper Bracket Replacement.

pic 16

9. Remove the retaining clips from the brake rotor.

pic 17

Notice: Whenever the brake rotor has been separated from the wheel bearing flange, clean any rust or foreign material from the mating surface of the rotor and flange with the J 42450 hub cleaning kit. Failure to do this may result in increased lateral runout of the rotor and brake pulsation.

Important: If the brake rotor is not going to be replaced but just removed from the front hub, mark the relationship of the brake rotor and a wheel stud.

10. Remove the front brake rotor from the wheel hub.

pic 18

11. Using the J 42450-A, clean the brake rotor contact area on the front hub.

Installation Procedure

pic 19

Important: Ensure that the relationship marks on the brake rotor and the wheel stud are aligned before installing the brake rotor.

1. Install the brake rotor to the wheel hub.

pic 20

2. Install the brake caliper assembly to the steering knuckle.

pic 21

Notice: Refer to Fastener Notice.

3. Install the brake caliper mounting bolt.

Tighten the brake caliper bracket mounting bolt to 150 N.m (110 lb ft).

4. Install the tire and wheel assembly. Refer to Tire and Wheel Removal and Installation.
5. Lower the vehicle. Refer to Lifting and Jacking the Vehicle.
6. Fill the brake master cylinder to the proper level. Refer to Master Cylinder Reservoir Filling.

Caution: Refer to Firm Brake Pedal Caution.

7. Pump the brake pedal slowly and firmly in order to seat the brake pads.
8. Burnish the replaced or refinished rotors. Refer to Brake Pad and Rotor Burnishing.

_______________________________________

I hope this helps. Let me know if you have other questions.

Take care and God Bless,

Joe
Was this
answer
helpful?
Yes
No
Wednesday, February 10th, 2021 AT 2:02 PM

Please login or register to post a reply.