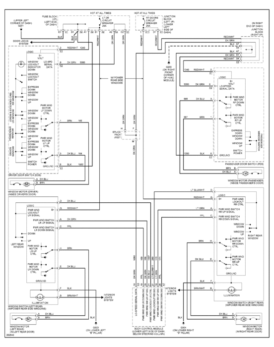
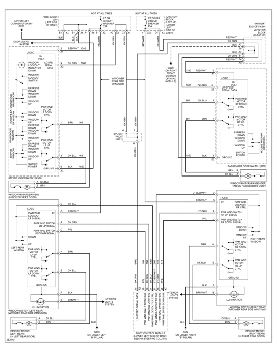
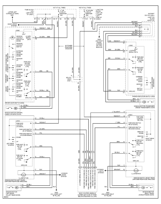
Tuesday, December 7th, 2010 AT 7:53 PM
My 2007 gmc 1500 drivers side door controls do not work. Windows, locks, mirrors, even when I use the remote to unlock it does nothing

