Friday, June 7th, 2013 AT 1:24 AM
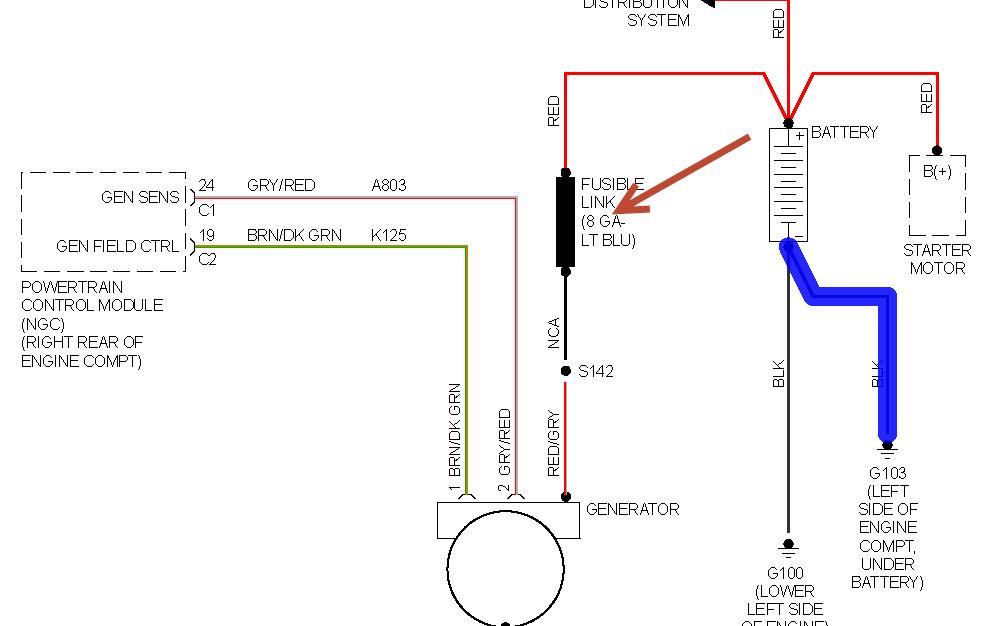
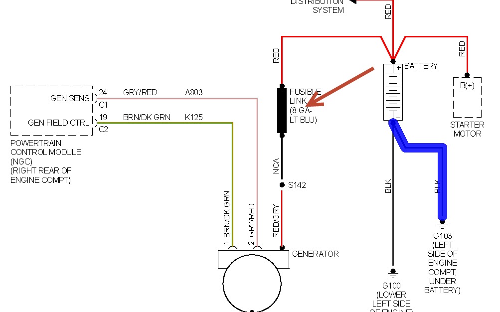
I changed the serpintine belt in my 2007 dodge nitro and now my sub will not start without a jump and I took it to auto zone and they said my battery and alternator are fine I really need the problem fixed due to the fact I'm a traveling nurse


