Tuesday, February 18th, 2014 AT 8:42 AM
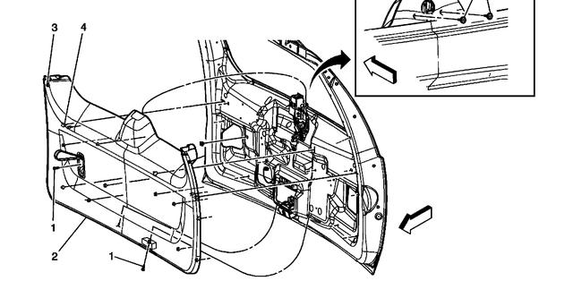
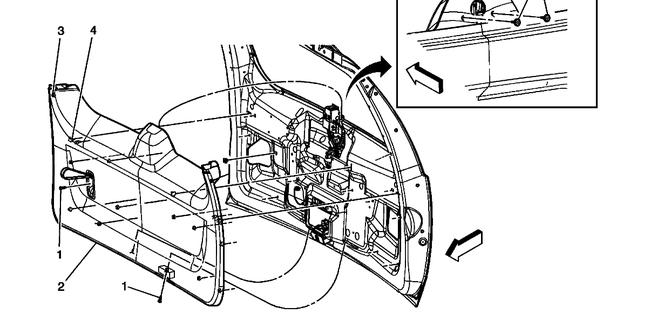
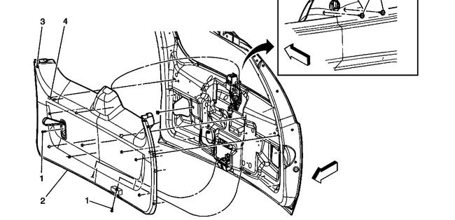
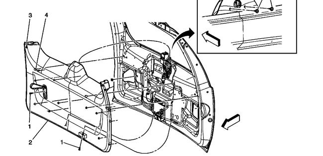
Rear door will not open it will unlock but does not open by itself we have to open it manually then we have to slam door hard to close





