My cooling fan not working

Tiny
SUPERKICKER
  • MEMBER
  • 2007 CHEVROLET COBALT
  • 85,000 MILES
The radiator cooling fan comes on when a/c is on and also if I turn the heat up anywhere past 1/4 towards hot (not dependent on interior fan blowing speed or direction). I know this sounds wierd, but it's something I have been paying EXTREMELY close attention to for 1 year now. If I let the car sit with the A/C off and just cold air coming in from outside on VENT, the temp immediately climbs and will keep climbing with the fan not turning on (been up to 235 before) It wasn't doing this for the first 3 months I had it. I have tested and swapped relays and it doesn't change anything. If I take the grounded test light and touch the hot side of where the relay plugs in, it will activate the fan for as long as I hold it there with engine off. I have tried everything and am ready to just hard wire it to a switch inside the car so I can manually leave it on when I want. Also, the a/c comes on when I turn on ONLY the recirculate button while the a/c button is off. Normal? I just need to know where else I can check before I get beaten down by the dealer costs.

Thanks
Thursday, October 20th, 2011 AT 10:48 PM

2 Replies

Tiny
GMTECH
  • MECHANIC
  • 537 POSTS
Hello,

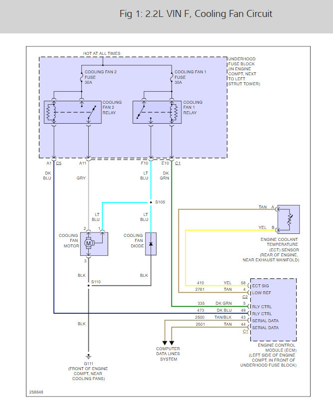
I have seen this problem before it was the PCM causing the issue I would try to find a used or rebuilt unit from ebay. Here are the cooling fan wiring diagrams and the PCM location so you can see how the system works below.

Check out the diagrams (Below). Please let us know what happens.
Was this
answer
helpful?
Yes
No
+1
Monday, November 7th, 2011 AT 6:49 PM
Tiny
EMT037
  • MEMBER
  • 0 POST
I had to replace the PCM cost me $150.00 for a rebuilt unit, all good now
Was this
answer
helpful?
Yes
No
+1
Saturday, February 23rd, 2019 AT 3:17 PM

Please login or register to post a reply.