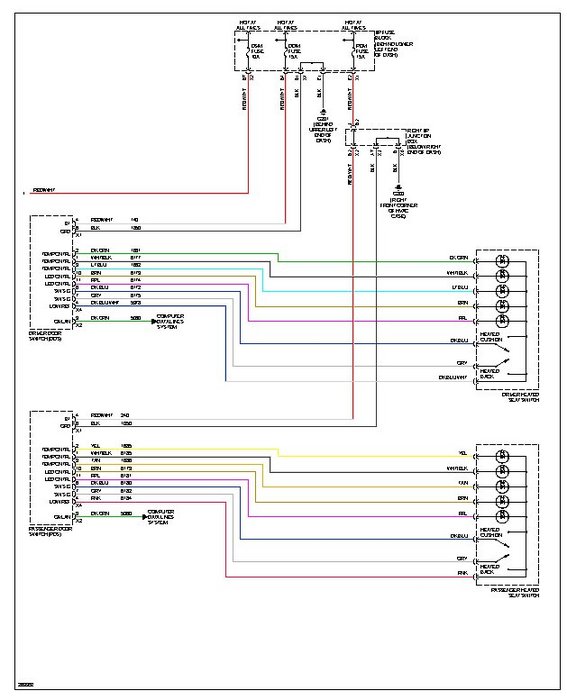
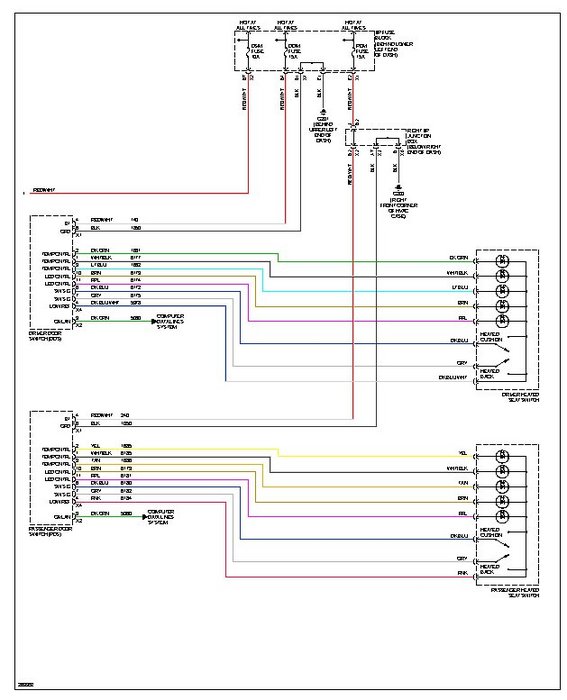
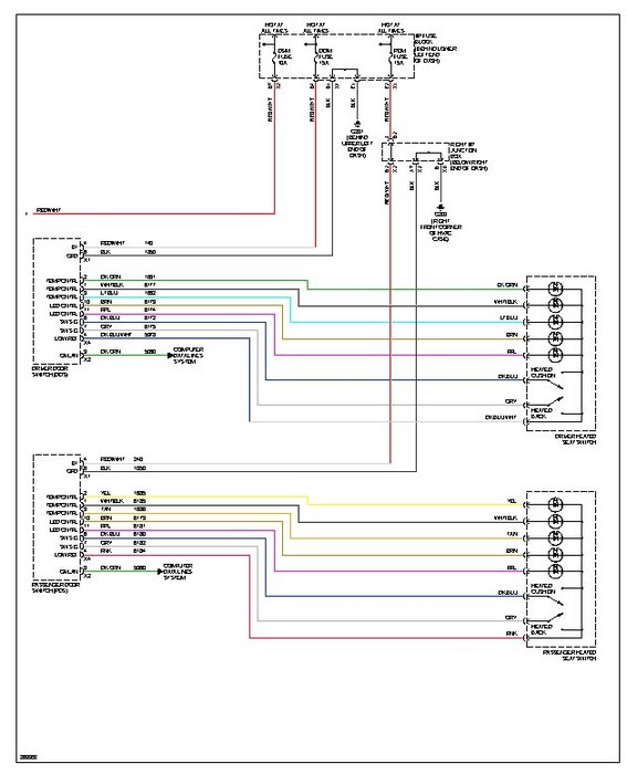
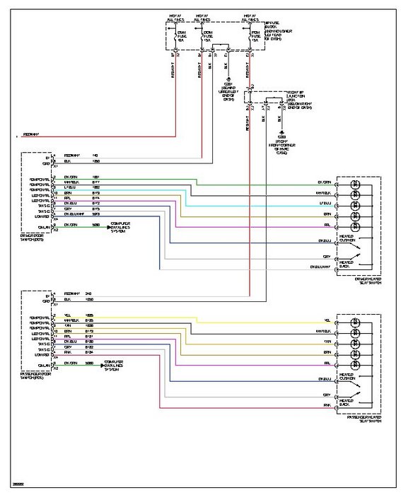
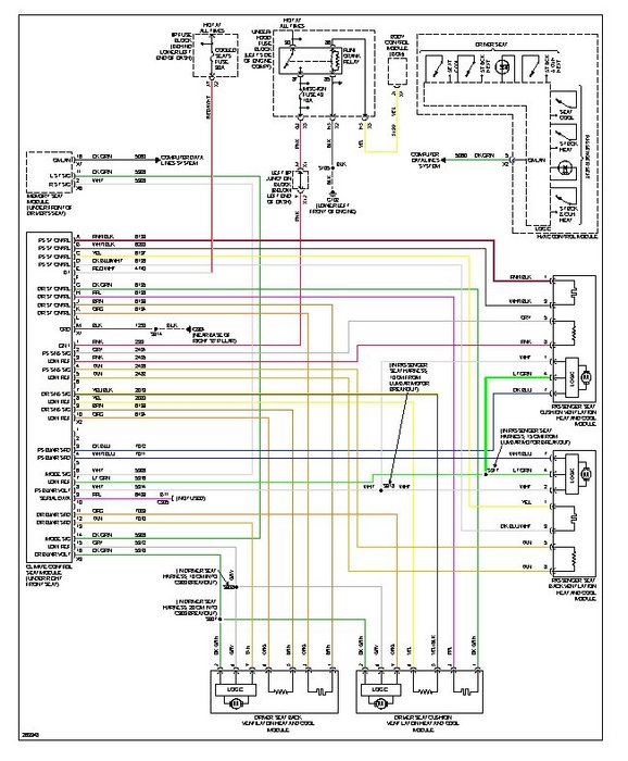
Friday, January 6th, 2012 AT 12:37 AM
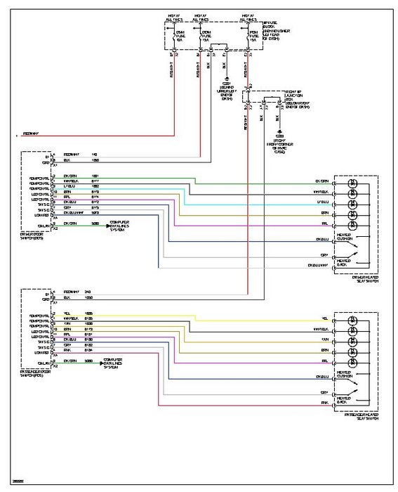
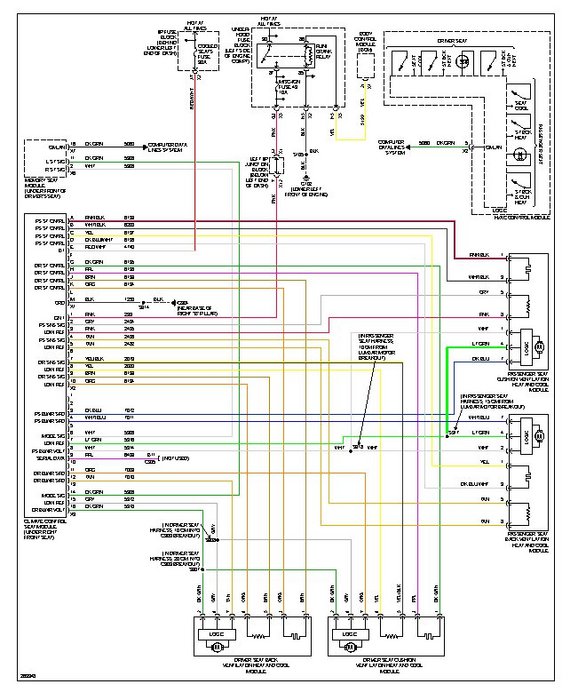
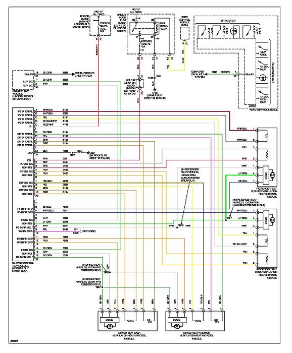
When I turn on the heat or cooling on either side, I can hear the module click on and then clicks off in 5 seconds. I have replaced the module under the passenger seat but didnt fix the problem. The display stays on on the dash. Every once and a great while it will work for a day or two but then acts up again. Please help.




