Wednesday, July 10th, 2013 AT 1:47 PM
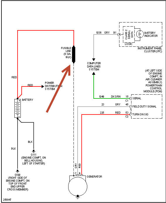
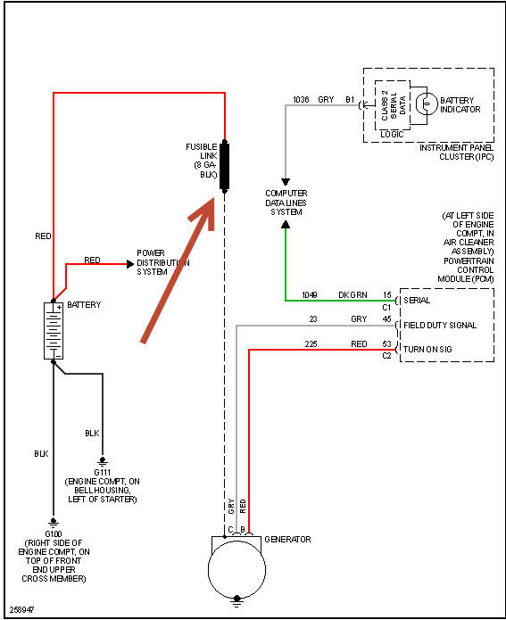
Like another questioner, when the engine is pushed to accelerate quickly, the battery warning lights come on and when pushed very hard all of the warning lights on the dashboard come on and the seatbelt alarm rings as well. At times under the hard push the engine seems to bog down a little bit as well. I've had the battery checked, the battery changed, the alternator changed and nothing seems to fix the problem. There is a spike in voltage happening upon acceleration and the technicians are stumped. Any thoughts on resolving this problem?


