Tuesday, September 3rd, 2013 AT 3:22 PM
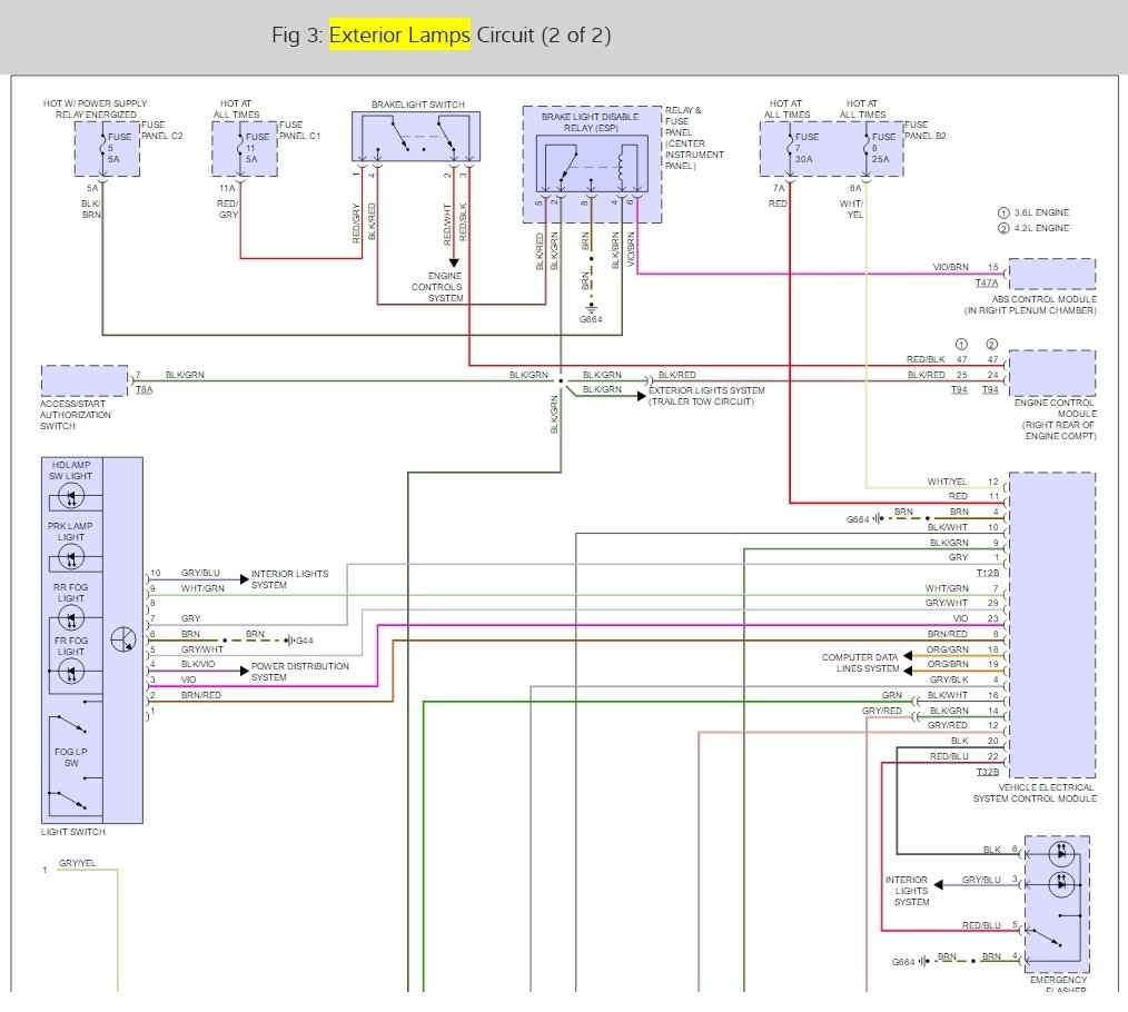
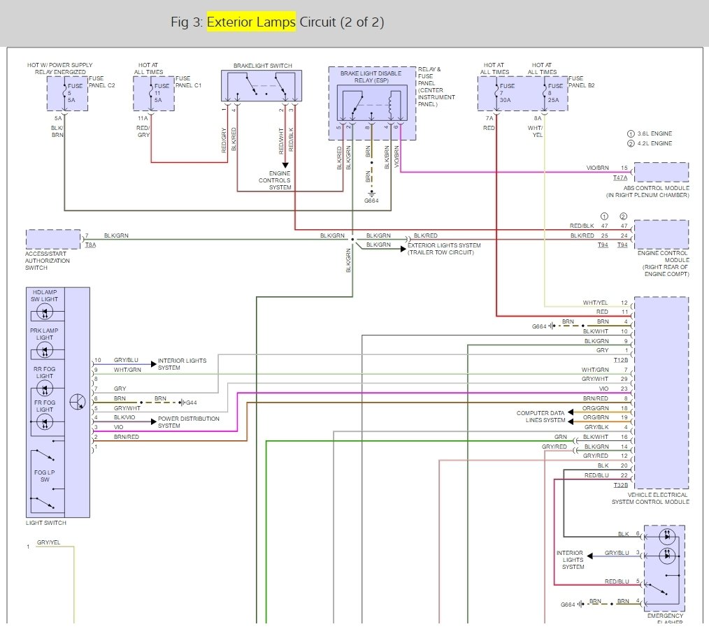
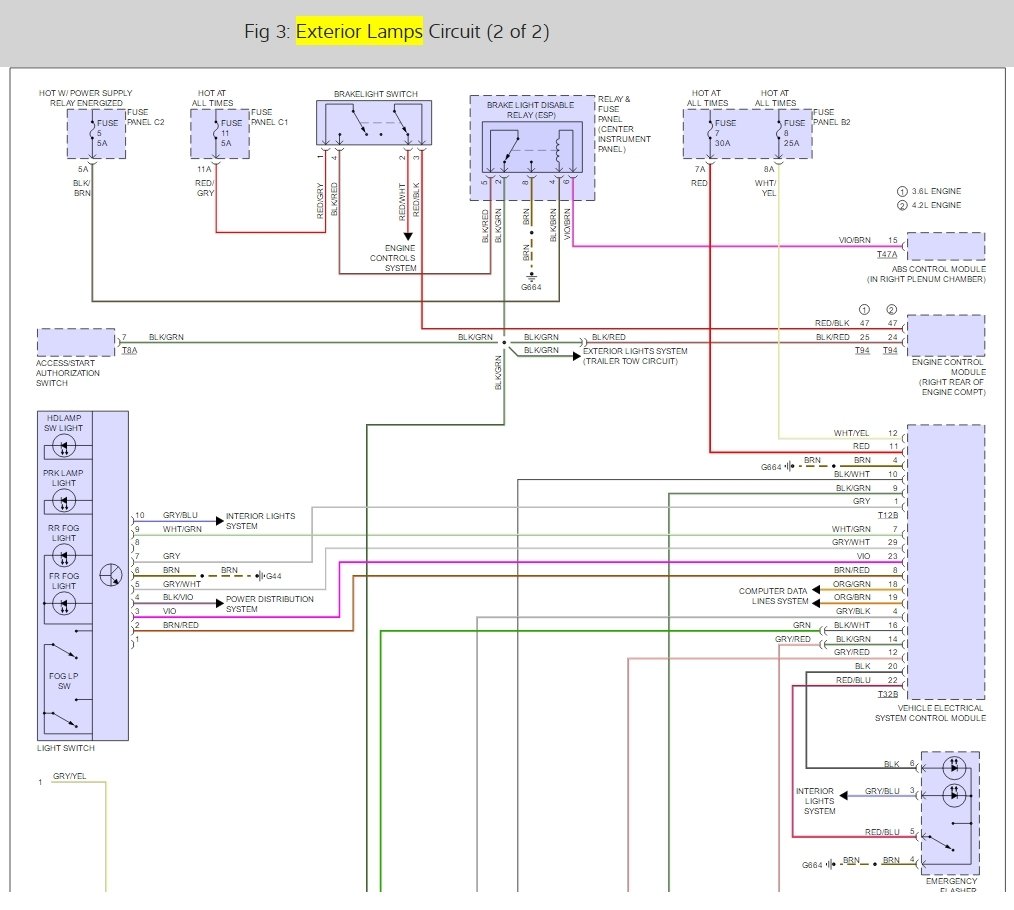
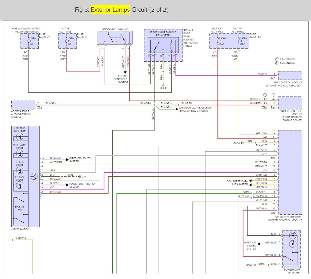
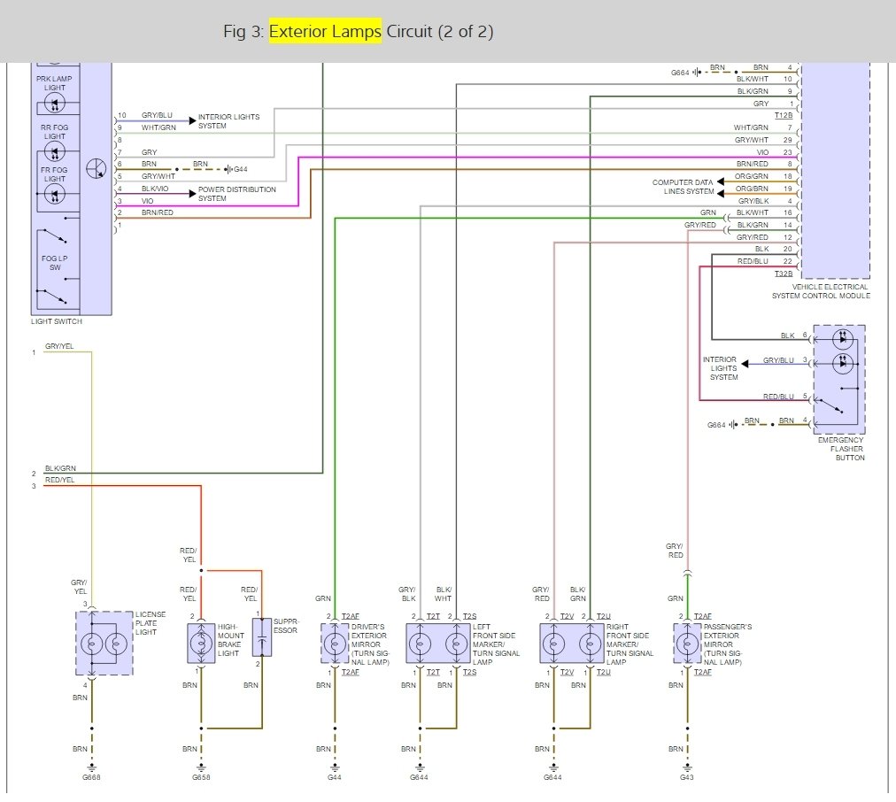
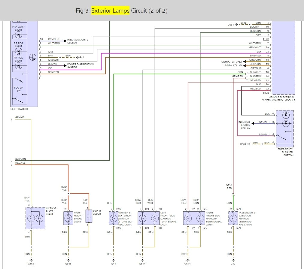
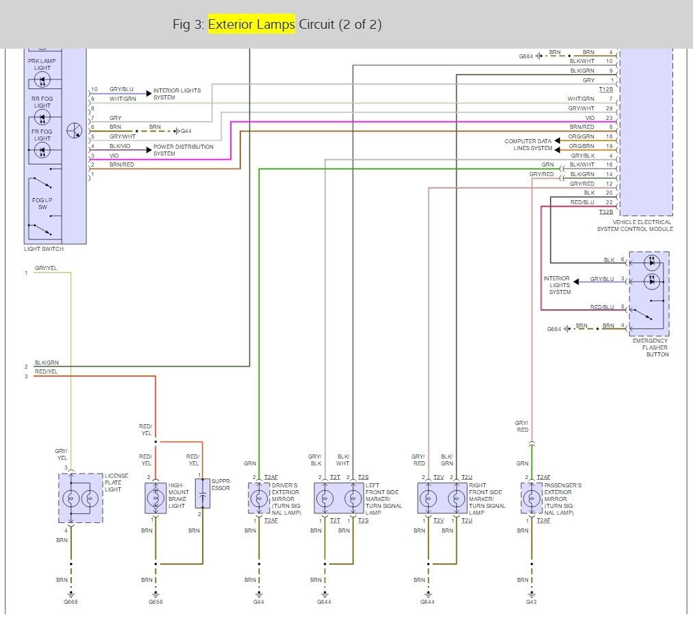
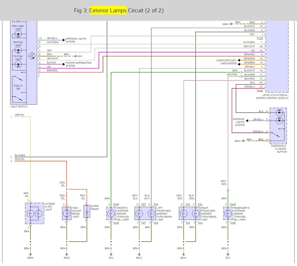
Need to know which ECM or power source controls the lights in the hatch? The third brake light works, the hatch release and the license plate lights all work, and the bulbs are new. Only the row of lights in the hatch are not working. Does not seem to be getting power to them. Any ideas?



