2007 and 2006 Azera driver side harness pin out needed?

Tiny
MHAAS75
  • MEMBER
  • 2007 HYUNDAI AZERA
  • 3.6L
  • 6 CYL
  • 2WD
  • MANUAL
  • 86,000 MILES
I have a 2007 Azera driver side headlight that I am replacing with a 2006.(I paid too much and got the wrong light and can't return it)

I want to wire a 2006 harness in with the 2007. (In case I switch back or sell), but I can't find the pin out for either to make life easier. Anybody know where I can get this information?

Thanks, much!

Mike
Monday, September 1st, 2025 AT 8:07 PM

3 Replies

Tiny
JACOBANDNICKOLAS
  • MECHANIC
  • 110,194 POSTS
Hi Mike,

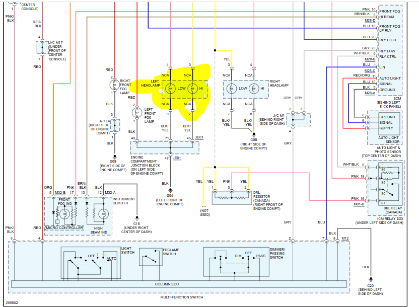
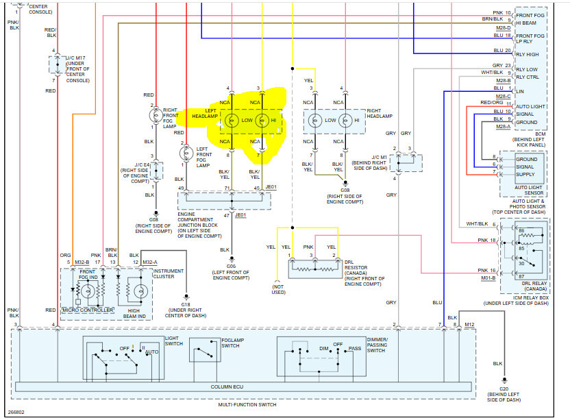
If you look below, I attached the wiring schematic for the headlamp circuits. I highlighted the left side.

I had to cut the pic in half to make it readable, but I did overlap the two so you can follow from one to the next.

Let me know if this helps or if you have other questions.

Take care,

Joe

See pics below.
Was this
answer
helpful?
Yes
No
Tuesday, September 2nd, 2025 AT 7:54 PM
Tiny
MHAAS75
  • MEMBER
  • 2 POSTS
Thanks Joe! I appreciate your response. I plan on getting back at it tomorrow and will let you know how things go.

Thanks again!
Was this
answer
helpful?
Yes
No
Tuesday, September 2nd, 2025 AT 9:00 PM
Tiny
KEN L
  • MASTER CERTIFIED MECHANIC
  • 55,535 POSTS
That would be great! JACOBANDNICKOLAS is one of our best!
Was this
answer
helpful?
Yes
No
Thursday, September 4th, 2025 AT 9:46 AM

Please login or register to post a reply.