vw polo fan resistor

2006 VOLKSWAGEN POLO
85,000 MILES
Avatar
CARLO G
  • MEMBER
  • 2 POSTS
Airconditior only works on speed number 4,previously only worked on 2,3&4, what can be done to remedy this problem?
Mar 25, 2012 at 2:10 PM
Repair Safety Notice: This information is for general instructional purposes only. Vehicle repair can be dangerous. Verify all information, follow manufacturer service procedures, use proper tools and safety equipment, and consult a qualified repair shop when needed.
Advertisement
Avatar
WRENCHTECH
  • CAR REPAIR CONTRIBUTOR
  • 20,761 POSTS
It sounds like you are on the right track with the resister but the circuit should be tested to be sure.
Mar 25, 2012 at 2:49 PM
Advertisement
Avatar
CARLO G
  • MEMBER
  • 2 POSTS
Could you please give me an indication of the exact location where the resistor is located aswell as what must be removed to get to it.

Thank You
Mar 25, 2012 at 2:54 PM
Avatar
WRENCHTECH
  • CAR REPAIR CONTRIBUTOR
  • 20,761 POSTS
No, I'm afraid i can't. that model is not sold here in the states, therefore it is not included in any service manual databases.
Mar 25, 2012 at 2:56 PM
Avatar
EXOVCDS
  • CAR REPAIR CONTRIBUTOR
  • 1,883 POSTS
Just a guess....

The resistor is usually mounted to the fresh air heater duct (for cooling), and is usually accessed
from under the dashboard.

The blower motor wiring will lead you to the resistor. Find the motor and follow the power
wire.

On some VWs, you have to remove the dash to gain access to both, on some you just have
to remove the glove box.

Where are you located? Europe, South America? I might be able to find more info for you.

I am not an expert, but I am willing to help.

Thomas
Mar 25, 2012 at 3:18 PM
Avatar
EXOVCDS
  • CAR REPAIR CONTRIBUTOR
  • 1,883 POSTS
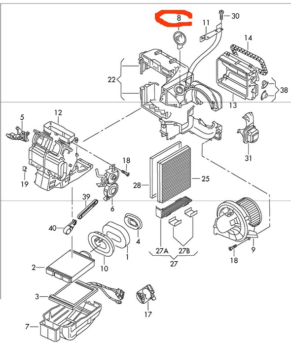
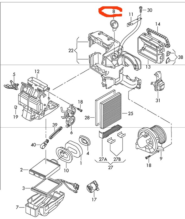
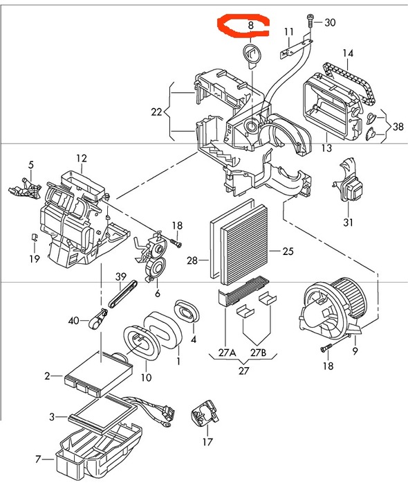
Have a look at the attached image... the resistor is #8. To the
left of the blower fan, just follow the power wire from the fan to
the resistor pack.

The fan is behind the glove box... at least according to the info I have.

Thomas
Mar 25, 2012 at 10:24 PM