Monday, March 7th, 2011 AT 4:10 PM
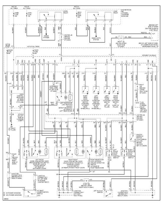
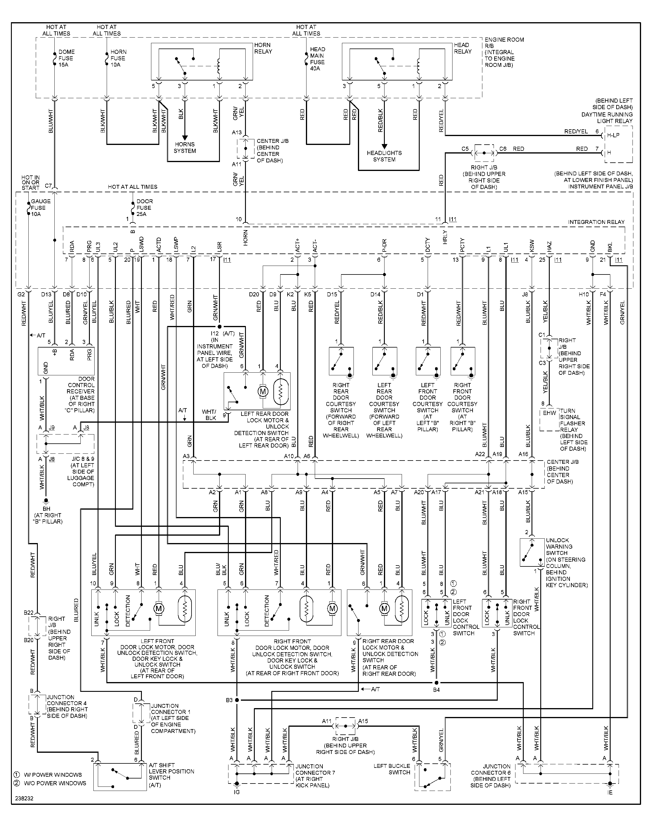
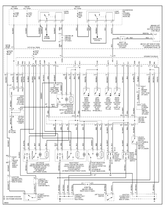
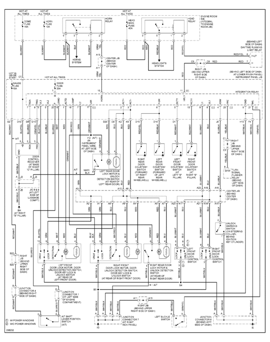
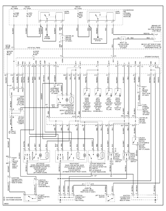
I have a 2006 toyato corolla S and the doors will not lock automatically nor will the keyless remote work. I have to lock and unlock with the key or by hand which is beginning to bug me. The light flashes when the button on the remote is pressed but thats all that happends HELP!
