How do I change the oil filter adapter housing.

Tiny
ANONYMOUS
  • MEMBER
  • 2006 PONTIAC G6
  • 88,000 MILES
How do I change the oil filter adapter housing gasket?
Tuesday, November 6th, 2012 AT 7:13 AM

1 Reply

Tiny
KEN L
  • MASTER CERTIFIED MECHANIC
  • 55,281 POSTS
Hello,

I would change the oil as long as you are doing the oil filter adapter.

Here is a guide to help you

https://www.2carpros.com/articles/how-to-change-engine-oil-and-filter

You must lift the car safely

https://www.2carpros.com/articles/jack-up-and-lift-your-car-safely

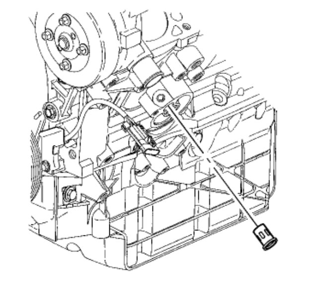
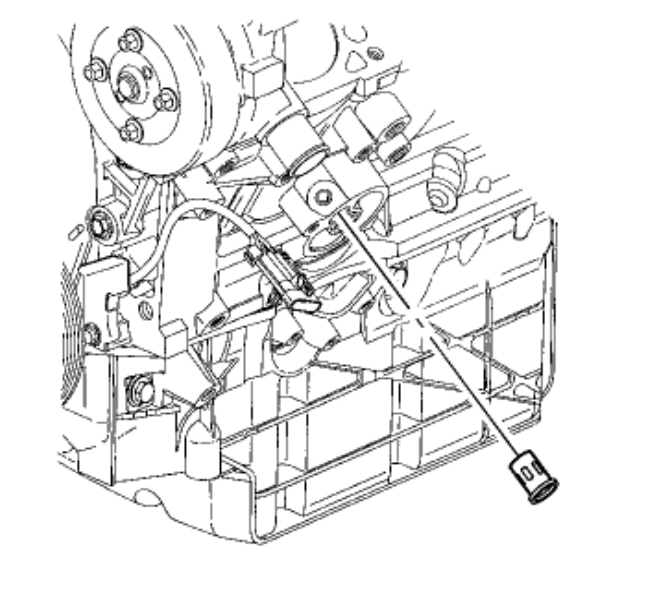
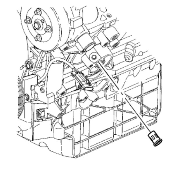
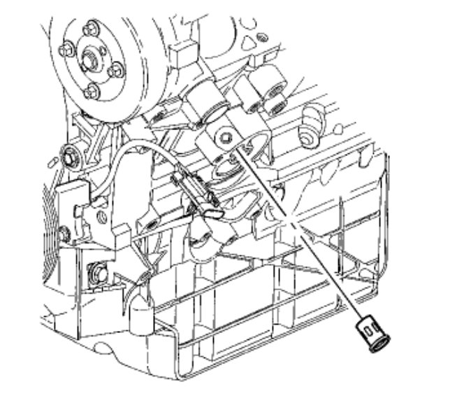
First the Gasket is Fel-Pro 72423

1. Drain oil.
2. Remove oil filter.
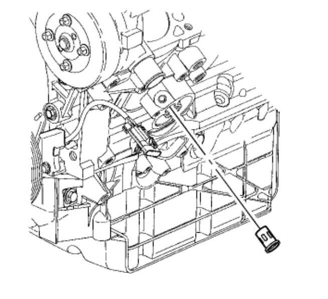
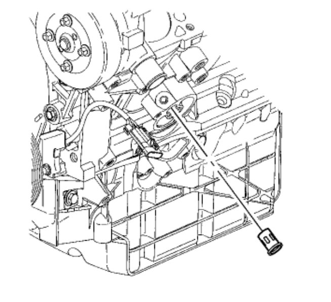
3. Remove the three fasteners retaining the oil filter adapter. One stud. One bolt and, one nut. Remove Adapter and Clean area.
4. Replacement is the reverse of removal.

Here are some diagrams (below)

Please let us know if you need anything else to get the problem fixed.

Cheers, Ken
Was this
answer
helpful?
Yes
No
+3
Wednesday, October 4th, 2017 AT 8:17 PM

Please login or register to post a reply.