2006 Mazda 6 inside blower not working

Tiny
MDAYE
  • MEMBER
  • 2006 MAZDA 6
  • 3.0L
  • V6
  • FWD
  • AUTOMATIC
  • 160,267 MILES
My inside blower will not blow at all, was working fine yesterday now today nothing, what could be the problem?
Monday, April 21st, 2014 AT 11:46 AM

5 Replies

Tiny
HMAC300
  • MECHANIC
  • 48,601 POSTS
Check fuse underhood fuse block and relay
Was this
answer
helpful?
Yes
No
+1
Monday, April 21st, 2014 AT 12:15 PM
Tiny
MDAYE
  • MEMBER
  • 3 POSTS
How would I know that it is blowed? It's a fuse with the metal in the inside
Was this
answer
helpful?
Yes
No
+2
Monday, April 21st, 2014 AT 2:55 PM
Tiny
HMAC300
  • MECHANIC
  • 48,601 POSTS
If you have a test light just probe it on both sides. If it lights up then its' good.
Was this
answer
helpful?
Yes
No
+1
Monday, April 21st, 2014 AT 3:28 PM
Tiny
MDAYE
  • MEMBER
  • 3 POSTS
I checked the fuses and the Are good
Was this
answer
helpful?
Yes
No
+2
Tuesday, April 22nd, 2014 AT 3:02 PM
Tiny
HMAC300
  • MECHANIC
  • 48,601 POSTS
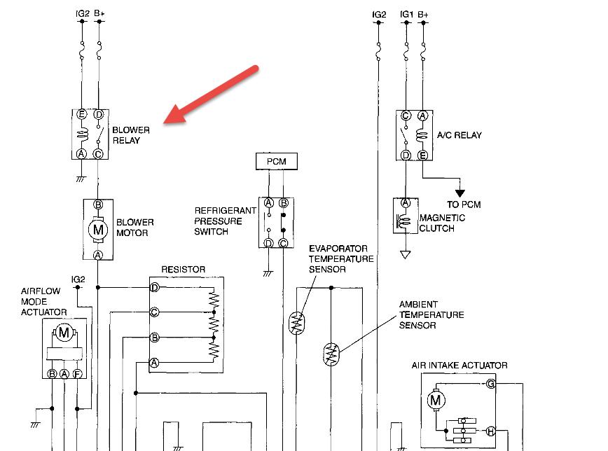
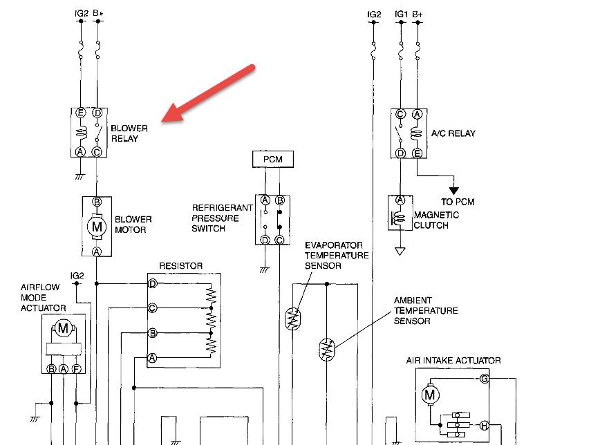
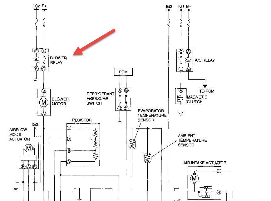
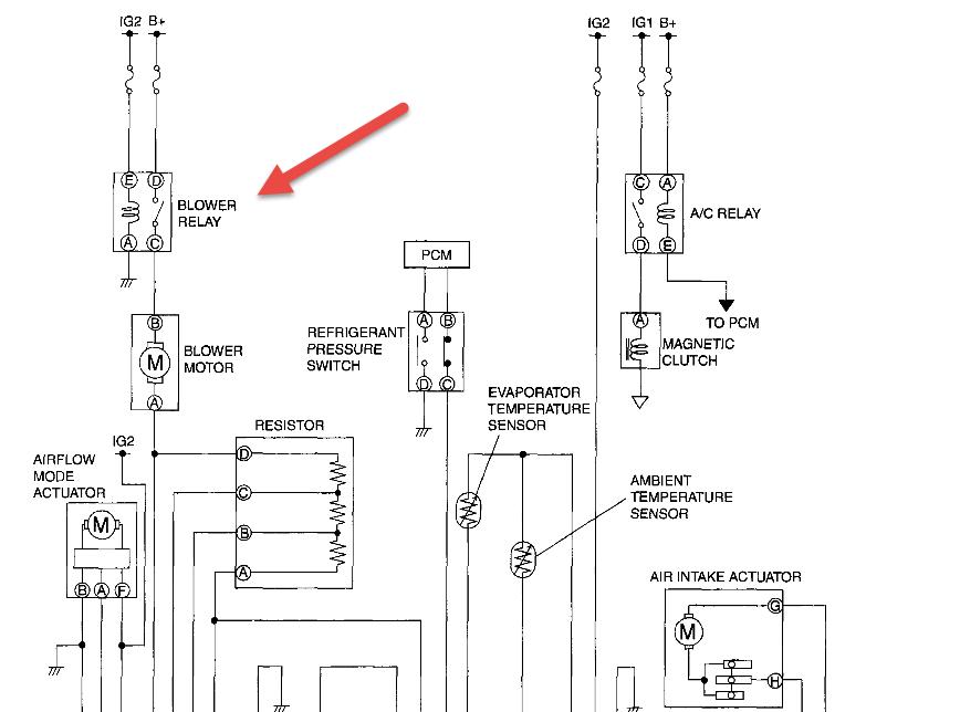
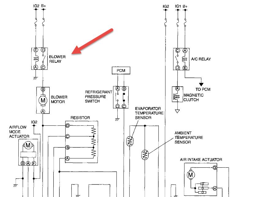
Check to see if blower is getting power or not if it is then the blower is shot. See the pic I've sent. Also check tosee if relay is working. If those are ok then have it scanned because it may be the control unit.
Was this
answer
helpful?
Yes
No
-1
Tuesday, April 22nd, 2014 AT 3:11 PM

Please login or register to post a reply.