Wednesday, October 21st, 2015 AT 4:50 PM
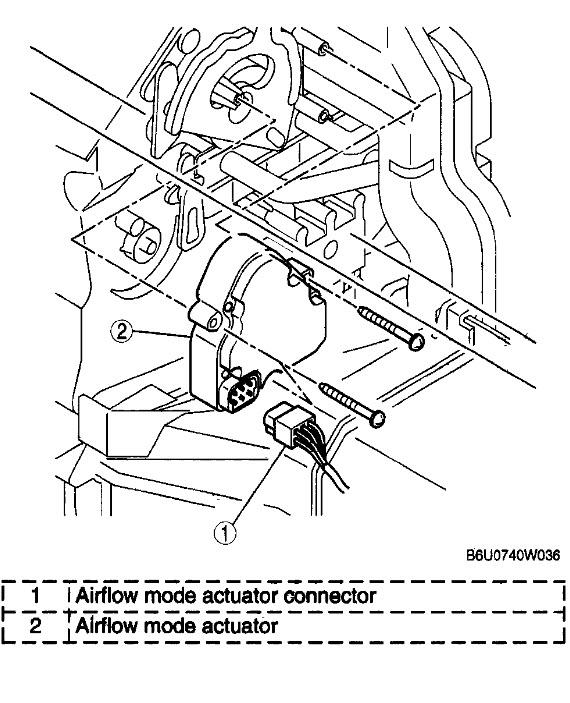
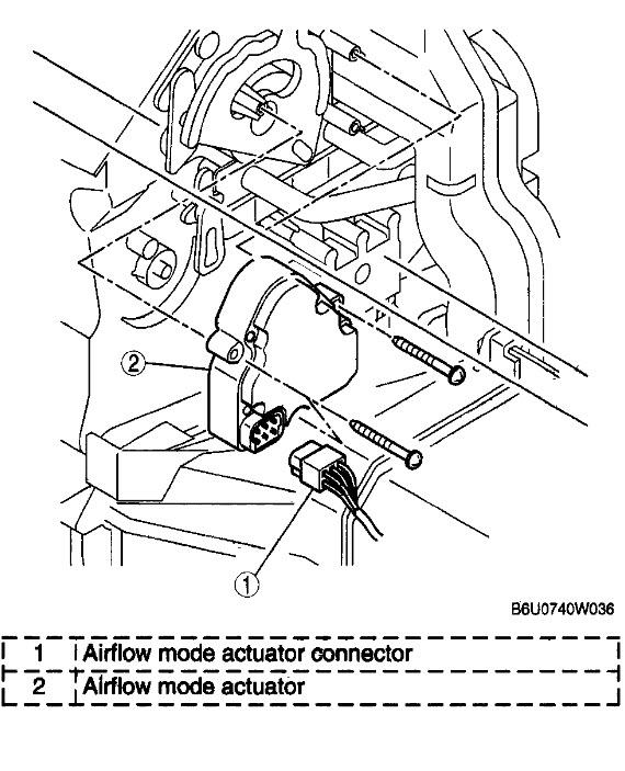
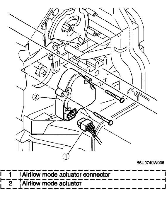
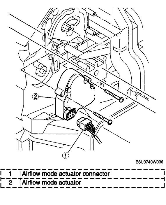
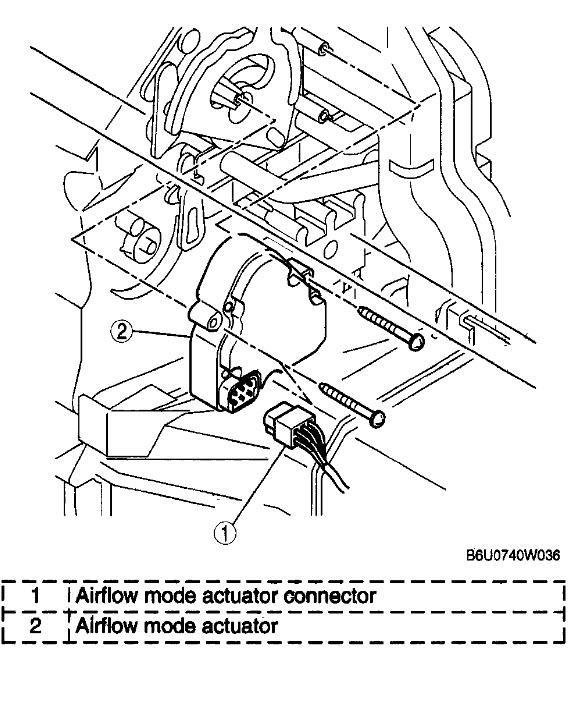
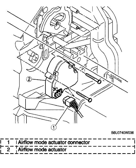
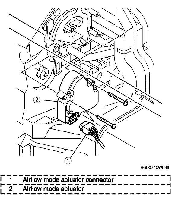
Ok, since last winter I have had problems with the air vents. It used to get stuck on defrost mode and wouldnt change to front vents or floor. Now it seems to be a little different. When I change it to defost it seems to change to floor only which is like 1 or 2 spaces before defrost. I noticed that when I have it set to recycled air and I change it to defrost that the air type does change to outside air from recycled as if the vents were changed to defrost so I think it is seeing that it is put in defrost just not blowing from the top defrost vents like it should. Any ideas of what this could be? We are about to be hitting winter weather and I need my defrost to be able to drive. Please let me know as soon as possible. Thank you.



