Both my left turn signal bulbs started flashing.

Tiny
ANONYMOUS
  • MEMBER
  • 2006 KIA SPECTRA
  • 80,000 MILES
Both my left turn signal bulbs started flashing quickly so I replaced both with the correct bulbs but they still flash quickly. They also do not light when I turn the lights on at night. I replaced the flasher module behind the emergency flasher and it still does the same thing. All bulbs flash slowly when the emergency flasher is on.
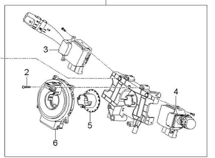
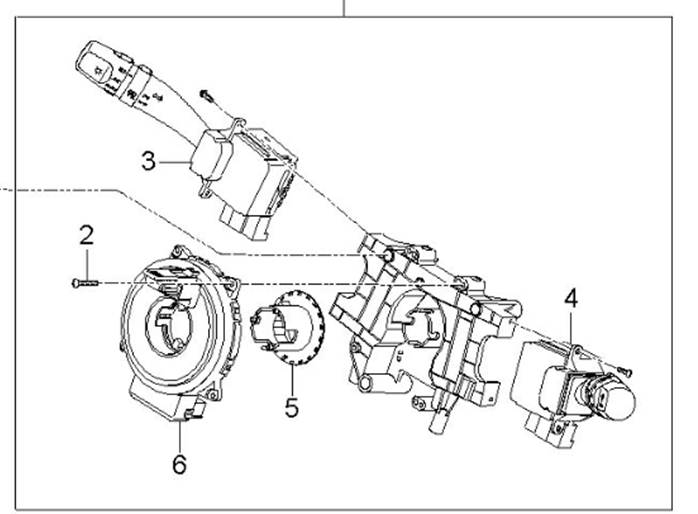
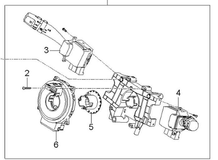
Could it be multi function light control lever assembly and how hard it is to replace that?
Thursday, October 25th, 2012 AT 1:36 PM

1 Reply

Tiny
KHLOW2008
  • MECHANIC
  • 41,814 POSTS
At the multifunction switch, terminal # 14 is a Green wire. Ground it to test if the taillights comes on.

Replacing the switch (item # 4) is not too difficult as it can be replaced separately but test to cinfirm it is bad first.

The lights arelinked to the BCM so it is possible you have a faulty BCM.
Was this
answer
helpful?
Yes
No
Thursday, October 25th, 2012 AT 2:17 PM

Please login or register to post a reply.