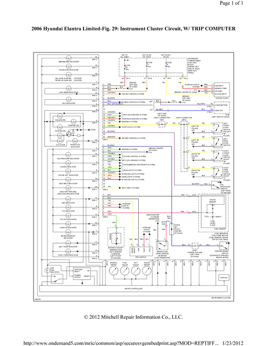
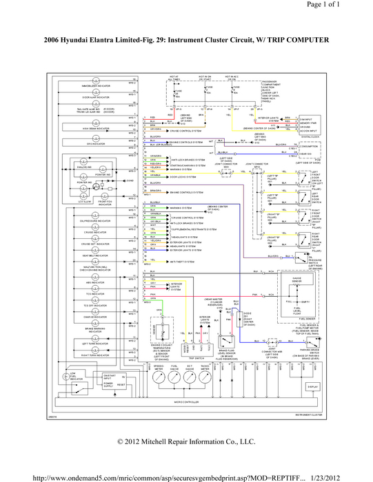
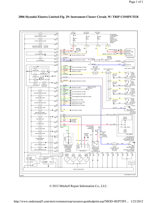
Monday, January 23rd, 2012 AT 8:28 PM
All other interior lights are working. Do I need to replace just a bulb or the entire light cluster? How do I do this? My car has approx. 70,000 miles on it and the odometer light went out in last 2 weeks. Do I need to replace just a bulb or whole light cluster?


