Saturday, May 12th, 2012 AT 11:31 AM
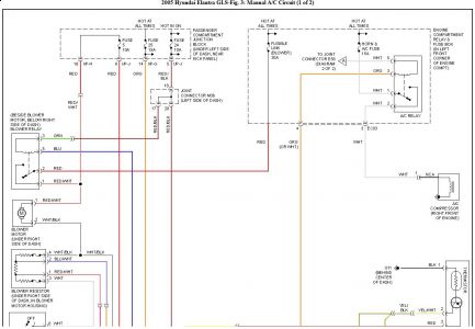
Does not respond to the switch, is this expensive to have a dealer fix the switch has become useless when trying to control blower speed.








