Monday, February 27th, 2012 AT 1:40 PM
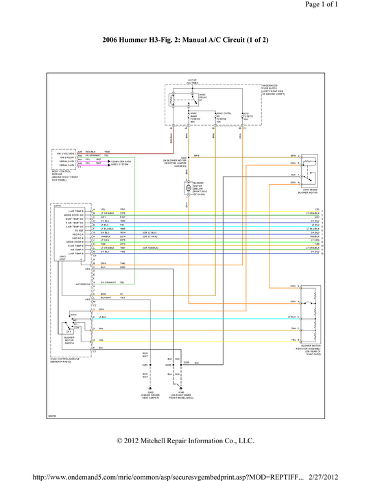
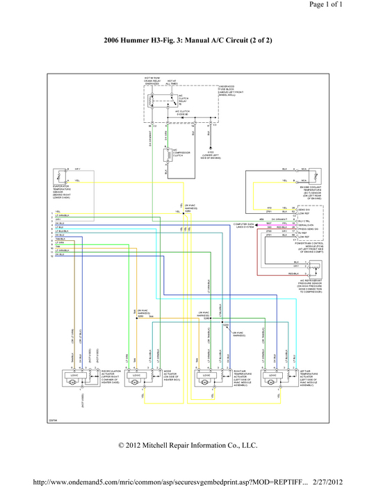
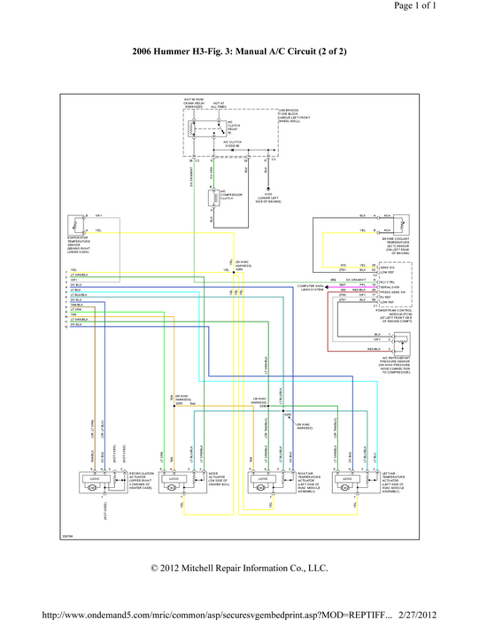
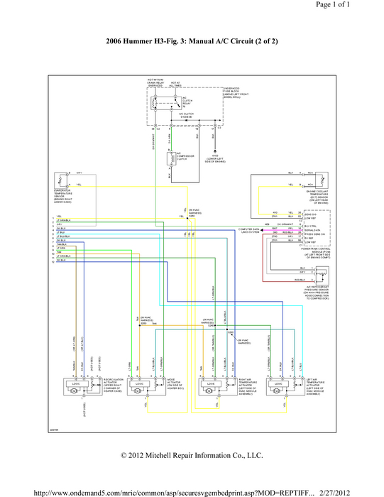
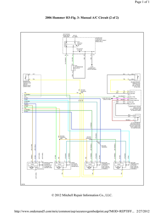
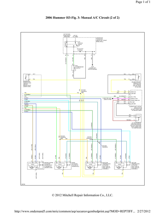
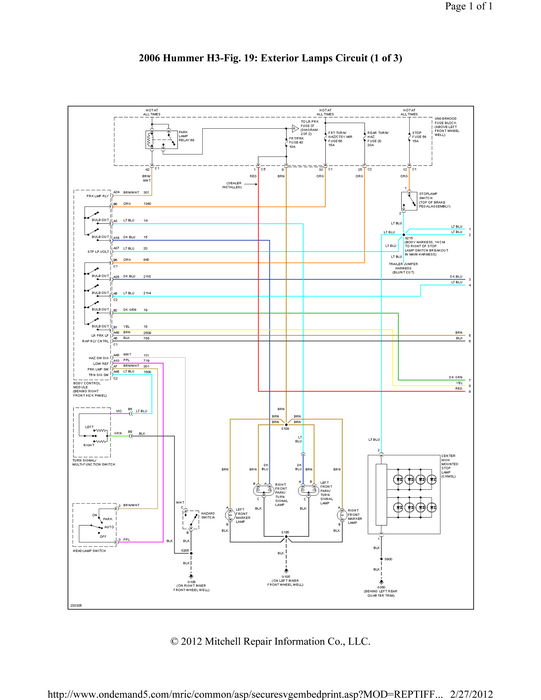
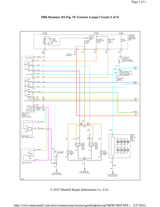
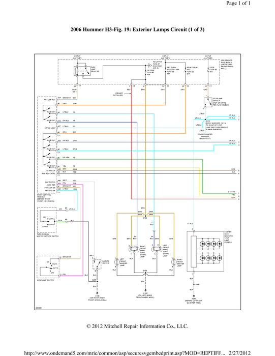
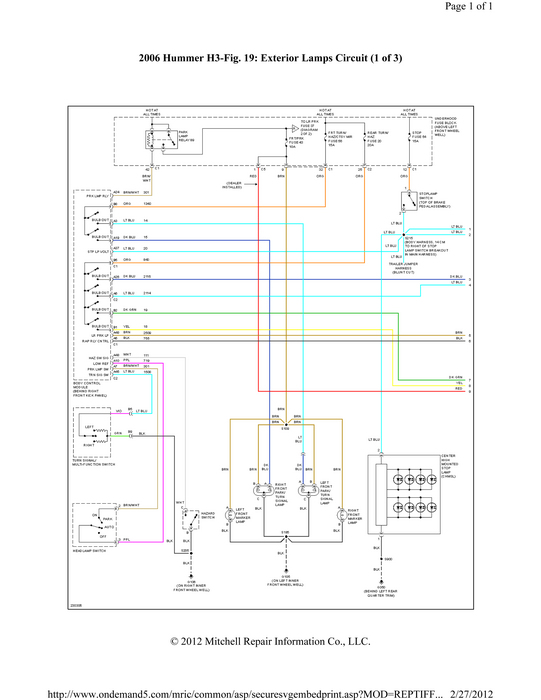
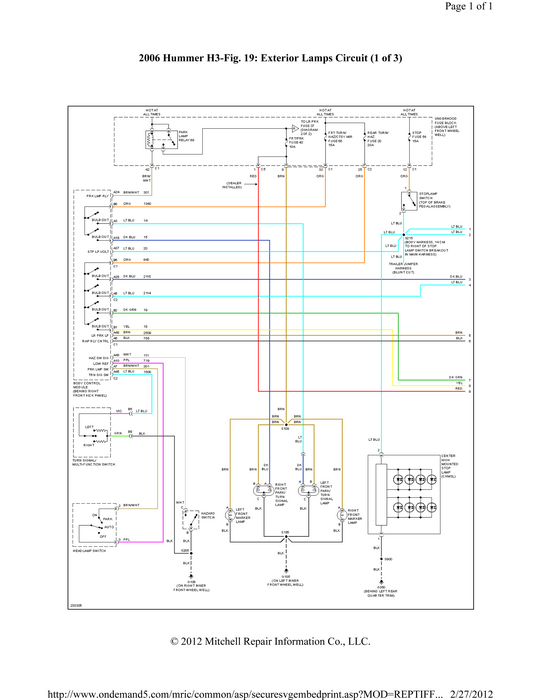
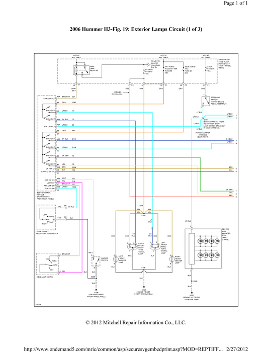
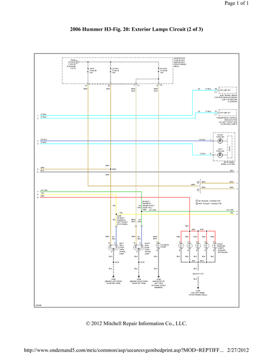
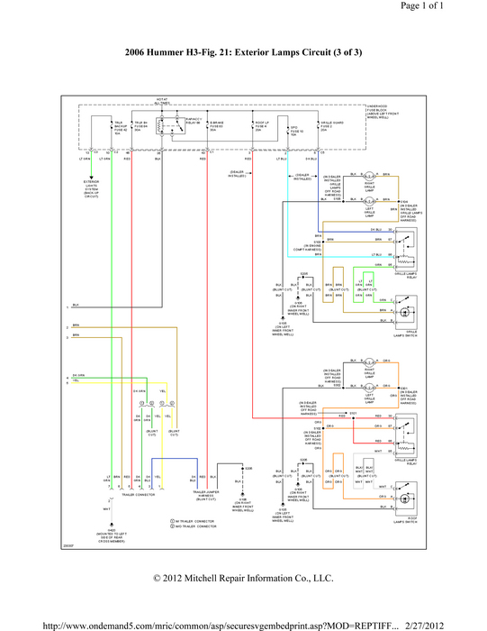
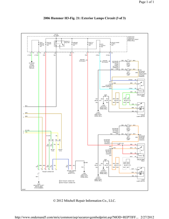
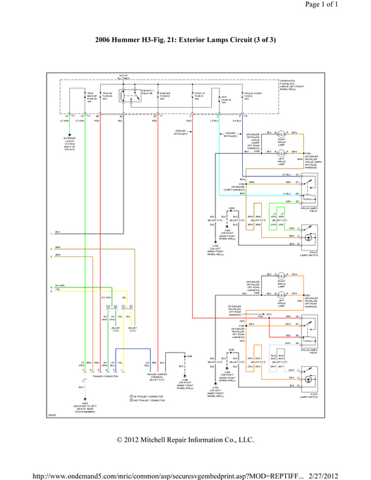
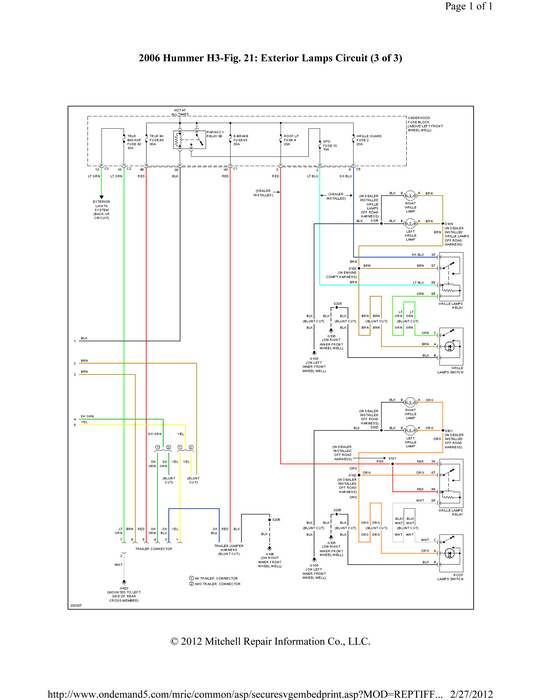
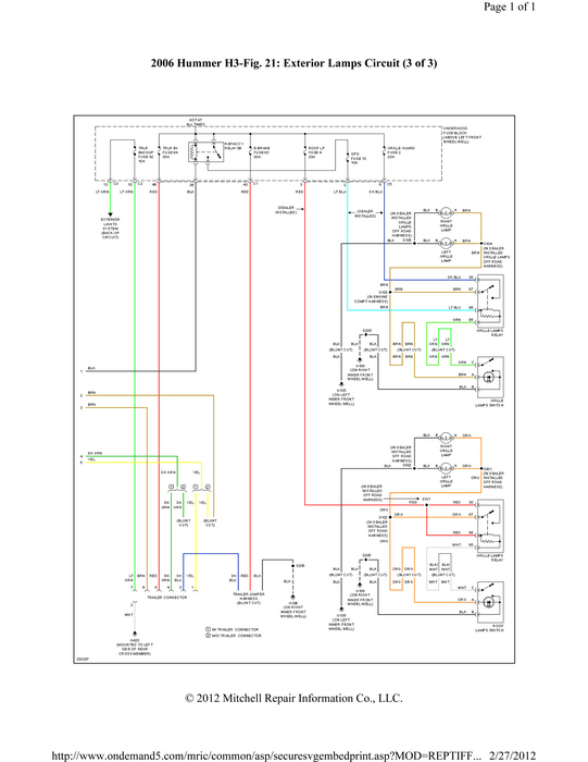
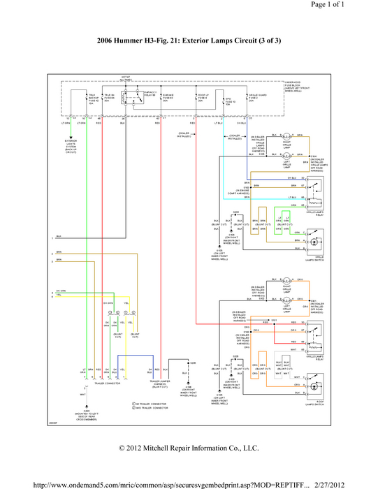
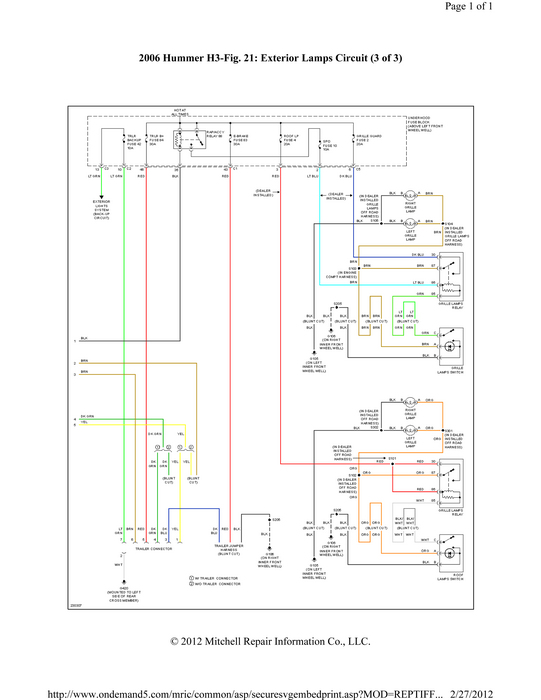
Rear left and right turn signal do not flash, changed bulbs and still do not work. Changed fuse ( used the spare fuses already in the fuse box) and they worked for a few minutes of testing, but today they are out again. The same thing with radio, it plays, but the speakers are out. Changed the fuse there as well and one speaker kicked in, but again, this morning, back to radio without output from radio. My blower motor is out as well, I pulled the glovebox and did not see any melted connectors. Too nervous to pull the fuses for the blower, and I can't tell if they are blown from just looking at them. Last year while driving in heavy rain, I came to a stop and water streamed down the driver side front windshield on the interior of the car. The onstar system voice came on (no subscription) but stopped on its own. Since then all the other issues started. The radio speakers will kick in for a day or two, then stop after a heavy rain. Could a leak be at the root of all these problems? Or could it be electrical, as in the wiring, or could the fusebox be the cause? Please help, I love this car, but I would hope to know what to look for BEFORE I take it in, can't afford to pay out the nose for a mechanic to search for the source of the problems. Thanks!








