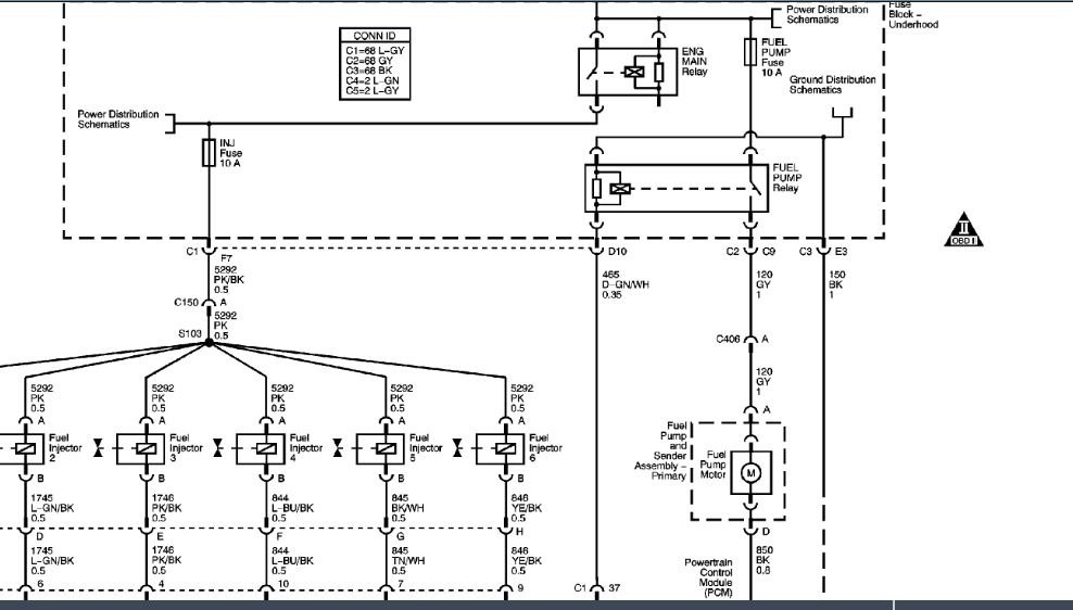
No fuel pressure

Tiny
JASON MOORE2
  • MEMBER
  • 2006 CHEVROLET EQUINOX
  • 3.4L
  • V6
  • 2WD
  • AUTOMATIC
  • 200,000 MILES
I just changed the fuel pump in my vehicle and now it has no fuel pressure and will not start?
Saturday, May 5th, 2018 AT 12:32 AM

5 Replies

Tiny
ASEMASTER6371
  • MECHANIC
  • 52,796 POSTS
Good morning.

Did the car run prior to the replacement? Did you verify power to the pump? What brand pump did you use? It sounds like it is defective.

Roy
Was this
answer
helpful?
Yes
No
+1
Saturday, May 5th, 2018 AT 4:32 AM
Tiny
JASON MOORE2
  • MEMBER
  • 4 POSTS
No the fuel pump went out on my girlfriend. Her dad dropped the car off to me with a used fuel pump. And after I posted this I checked the fuses and the fuel pump fuse was blown. So I replaced the fuse and it is pumping fuel if I disconnect the fuel line, but I am getting nothing at the fuel rail.
Was this
answer
helpful?
Yes
No
+1
Saturday, May 5th, 2018 AT 5:11 AM
Tiny
ASEMASTER6371
  • MECHANIC
  • 52,796 POSTS
Okay, thanks.

The used fuel pump is no good. If the pump is working and no fuel to the rail, the pump is the issue.

Try to secure a new one. Too much work and too important of a part to use someone elses used pump.

Rock auto has great prices on those parts.

Roy
Was this
answer
helpful?
Yes
No
+1
Saturday, May 5th, 2018 AT 5:15 AM
Tiny
JASON MOORE2
  • MEMBER
  • 4 POSTS
Okay, thanks.
Was this
answer
helpful?
Yes
No
+1
Saturday, May 5th, 2018 AT 5:27 AM
Tiny
ASEMASTER6371
  • MECHANIC
  • 52,796 POSTS
You are welcome.

Roy
Was this
answer
helpful?
Yes
No
-1
Saturday, May 5th, 2018 AT 5:29 AM

Please login or register to post a reply.