Codes P0408, P0408, P0508

Tiny
KESHIA30
  • MEMBER
  • 2006 DODGE DURANGO
  • 3.7L
  • 6 CYL
  • 2WD
  • AUTOMATIC
  • 234,300 MILES
I am get codes explain:
P0408 Fan 1 Control Circuit
P0408 Fan 2 Control Circuit
P0508 Idle Air Control System Circuit Low

What does this mean and what I have to do?
Tuesday, March 26th, 2019 AT 8:56 PM

1 Reply

Tiny
SCGRANTURISMO
  • MECHANIC
  • 4,897 POSTS
Hello,

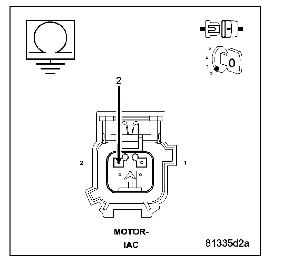
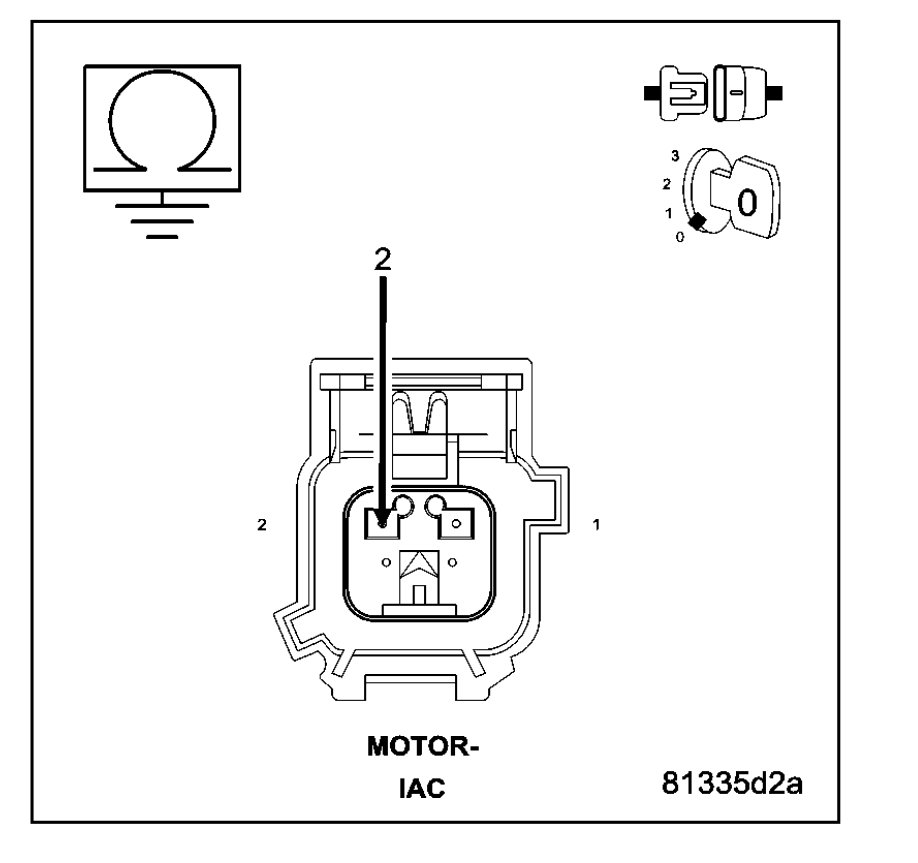
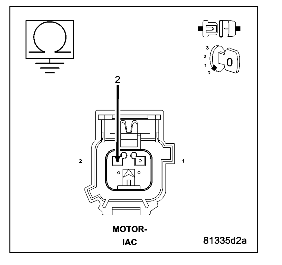
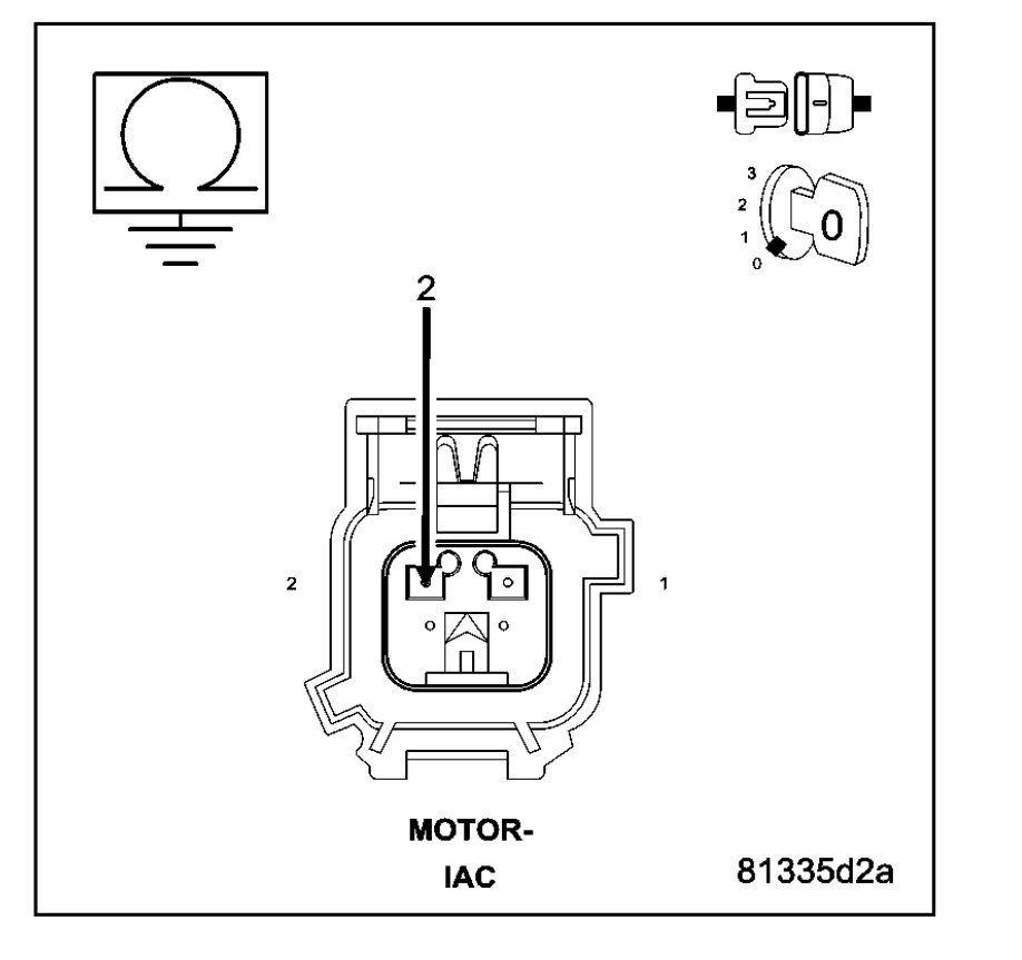
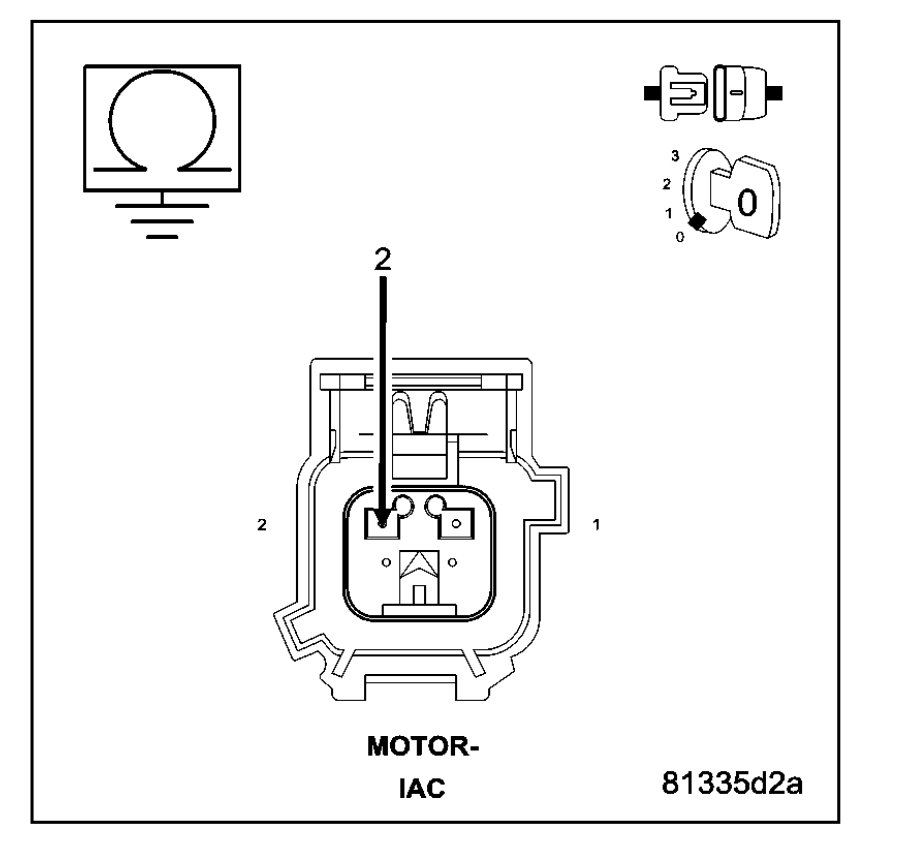
I couldn't find any listings for DTC P0408. Please double check to make sure that you got the correct DTC number. I have included for you in the diagrams down below a factory diagnostic troubleshooting guide for DTC P0508 Idle Air Control Sensor Circuit Low.
Please go through this guide and get back to us with what you find out. It will require you to use a multimeter, so I have also included a link down below if you are unfamiliar with how to use one.

https://www.2carpros.com/articles/how-to-use-a-voltmeter

Thanks,
Alex
2CarPros
Was this
answer
helpful?
Yes
No
Tuesday, March 26th, 2019 AT 10:05 PM

Please login or register to post a reply.