Heat light is on for the transmission

Tiny
NICHLAUSJOHNSON0219
  • MEMBER
  • 2006 DODGE DAKOTA
  • 86,000 MILES
My heat light turns on randomly and sometimes it turns off, sometimes it doesn't. The temp gauge reads normal temp. When the light is on it shifts hard. When its off it shifts normal. I have checked the transmission fluid and it seems to be fine. Im not sure if a code reader would show a code because its not the check engine light. Also I would have to catch it when the light was on if it would in fact read a code pertaining to the temp light.
Saturday, November 2nd, 2013 AT 8:32 PM

1 Reply

Tiny
CARADIODOC
  • MECHANIC
  • 34,489 POSTS
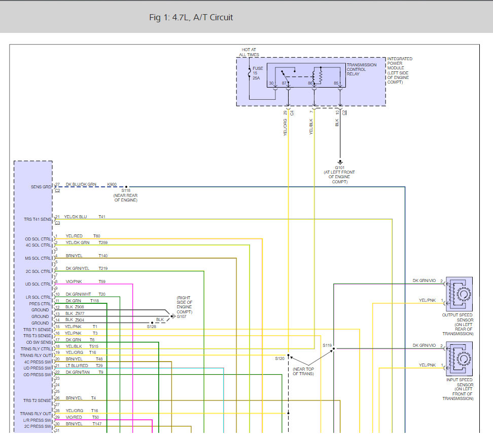
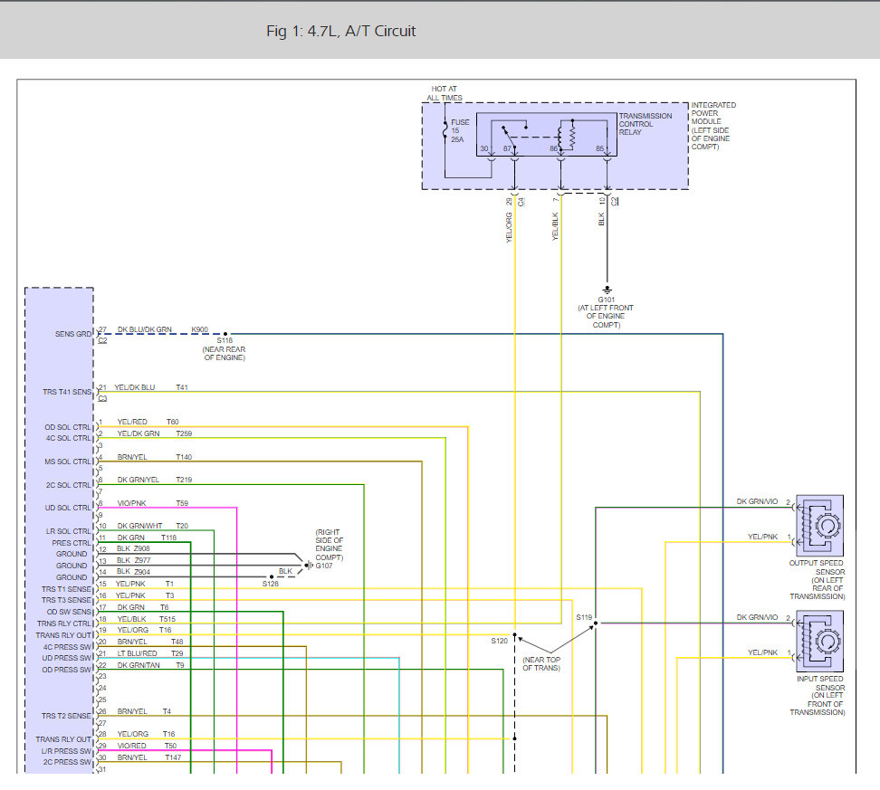
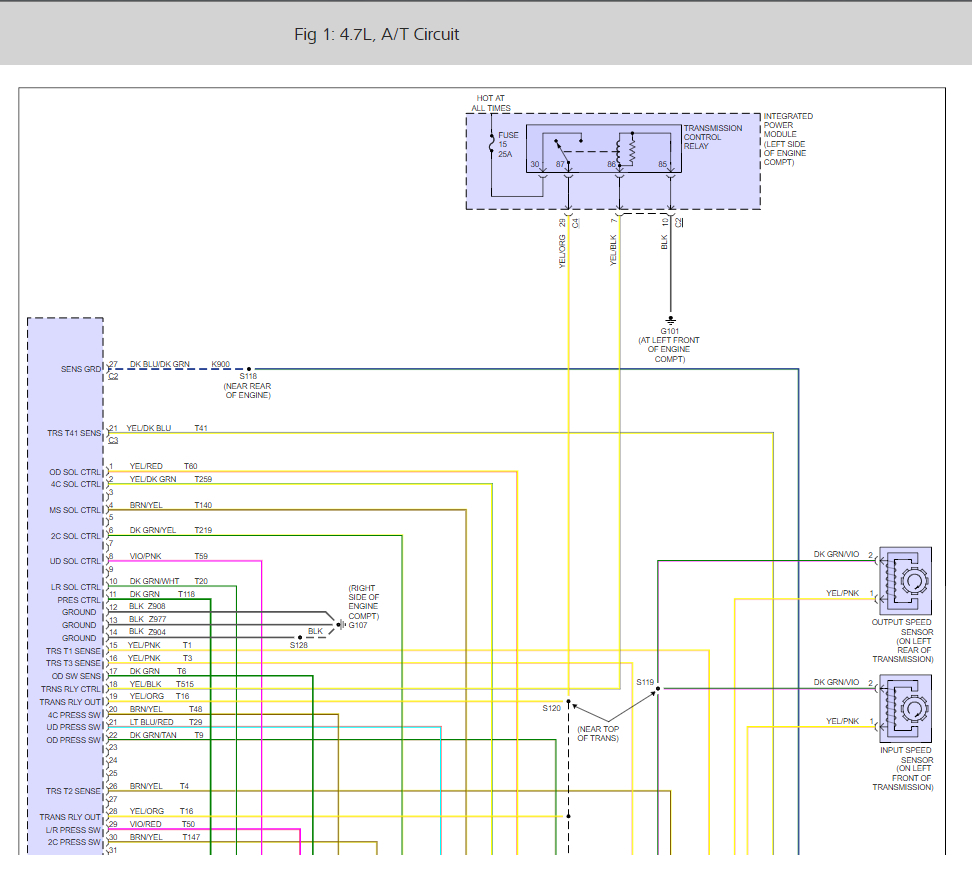
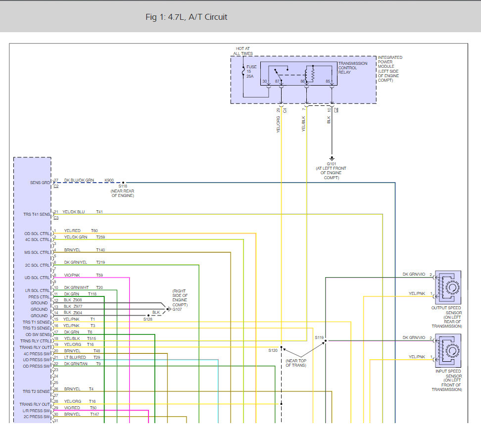
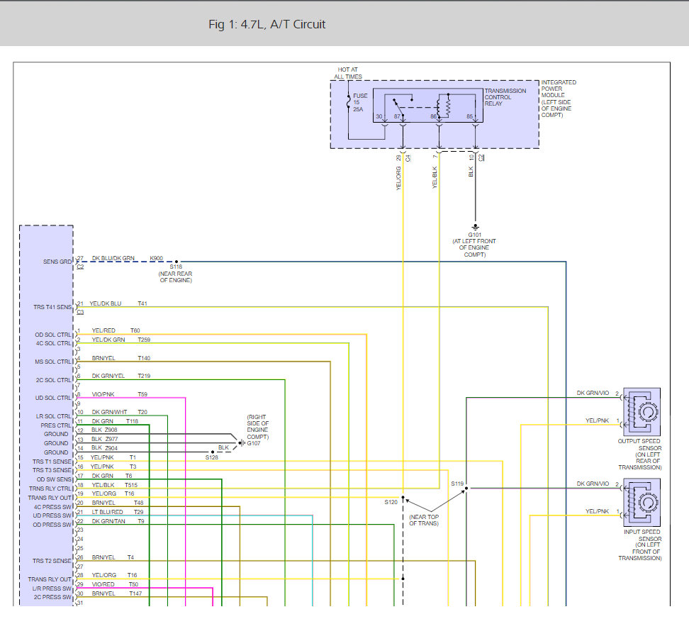
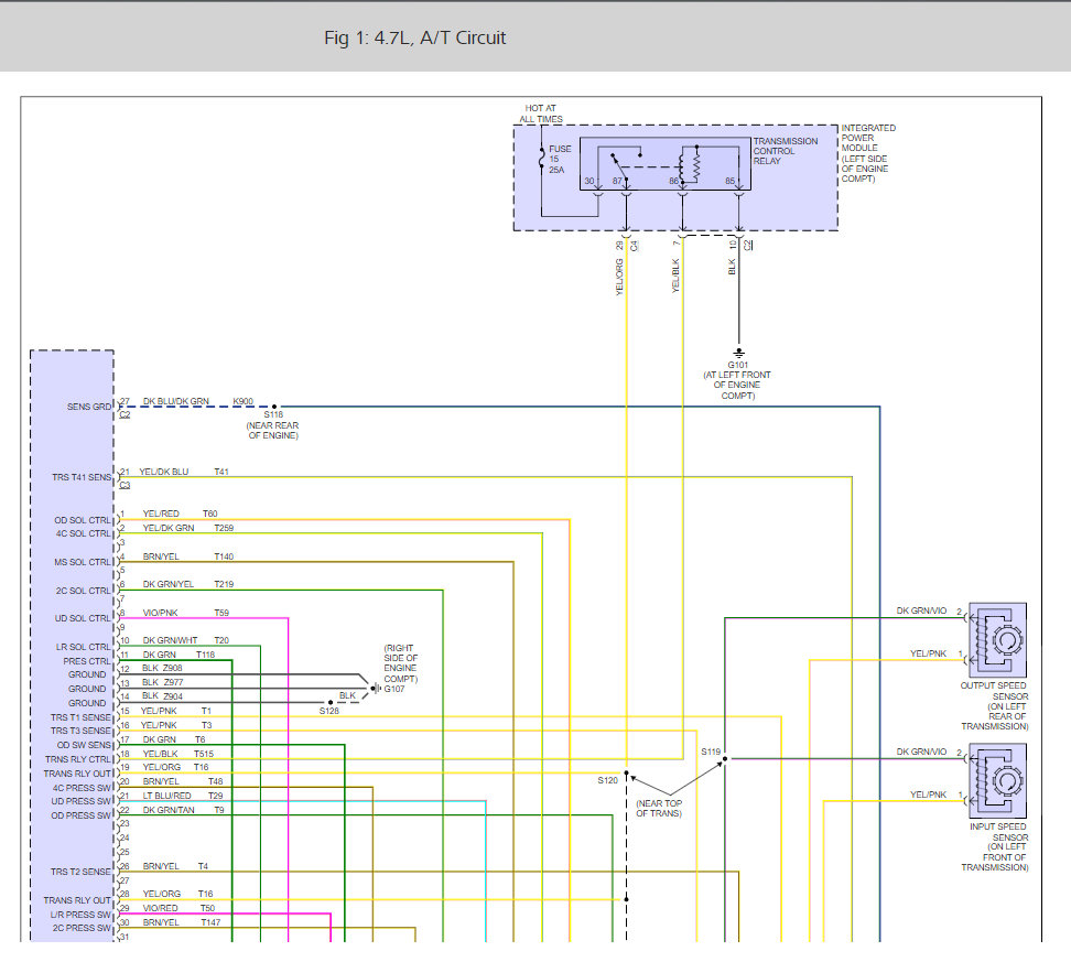
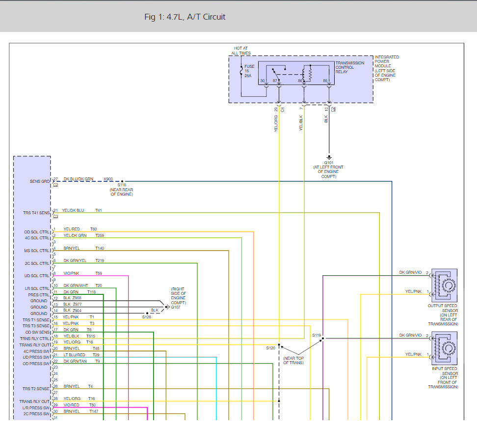
There is a temperature sensor in the transmission that sounds like it is going out. I not sure where it is because none of our information shows it location but it will have a Yellow with pink and a dark blue with dark green wire going to it. I would start by changing that. It will cause the transmissions to shift hard when the light is on becasue the computer is trying to cut down on heat by stopping the "slip". I have found a wiring diagram for you so you can see for yourself the color wires. (Below)

Here is some more information.

Perhaps it will help if I clear up some misinformation. There are a number of computers on all newer vehicles and all of them have the ability to store diagnostic fault codes. The problem is simple code readers often only can access the Engine Computer. You may need to find a mechanic with a scanner that can access the Transmission Computer.

Second, once the Check Engine light turns on, even for a few seconds, there will be a code. The light does not need to be on to read codes. That would be pointless because one of the purposes of codes is to identify the circuit or system with the problem when it doesn't act up all the time. This confusion comes from older GM vehicles that had "pending" codes. There's always a long list of conditions that must be met for a code to set. Before all those conditions are met, the computer is watching the things on that list to determine if it needs to set a code. That's where the pending codes come in. For most of us that just adds to the confusion when trying to diagnose a problem. Some people find those pending codes helpful by indicating what the computer is worried about, and the mechanic can often drive the car in a certain way or do something that will make that circuit fail long enough and in a manner that can be detected by the computer. Chrysler has always been very good about codes. When the Check Engine light turns on, there WILL be a code. If you don't read the code and the problem goes away, most of them will self-erase after 50 key starts. That may be different on a vehicle as new as yours but it was common through the '90s models.

There are over a thousand potential fault codes, and about half of them never turn on the Check Engine light. Only those codes related to a cause that could adversely affect emissions must turn the light on. You can get an idea of the severity of a code by how the light acts. For intermittent problems that are relatively minor, if it stops acting up, the light will turn off while you're driving. For more serious problems, if it stops acting up, the light will remain "latched" on until you turn off the ignition switch. When you restart the engine, the light will be off until the problem occurs again. If it's still more serious, the light will be on anytime the engine is running, even if the problem stops acting up. The most serious is when the light is flashing. That means stop the engine right away. Too much raw fuel is going into the exhaust system and is going to overheat and damage the catalytic converter.

Please let us know what you find.

Cheers
Was this
answer
helpful?
Yes
No
+1
Sunday, November 3rd, 2013 AT 1:08 AM

Please login or register to post a reply.