Saturday, July 22nd, 2017 AT 1:53 PM
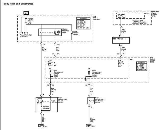
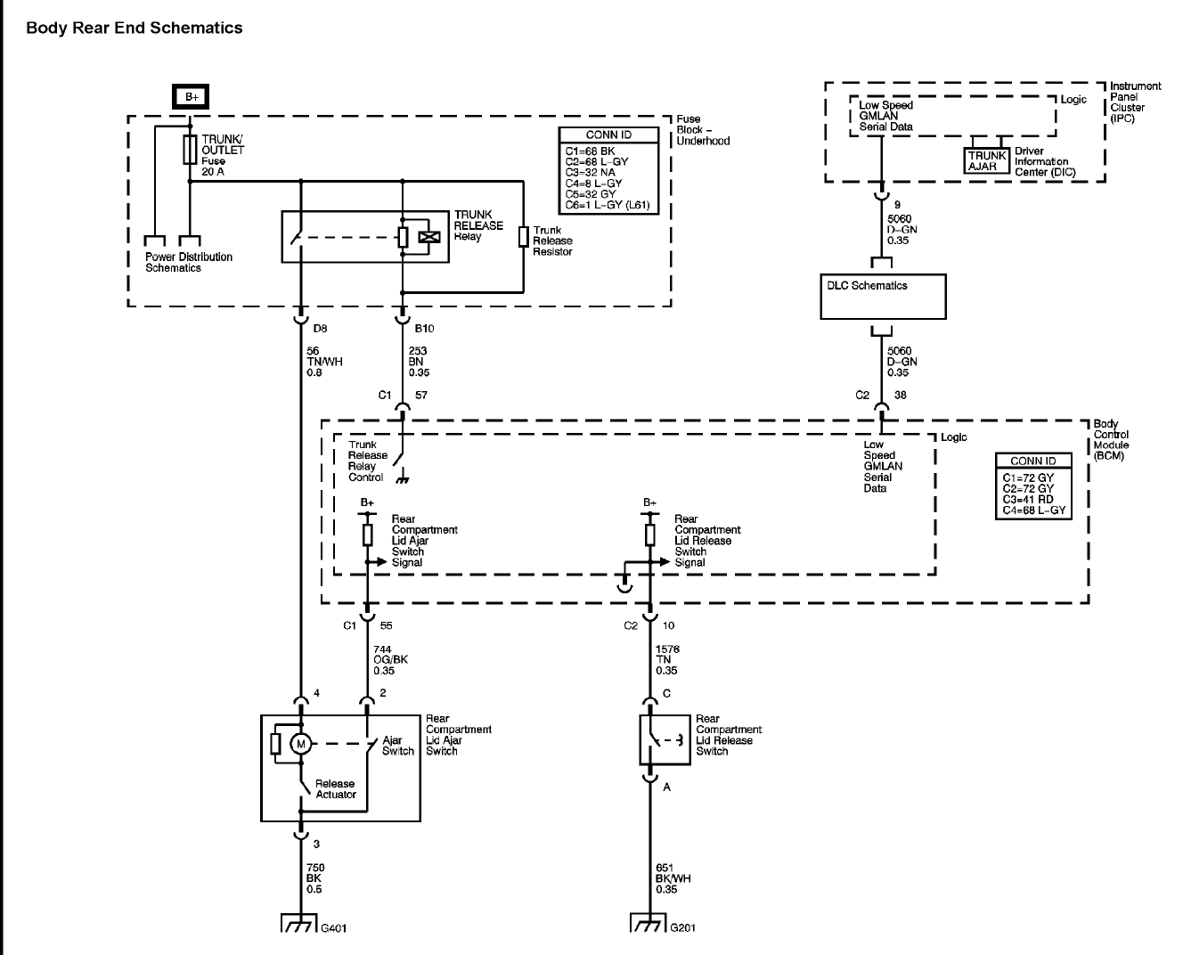
I am the only owner of the vehicle and it is used very minimally. It only has a little over 73,000 miles on it. All of a sudden the alarm has started to go off when no one is around and the display says "trunk ajar" even after I have reopened it and closed it. Is this a known issue and what can I do to fix it? I have already tried unhooking and re-hooking up the battery to see if it will reset itself and it has no affect.

