Starter

Tiny
MHODGES
  • MEMBER
  • 2006 CHEVROLET TRAILBLAZER
  • 6 CYL
  • 2WD
  • AUTOMATIC
  • 48,000 MILES
MY 2006 TRAILBLAZER STARS IN THE ACESSORY POSITION?
Friday, February 4th, 2011 AT 2:54 AM

3 Replies

Tiny
FACTORYJACK
  • MECHANIC
  • 4,159 POSTS
It sounds like a faulty ignition switch. Has there been any repairs in that area recently?
Was this
answer
helpful?
Yes
No
Friday, February 4th, 2011 AT 3:31 AM
Tiny
MHODGES
  • MEMBER
  • 2 POSTS
A sensor was replaced in the steering wheel for my stabill a track
Was this
answer
helpful?
Yes
No
Friday, February 4th, 2011 AT 3:35 AM
Tiny
FACTORYJACK
  • MECHANIC
  • 4,159 POSTS
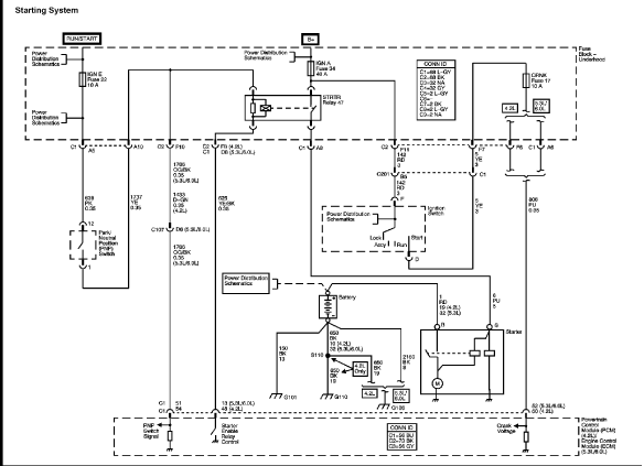
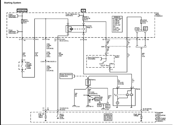
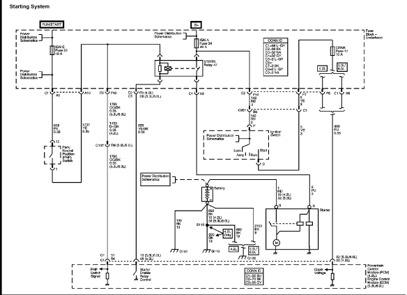
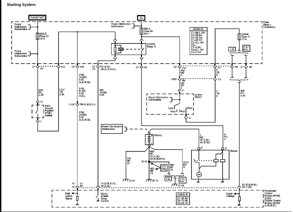
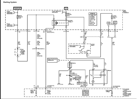
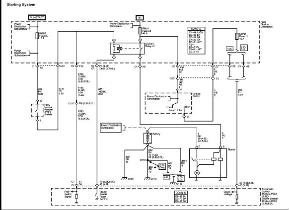
That should have had no effect on ignition switch functions. I have included a schematic of the starting system, and in reviewing it myself, there are a couple of possibilities. If crank voltage is present at the ECM, it closes the start relay. You could check power at the CRNK fuse 17, it should only have power in the crank position. If it has power in other positions, that could indicate that the ignition switch is indeed faulty. I suppose that a faulty ECM could cause a fault like this, but it seems more symptomatic of an ignition switch.
Was this
answer
helpful?
Yes
No
Saturday, February 5th, 2011 AT 4:09 AM

Please login or register to post a reply.