Monday, December 23rd, 2013 AT 11:18 AM
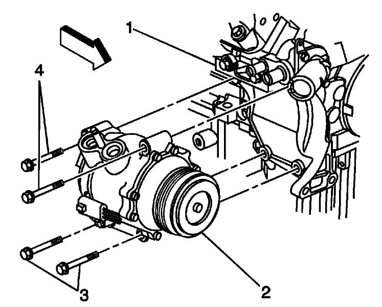
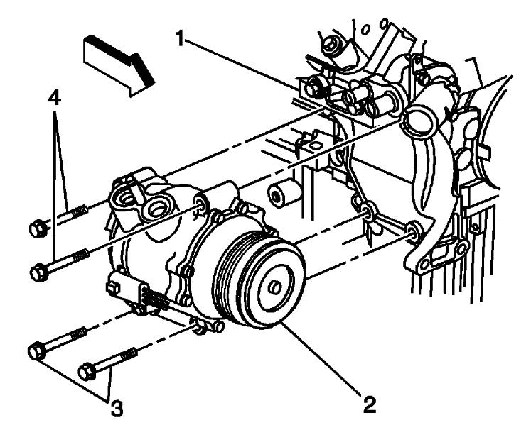
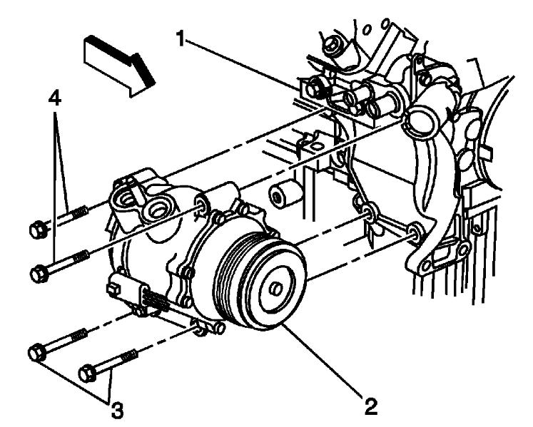
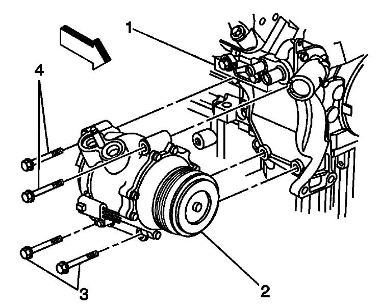
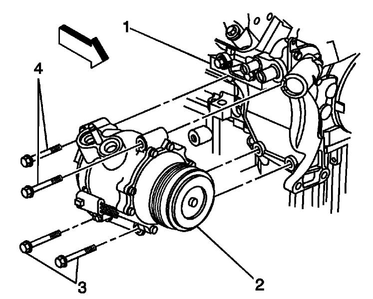
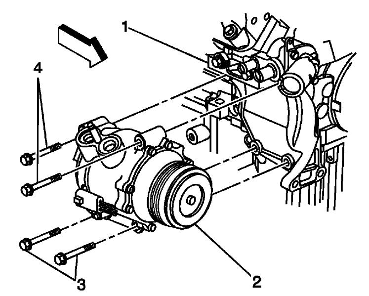
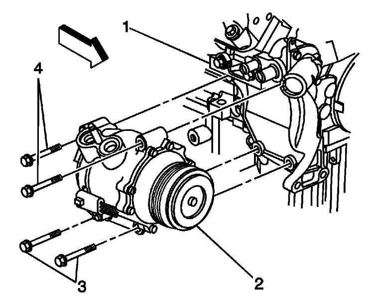
Hi on my dads 2006 Chevy SSR. It is having problems with the a/c. When you start it it makes a loud noise. When you turn it off it stop immediately. Almost like it locks up. So we disconnected the sensor to bypasss it. It did not work. We drove it it was still make noise because the compressor did not many to turn. So we got back and since it runs on it. Own belt we cut it off. So we now have no a/c in this truck. My dad found two long bolts on the ground from the tuck. I believe this is off the a/c. My question is how can I tell if the compressor is seized or if the clutch is bad or if the bearing is bad. Thanks.


