Door sensor is bad? If so how do I replace it?

Tiny
DMAXCHEVY06
  • MEMBER
  • 2006 CHEVROLET SILVERADO
  • 184,000 MILES
My dash says that the passenger door is ajar but it is closed and the alarm goes off for no reason and the interior lights stay on
Thursday, December 1st, 2011 AT 12:17 AM

1 Reply

Tiny
WENDY W
  • MECHANIC
  • 86 POSTS
Hello!

It sounds like the door jamb switch is not communicating with your vehicle’s body control module. This can activate the door ajar warning chime and may cause the interior lights to stay on.

Sometimes this lack of communication is caused by an open circuit or short circuit in the wiring harness. If you check the harness, especially where it passes from the vehicle’s frame and into the door, you may find that one or more of the wires are chafed or even broken, even if the wire loom itself appears to be intact.

Here's a link to a repair guide that explains how to check wiring:

https://www.2carpros.com/articles/how-to-check-wiring

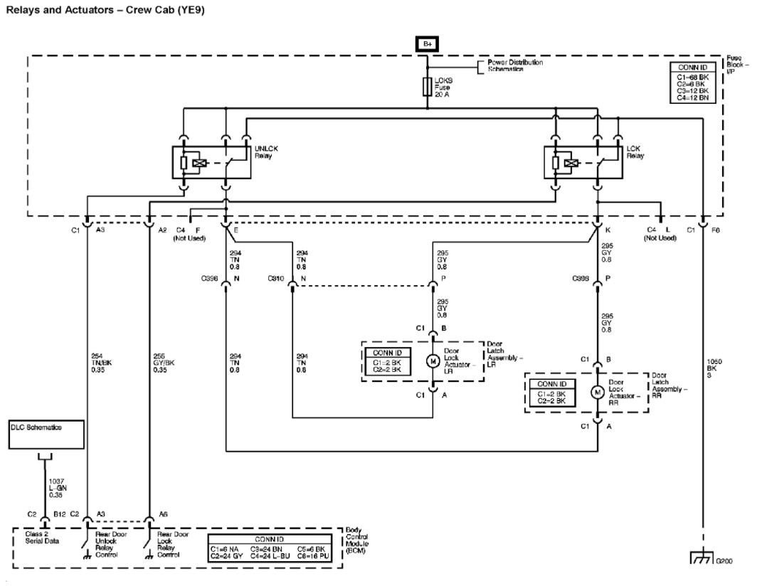
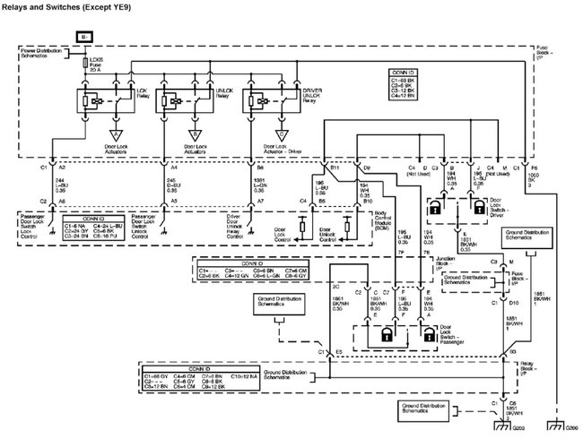
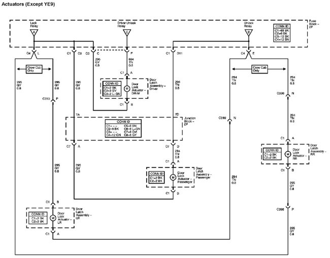
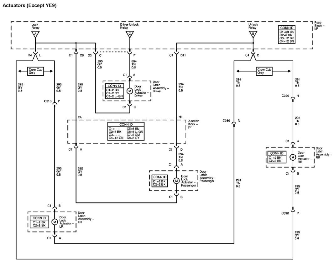
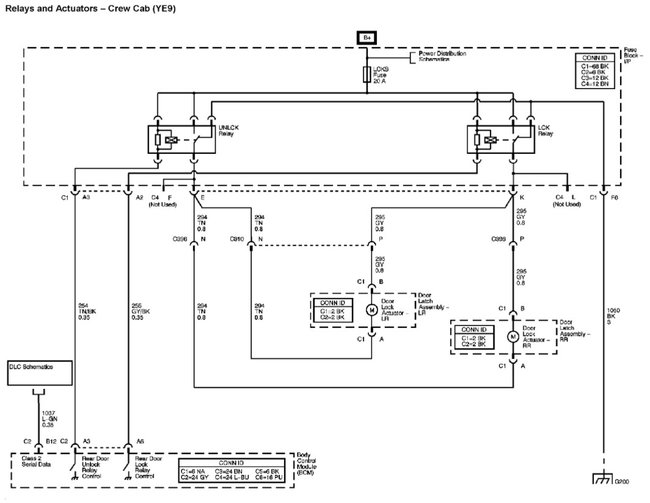
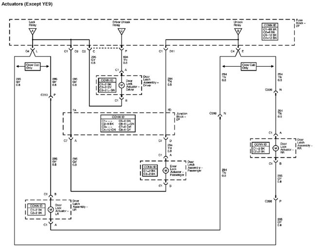
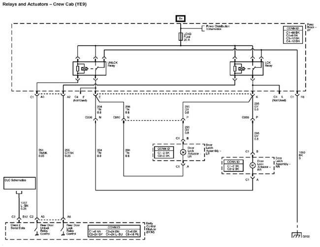
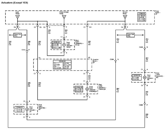
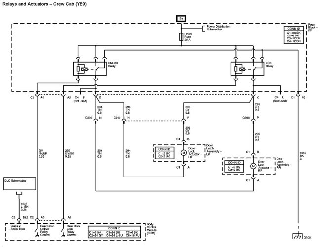
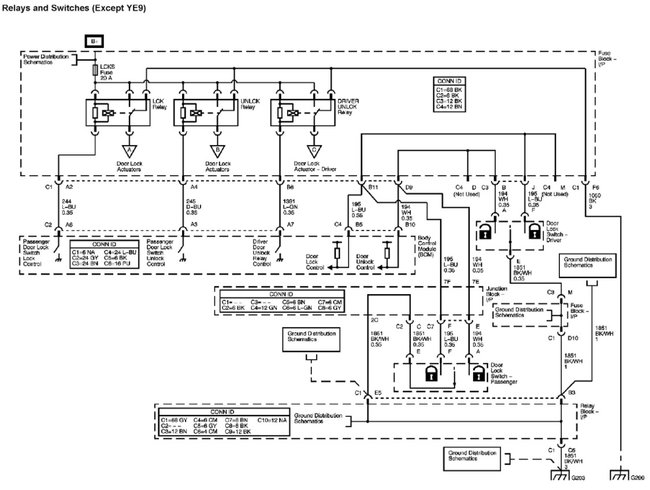
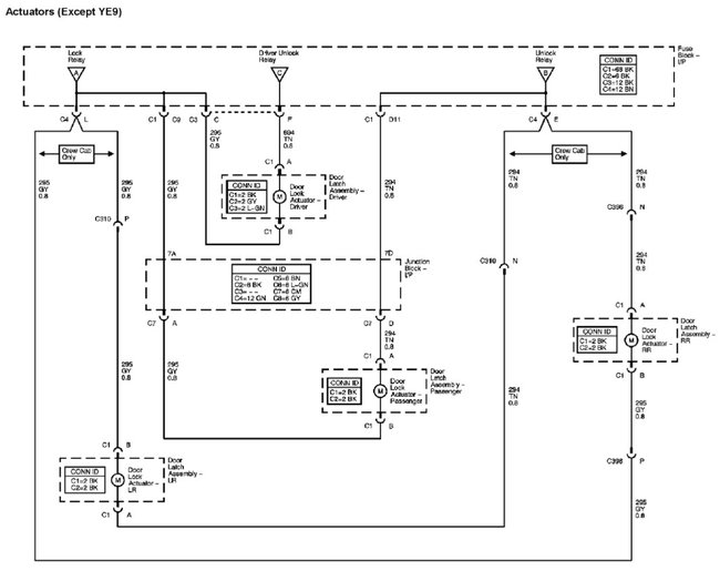
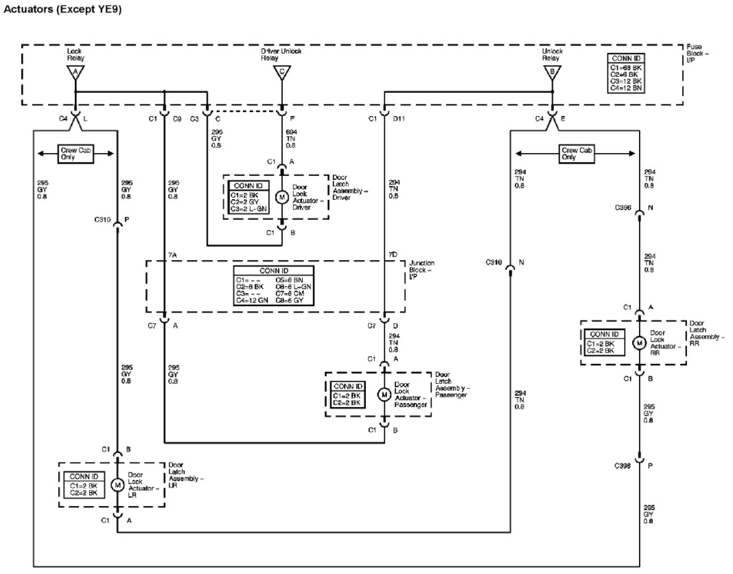
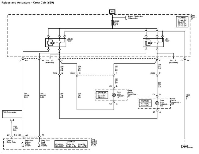
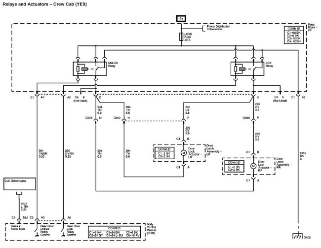
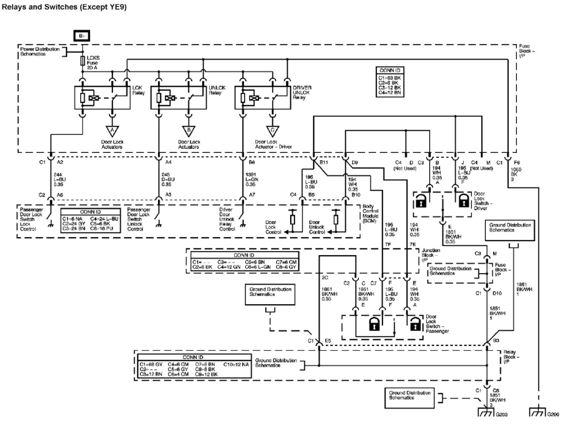
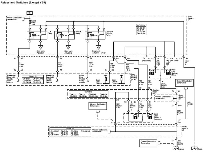
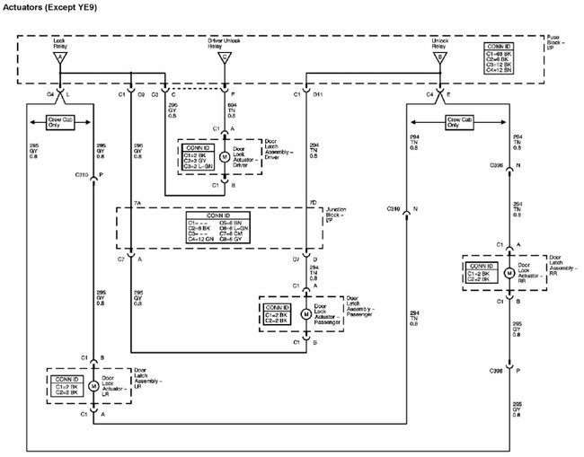
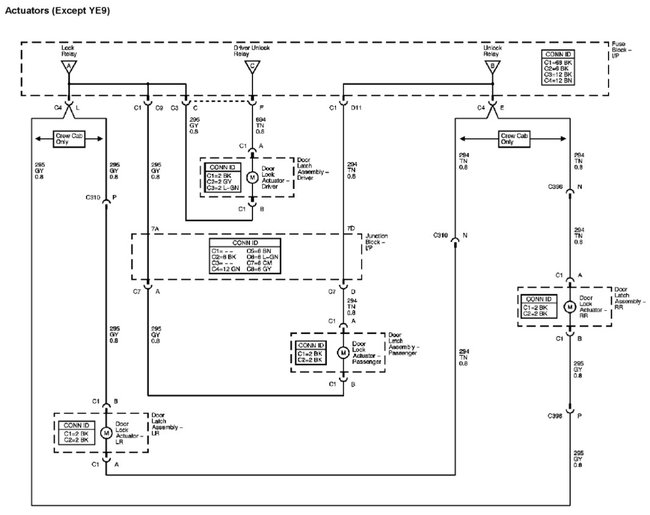
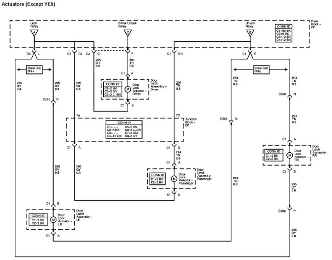
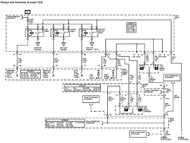
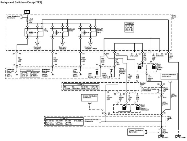
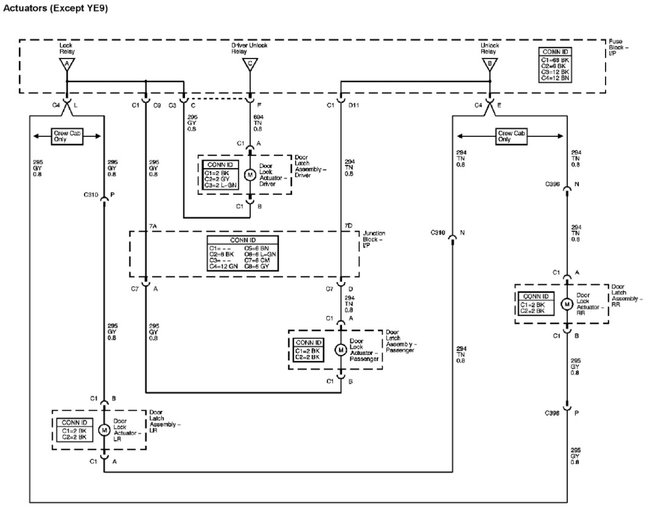
Also, check out the diagrams (Below).

If the wiring checks out okay, you could have a faulty door jamb switch, which is part of the door latch assembly.

These videos and repair guide will help you see what is involved in removing the door panel and replacing the door latch assembly on a vehicle similar to yours:

https://www.2carpros.com/articles/door-panel-removal

https://youtu.be/37RZljBV1BE

https://youtu.be/AWnAT8EIrlE

Please let us know what you find.

Thanks, Wendy W
Was this
answer
helpful?
Yes
No
Tuesday, February 8th, 2022 AT 9:27 AM

Please login or register to post a reply.