Thermostat

Tiny
MIKEY WHIT3
  • MEMBER
  • 2006 CHEVROLET MONTE CARLO
  • 6 CYL
  • FWD
  • AUTOMATIC
  • 100,800 MILES
I need the location of the thermostat?
Friday, January 7th, 2011 AT 1:48 PM

9 Replies

Tiny
DOCFIXIT
  • MECHANIC
  • 18,828 POSTS
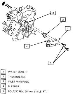
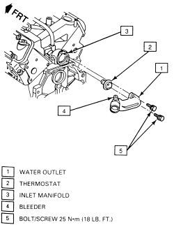
Here is a guide and the diagrams below so you can see how the job is done step by step with diagrams below to show you on your car. The thermostat is located at the bottom hose near the engine.

https://www.2carpros.com/articles/replace-thermostat

Check out the diagrams (Below). Please let us know if you need anything else to get the problem fixed.
Was this
answer
helpful?
Yes
No
Friday, January 7th, 2011 AT 3:29 PM
Tiny
TRACYANN
  • MEMBER
  • 1 POST
  • 2006 CHEVROLET MONTE CARLO
  • 6 CYL
  • FWD
  • AUTOMATIC
  • 24,000 MILES
I am having the heater where it is not warming up until I accelerate or hit the accelerator- we bought the part to install the thermostat but due to the year we were unable to figure out how to do it. Anybody have instructions on how to fix the thermostat - I just bought the car and have a warrenty with a 200.00 deductible which is not even 1/2 the cost of the part. I read that this has happened to other montes this year and wondering if it should be a recall? Thanks for your help.
Was this
answer
helpful?
Yes
No
-1
Wednesday, September 25th, 2019 AT 3:28 PM (Merged)
Tiny
BRIAN 1
  • MECHANIC
  • 1,030 POSTS
Before you replace the t-stat try this, found a bulletin for this concern. Poor heat at idle, however, if the engine RPMs are raised the concern no longer occursWith the engine cooled off, remove the coolant pressure cap.
Remove upper heater core hose from the metal pipe on the engine.
Add coolant to the metal pipe, until full.
Raise the rubber portion of the heater core hose as high as it will go with it still attached at the heater core. Using a funnel, add coolant until the hose is full.
Reconnect the heater core hose.
Start engine, have assistant raise the RPMs to about 1500 to 1700 RPMs, top coolant off at engine, then before lowering engine RPMs, install the coolant pressure cap.
Fill coolant reservoir as necessary, then check the heat at idle.
Bulletin #2048404. Don't put the t-stat in yet try this first, putting a stat in it probably wont fix it.I see alot of these.(Yes I work at the dealer)get all the air out and see if this fixes it. Hope this helps
Was this
answer
helpful?
Yes
No
Wednesday, September 25th, 2019 AT 3:28 PM (Merged)
Tiny
ADOWNEY82
  • MEMBER
  • 1 POST
  • 2002 CHEVROLET MONTE CARLO
How do you replace and locate a thermostat on a 2002 monte carlo
Was this
answer
helpful?
Yes
No
+1
Wednesday, September 25th, 2019 AT 3:28 PM (Merged)
Tiny
JACOBANDNICKOLAS
  • MECHANIC
  • 110,192 POSTS
Follow the upper radiator hose from the radiator to the engine. At the engine, where the hose ends, it attaches to the thermostat housing. Drain the coolant in the radiator below the thermostat height. Remove the upper radiator hose from the housing and unbolt the two bolts holding the housing in place. From there, remove the housing and the thermostat is under it. NOTE: pay attention as to the direction the thermostat is positioned so you can replace the new one the same way (direction). Reverse the procedure to replace. NOTE: Disconnect the battery before starting any of the work.
Was this
answer
helpful?
Yes
No
Wednesday, September 25th, 2019 AT 3:28 PM (Merged)
Tiny
WILLOWTREE
  • MEMBER
  • 1 POST
  • 1997 CHEVROLET MONTE CARLO
Engine Cooling problem
1997 Chevy Monte Carlo 6 cyl

where is the thermostat located on a 1997 chev monte carlo
Was this
answer
helpful?
Yes
No
Wednesday, September 25th, 2019 AT 3:28 PM (Merged)
Tiny
JACOBANDNICKOLAS
  • MECHANIC
  • 110,192 POSTS
Follow the upper radiator hose to the engine. IT will lead you to the t-stat housing. The t-stat is under the housing.
Was this
answer
helpful?
Yes
No
Wednesday, September 25th, 2019 AT 3:28 PM (Merged)
Tiny
LIONELL8732
  • MEMBER
  • 149 POSTS
  • 1996 CHEVROLET MONTE CARLO
  • 6 CYL
  • FWD
  • AUTOMATIC
Where is the thermostat located at on a 96 monte Carlo 3.4L dohc engine
Was this
answer
helpful?
Yes
No
Wednesday, September 25th, 2019 AT 3:28 PM (Merged)
Tiny
JACOBANDNICKOLAS
  • MECHANIC
  • 110,192 POSTS
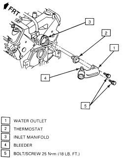
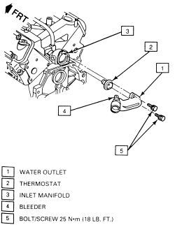
The thermostat is located at the front of the engine. Here is a guide and diagram to help you see how to do the job check out the diagrams below.

https://www.2carpros.com/articles/replace-thermostat

Check out the diagrams (Below). Please let us know if you need anything else to get the problem fixed.

Cheers
Was this
answer
helpful?
Yes
No
Wednesday, September 25th, 2019 AT 3:28 PM (Merged)

Please login or register to post a reply.