Thermostat location please

Tiny
TWITCH2661
  • MEMBER
  • 2006 CHEVROLET EQUINOX
  • 6 CYL
  • AWD
  • AUTOMATIC
  • 86,003 MILES
Where is the thermostat located. I need to replace it.
Sunday, November 28th, 2010 AT 11:52 PM

1 Reply

Tiny
RASMATAZ
  • MECHANIC
  • 75,992 POSTS
Hello,

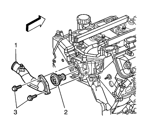
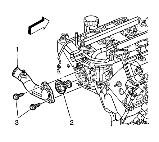
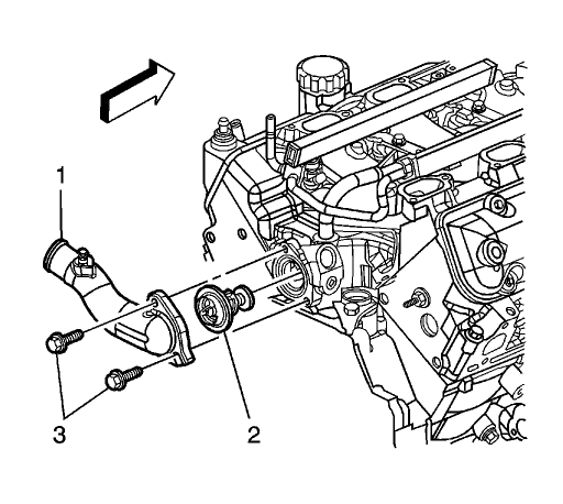
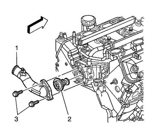
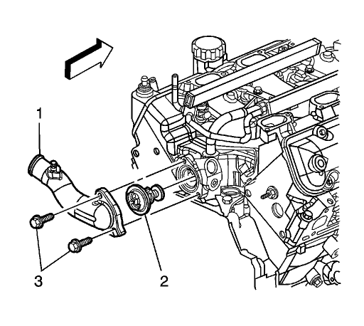
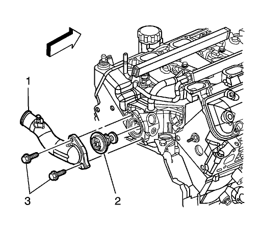
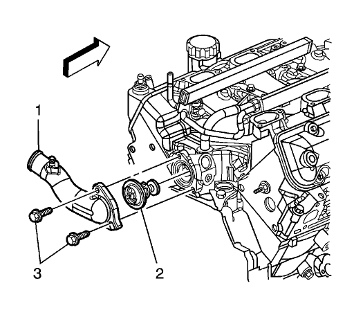
The thermostat is located at the rear of the engine on the intake manifold. Here is a guide that will walk you through the steps and the location for your car in the diagrams below.

https://www.2carpros.com/articles/replace-thermostat

Check out the diagrams (below). Please let us know if you need anything else to get the problem fixed.
Was this
answer
helpful?
Yes
No
+1
Tuesday, April 20th, 2021 AT 1:53 PM

Please login or register to post a reply.