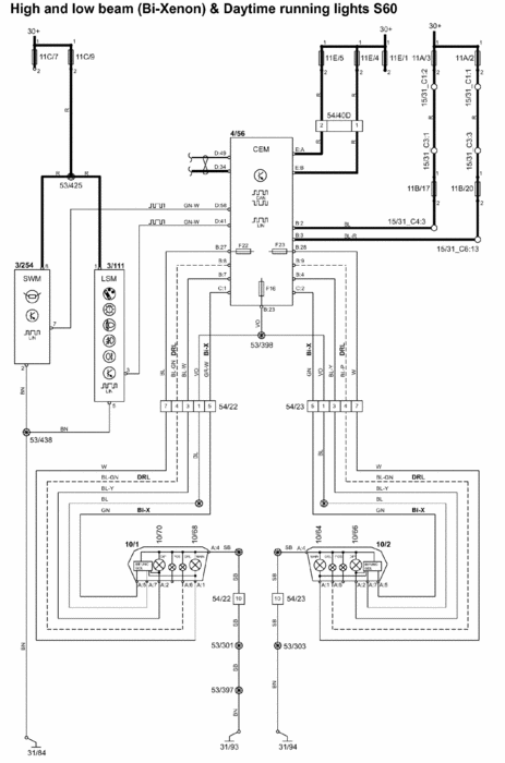
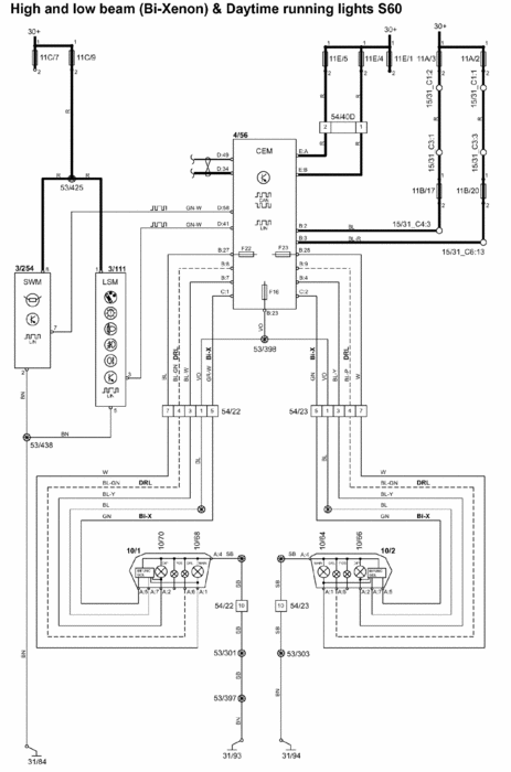
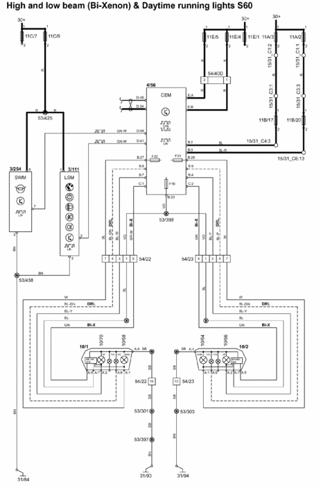
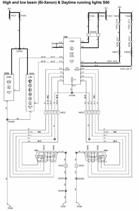
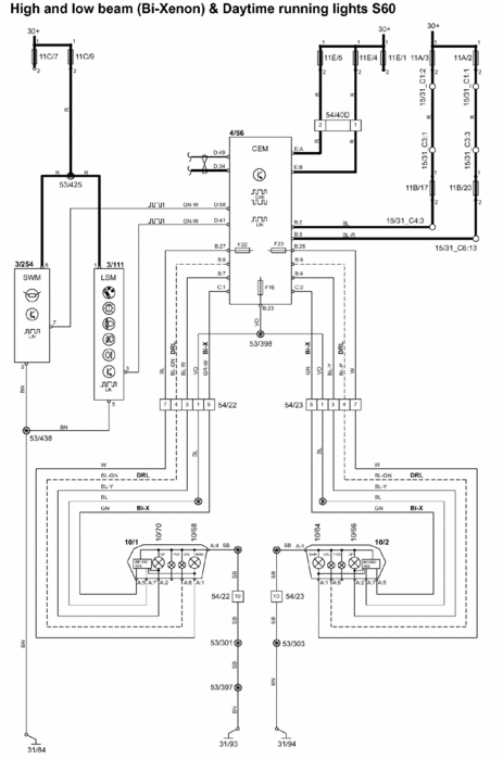
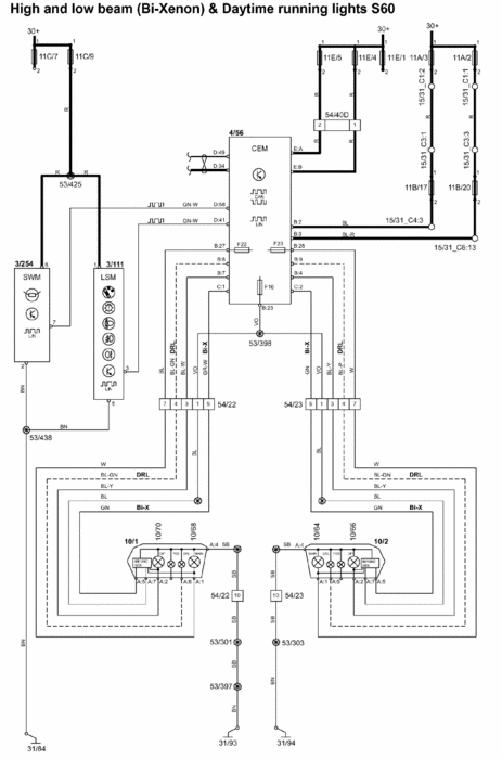
HELP headlight issue Volvo s60 2005 - Replaced bulb still won't work.
The light comes on and quickly goes right off. I have checked the fuses and they are fine. I even swapped them. It is occuring on the passenger side.
Thanks
Joe
The light comes on and quickly goes right off. I have checked the fuses and they are fine. I even swapped them. It is occuring on the passenger side.
Thanks
Joe
Jan 19, 2011 at 2:47 AM







