Saturday, June 13th, 2015 AT 5:52 PM
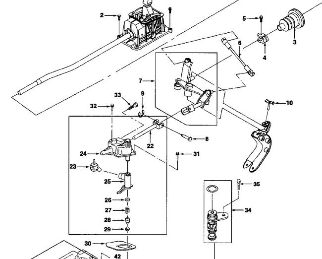
I have a 2005 Suzuki Forenza 5 speed and my shifter feels free I see that there are three linkages for my transmission and shifter but one is missing in the middle that connects to each other in order for me to shift gears. What is that center piece called I cannot find it anywhere?




