In 2016 I realized what was happening and so I lowered my speed and continued my journey.
July 2017, the same scenario occurred as in 2015. This time I let it cool off, returned home and rented a car. I did not get the ODB code as it reset itself before I reached home.
Sorry about the long background story.
My mechanic drove the heck out of it and could not get it to throw the P0751 or P0752 codes.
I took it to an auto electric shop and was told they could not diagnose the problem unless it threw the code in the repair bay.
As a last resort, I went to the GM dealer. They started telling me that it is most likely my transmission. So I left! It never, ever slips, has any shifting problems or other transmission issues. Only the three aforementioned times on the road trips in July.
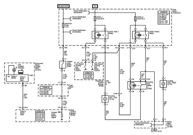
I was driving in town this week and now the car overheated, throwing a P2555 code. It was then that I discovered that only one of the two cooling fans is functioning (the main fan on the left side). The fan on the right side does not kick at all, even when the air conditioner is running.
Maybe this has been the problem all along, I do not know.
Finally my question: Are there any tests I can do to determine if the fan motor is burned out before tearing the front of my car apart to replace it? I checked the fuses and they look good.
Thanks in advance!
Sunday, August 13th, 2017 AT 5:36 PM

