How do I manually get the rear window up? The.

Tiny
ANONYMOUS
  • MEMBER
  • 2005 PONTIAC GRAND PRIX
  • 130,000 MILES
How do I manually get the rear window up? The power does not work.
Friday, March 29th, 2013 AT 3:53 PM

2 Replies

Tiny
JDL
  • MECHANIC
  • 16,098 POSTS
Have you tried pulling the window up by hand? Have you checked voltage and ground for the rear window motor, probably a wiring harness going into the rear door, hinge side, Maybe be a protective rubber boot for the witing harness, pull the boot back and check proper wires for voltage and ground, if your missing one or the other, you may be be able to use jumper wires, for voltage and ground, with inline fuse, to get the window up, as long as the window motor is ok?
Was this
answer
helpful?
Yes
No
Friday, March 29th, 2013 AT 4:32 PM
Tiny
JDL
  • MECHANIC
  • 16,098 POSTS
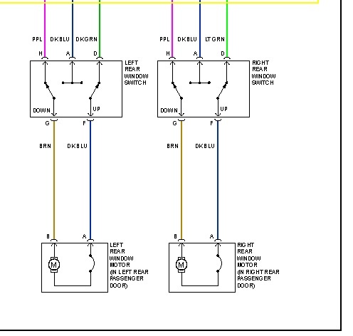
Just making sure, you dont have the lock-out switch set, do you? Heres the diagram.
Was this
answer
helpful?
Yes
No
Friday, March 29th, 2013 AT 4:40 PM

Please login or register to post a reply.